当前位置:首页 > 电路图基础 > 正文

TI PGA450-Q1超声波汽车倒车解决方案涵电路图介绍

来源:网络  发布者:电工基础  发布时间:2026-03-07 16:48
TI 公司的PGA450-Q1是全集成超声波传感器接口器件,集成了电压稳压器,12位SAR ADC,8位微控制器,数字带通滤波器,DAC,两个NMOS低边驱动器,低噪音放大器,振荡器,LIN 2.1物理接口协议接口.主要用于汽车泊车, 盲区检测和

TI 公司的PGA450-Q1是全集成超声波传感器接口器件,集成了电压稳压器,12位SAR ADC,8位微控制器,数字带通滤波器,DAC,两个NMOS低边驱动器,低噪音放大器,振荡器,LIN 2.1物理接口协议接口.主要用于汽车泊车, 盲区检测和物体检测.本文介绍了PGA450-Q1主要特性,功能方框图, 应用电路图, 评估板PGA450-Q1 EVM主要特性,电路图和PCB布局图.
The PGA450-Q1 is a fully integrated interface device for ultrasonic transducers used in automotive park distance or object detection applications. It incorporates these system blocks: voltage regulators, a 12-bit SAR ADC, an 8-bit microcontroller, a digital band-pass filter, a DAC, dual NMOS low-side drivers, a low-noise amplifier, an oscillator, and a LIN 2.1 physical interface and protocol for interfacing.

The PGA450-Q1 possesses an 8-bit microcontroller and OTP memory for program storage for processing the echo signal and calculating the distance between the transducer and the object. This data is transmitted through the LIN 2.1 communication protocol. The LIN 2.1 physical layer is slave-only and does not implement the LIN wake-up feature.

PGA450-Q1主要特性:

Dual NMOS Low-Side Drivers

Configurable Burst Generator

Low-Noise Amplifier

12-Bit SAR ADC

Configurable Digital Band-Pass Filter

Digital Signal Envelope Detect

On-Chip 8-Bit Microprocessor

LIN 2.1 Physical Interface and Protocol

Watchdog Timer

Four-Wire SPI for Testability / Programming

8K Bytes OTP

768 Bytes of FIFO RAM

256 Bytes Scratchpad RAM

8K Bytes of Development RAM

32 Bytes of EEPROM for Application

PGA450-Q1应用:

Automotive Park Distance

Blind Spot Detection

Object Detection Applications


图1.PGA450-Q1功能方框图

The digital data path has the following components:

• Band-pass filter

• Rectifier

• Peak extractor

• Downsampler

• Low-pass filter


图2.PGA450-Q1数字数据通路方框图


图3.PGA450-Q1应用电路图

评估板PGA450-Q1 EVM

This user’s guide describes the characteristics, operation, and use of the PGA450-Q1 EVM.

评估板PGA450-Q1 EVM主要特性:

• Single power-supply input for basic operation

• Example single-ended transformer and 58-kHz transducer

• LIN master transceiver

• RS-232 transceiver for UART testing and debug

• PC control with a graphical user interface and USB communications board
 


图4.评估板PGA450-Q1 EVM外形图

TI PGA450-Q1超声波汽车倒车解决方案涵电路图介绍


图5.评估板PGA450-Q1 EVM电路图:LIN

TI PGA450-Q1超声波汽车倒车解决方案涵电路图介绍


图6.评估板PGA450-Q1 EVM电路图:电源

TI PGA450-Q1超声波汽车倒车解决方案涵电路图介绍


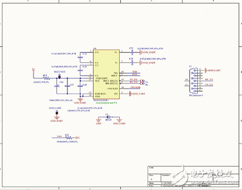
图7.评估板PGA450-Q1 EVM电路图:RS232

TI PGA450-Q1超声波汽车倒车解决方案涵电路图介绍


图8.评估板PGA450-Q1 EVM电路图:USB控制器

TI PGA450-Q1超声波汽车倒车解决方案涵电路图介绍


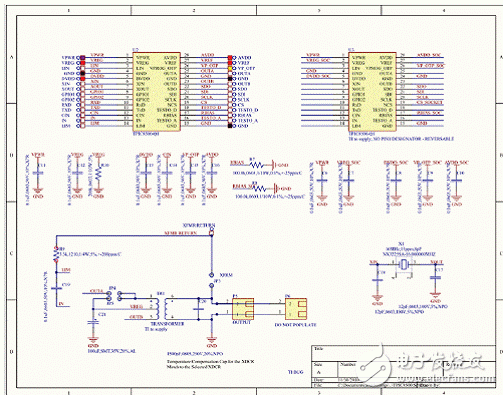
图9.评估板PGA450-Q1 EVM电路图: PGA450-Q1


图10.评估板PGA450-Q1 EVM PCB布局图:顶层


图11.评估板PGA450-Q1 EVM PCB布局图:底层

相关热词:#传感器

最新文章
无线遥控器电路图制作无线遥控器电路图制作

时间:2026-03-07

无线电遥控门铃电路原理图无线电遥控门铃电路原理图

时间:2026-03-07

NE555过流保护检测器电路图NE555过流保护检测器电路图

时间:2026-03-07

串联谐振升压原理串联谐振升压原理

时间:2026-03-07

谐振回路的工作原理谐振回路的工作原理

时间:2026-03-07

电容降压电路原理电容降压电路原理

时间:2026-03-07

实用的电容降压电路实用的电容降压电路

时间:2026-03-07

低成本的阻容降压电路原理图分析低成本的阻容降压电路原理图分析

时间:2026-03-07

阻容降压原理及电路阻容降压原理及电路

时间:2026-03-07

阻容降压电路的误区阻容降压电路的误区

时间:2026-03-07

热门文章
彩灯电路彩灯电路

时间:2026-03-05

三相异步电动机原理三相异步电动机原理

时间:2026-03-04

三相异步电动机的七种调速方式三相异步电动机的七种调速方式

时间:2026-03-04

转角测量电路转角测量电路

时间:2026-03-05

经典的正弦波发生电路经典的正弦波发生电路

时间:2026-03-05

电动机单线远程正反转控制电路图电动机单线远程正反转控制电路图

时间:2026-03-04

三相异步电动机的拆装详讲三相异步电动机的拆装详讲

时间:2026-03-04

USB转232电路图USB转232电路图

时间:2026-03-04

电度表的工作原理电度表的工作原理

时间:2026-03-04

电风扇红外遥控器2电风扇红外遥控器2

时间:2026-03-04