555定时器是一种多用途的数字——模拟混合集成电路,利用它能极方便地构成施密特触发器、单稳态触发器和多谐振荡器。由于使用灵活、方便,所以555定时器在波形的产生与交换、测量与控制、家用电器、电子玩具等许多领域中都得到了广泛应用。自从signetics公司于1972年推出这种产品以后,国际上个主要的电子器件公司也都相继的生产了各自的555定时器产品。尽管产品型号繁多,但是所有双极型产品型号最后的3位数码都是555,所有CMOS产品型号最后的4位数码都是7555.而且,它们的功能和外部引脚排列完全相同。
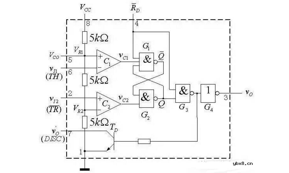
555定时器的功能主要由两个比较器决定。两个比较器的输出电压控制RS触发器和放电管的状态。在电源与地之间加上电压,当5脚悬空时,则电压比较器C1的同相输入端的电压为2VCC/3,C2的反相输入端的电压为VCC若触发输入端TR的电压小于VCC/3,则比较器C2的输出为0,可使RS触发器置1,使输出端OUT=1。如果阈值输入端TH的电压大于2VCC/3,同时TR端的电压大于VCC/3,则C1的输出为0,C2的输出为1,可将RS触发器置0,使输出为0电平。

图1
它的各个引脚功能如下:
1脚:外接电源负端VSS或接地,一般情况下接地。
8脚:外接电源VCC,双极型时基电路VCC的范围是4.5~16V,CMOS型时基电路VCC的范围为3~18V。一般用5V。
3脚:输出端Vo
2脚:低触发端
6脚:TH高触发端
4脚:是直接清零端。当此端接低电平,则时基电路不工作,此时不论TR、TH处于何电平,时基电路输出为“0”,该端不用时应接高电平。
5脚:VC为控制电压端。若此端外接电压,则可改变内部两个比较器的基准电压,当该端不用时,应将该端串入一只0.01μF电容接地,以防引入干扰。
7脚:放电端。该端与放电管集电极相连,用做定时器时电容的放电。
在1脚接地,5脚未外接电压,两个比较器A1、A2基准电压分别为的情况下,555时基电路的功能表如表1示。

表1
如图所示,电压检测电路以555为核心,组成双稳态模式。平时,由于555的6脚(阈值电平端)通过R连接Voo,因此,3脚呈低电平。555的触发端2脚通过-一个稳压管DW接至被检测点上,DW的稳压值为Vz,当被检测电压低于时,则55被置位,3脚呈高电平,LED发光。若用不同稳压值的DW,用开关控制接通,则可判别不同的被测电压值。

相关热词:#检测电路
无线遥控器电路图制作
时间:2026-03-07
无线电遥控门铃电路原理图
时间:2026-03-07
NE555过流保护检测器电路图
时间:2026-03-07
串联谐振升压原理
时间:2026-03-07
谐振回路的工作原理
时间:2026-03-07
电容降压电路原理
时间:2026-03-07
实用的电容降压电路
时间:2026-03-07
低成本的阻容降压电路原理图分析
时间:2026-03-07
阻容降压原理及电路
时间:2026-03-07
阻容降压电路的误区
时间:2026-03-07
彩灯电路
时间:2026-03-05
三相异步电动机原理
时间:2026-03-04
三相异步电动机的七种调速方式
时间:2026-03-04
转角测量电路
时间:2026-03-05
经典的正弦波发生电路
时间:2026-03-05
电动机单线远程正反转控制电路图
时间:2026-03-04
三相异步电动机的拆装详讲
时间:2026-03-04
USB转232电路图
时间:2026-03-04
电度表的工作原理
时间:2026-03-04
电风扇红外遥控器2
时间:2026-03-04