当前位置:首页 > 电路图基础 > 正文

红外二极管发射电路图大全(声光报警/TPS604/无线耳机红外发射电路详解)

来源:网络  发布者:电工基础  发布时间:2026-03-07 16:53
红外二极管发射电路图(一) 传感器检测及声光报警电路 传感器模块由热释电传感器、烟雾传感器MQ211和红外传感器组成。

红外二极管发射电路图(一)

传感器检测及声光报警电路

传感器模块由热释电传感器、烟雾传感器MQ211和红外传感器组成。

烟雾传感器的内部电阻是随着烟雾的浓度的变化而变化,因此要将其转化为变化的电压信号,在此通过电压比较器LM339和几个相应的分压电阻构成,具体电路设计如图2所示。在通电状态下测得传感器的内阻是130kΩ左右,在烟雾较浓时内阻为6kΩ左右,在无烟时比较器的负端输入为2.5V左右,正端为1.2V左右,有烟雾时负端为2.5V,正端为3~5V,此电路能很好地实现电平的转换。热释电红外传感器采用RE200B和信号处理元件BISS0001及少量外接元件组成,电路如图3所示。

红外二极管发射电路图大全(声光报警/TPS604/无线耳机红外发射电路详解)

红外二极管发射电路图大全(声光报警/TPS604/无线耳机红外发射电路详解)

红外传感器电路由红外发射二极管及1838B组成,用单片机来检测两个传感器低电平的先后顺序来判断人的进出情况。其原理如图4所示。声光报警模块由蜂鸣器、(红,绿)发光二极管和NPN型三极管驱动电路组成,具体电路图如图5所示。

红外二极管发射电路图大全(声光报警/TPS604/无线耳机红外发射电路详解)

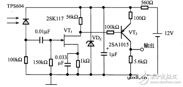
红外二极管发射电路图(二)

如图所示,图是红外线遥控接收装置实例。红外线传感器有多种,这里选用光电二极管TPS604。

工作原理简介如下:

光电二极管TPS604接收到被调制的红外线的微弱信号,先经场效应晶体管VT1的前级放大,再经晶体管VT2进行适当的放大,由UT2的集电极输出相应信号控制有关电路。

VDZ稳压管为+5V、VT1为3DJ6VT2为C8550。

红外二极管发射电路图大全(声光报警/TPS604/无线耳机红外发射电路详解)

红外二极管发射电路图(三)

该红外线无线耳机由发射机和接收机两部分电路组成。发射机电路如图1所示。声音信号从电视机音频输出插座引出。电视机输出的音频信号经过C1耦合至VT1进行一级放大后驱动红外线发光二极管VD1、VD2发光,声音信号的变化引起VD1、VD2发光强度的变化,即VD1、VD2的发光强度受声音的调制。

红外二极管发射电路图大全(声光报警/TPS604/无线耳机红外发射电路详解)

接收部分电路如图2所示。该电路接收部分采用一块音频放大集成电路LM386进行功率放大。VD3为红外线接收管。

当被音频信号调制的红外光照到VD3表面时,VD3将接收的经声音调制的红外线光信号转换成电信号,即在VD3两端产生一个与音频信号变化规律相同的电信号,该信号经C9耦合至LM386进行功率放大后驱动扬声器发声。由于LM386可以输出约0.5W的功率,所以该接收器可以同时供多副(1~4副)耳机收听。

三极管VT1选用中功率管2SC8050,PCM=3mW,ICM=500mA,R2的功率要在l/4W以上。VD3为红外线接收管(不要选用光电二极管,以免受干扰,影响接收效果),VD1、VD2宜选用外壳透明的品种,那些从外部不能看到内部电极的品种其通信距离将会很小。

安装时调节发射部分三极管VT1的静态电流在30mA左右。接收部分只要安装无误,不需调试即可工作。发射部分可以安装在电视机内部,由机内12V电源供电。信号输入端接到音量电位器两端即可。对于伴音功放采用直流音量控制的电视机,可以在C1前面串联一个5.1kΩ的电阻后将输入端接到扬声器的两端。调节音量电位器,使其转发距离最远(3~4m)且不失真即可。两只红外线发射管(VD1。VD2)在安装时,要考虑其辐射区范围,由于红外发射管的辐射角一般在60°左右,所以安装时要使它们的辐射空间范围有一部分重叠。

相关热词:#二极管

最新文章
无线遥控器电路图制作无线遥控器电路图制作

时间:2026-03-07

无线电遥控门铃电路原理图无线电遥控门铃电路原理图

时间:2026-03-07

NE555过流保护检测器电路图NE555过流保护检测器电路图

时间:2026-03-07

串联谐振升压原理串联谐振升压原理

时间:2026-03-07

谐振回路的工作原理谐振回路的工作原理

时间:2026-03-07

电容降压电路原理电容降压电路原理

时间:2026-03-07

实用的电容降压电路实用的电容降压电路

时间:2026-03-07

低成本的阻容降压电路原理图分析低成本的阻容降压电路原理图分析

时间:2026-03-07

阻容降压原理及电路阻容降压原理及电路

时间:2026-03-07

阻容降压电路的误区阻容降压电路的误区

时间:2026-03-07

热门文章
彩灯电路彩灯电路

时间:2026-03-05

三相异步电动机原理三相异步电动机原理

时间:2026-03-04

三相异步电动机的七种调速方式三相异步电动机的七种调速方式

时间:2026-03-04

转角测量电路转角测量电路

时间:2026-03-05

经典的正弦波发生电路经典的正弦波发生电路

时间:2026-03-05

电动机单线远程正反转控制电路图电动机单线远程正反转控制电路图

时间:2026-03-04

三相异步电动机的拆装详讲三相异步电动机的拆装详讲

时间:2026-03-04

USB转232电路图USB转232电路图

时间:2026-03-04

电度表的工作原理电度表的工作原理

时间:2026-03-04

电风扇红外遥控器2电风扇红外遥控器2

时间:2026-03-04