电路图3-3中P1是整个加热电路的电源开关管,瓦斯传感器处于工作状态时P1处于导通状态,否则P1处于截止状态,以减小功耗并延长敏感元件的使用寿命;P2、P3分别是黑白元件串联体加热管和白元件加热管,加热时处于导通状态,否则处于截止状态;P4是进行加热机制转换时的调整管。
以上开关管或者加热管的导通和截止均由单片机引脚进行控制。RR表示敏感元件,设计选用的敏感元件MJC4/2.8J有温度和湿度补偿作用,可以基本保证黑元件和白元件性能一致,但是敏感元件接触的瓦斯浓度超过10%时,会发生“激活”和“双值”现象,为了实现全量程的瓦斯检测仪,把100%量程分为两个部分一一0~10%低浓度检测和10%~100%高浓度检测。

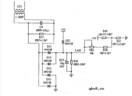
电流互感器CT1二次测得的交流电压,经过D10~D13组成的桥式整流器整流。经EC5平滑后的直流电压送到CPU的I-A/D口,CPU根据此电压信号的变化来检测电磁炉的输入电流。电流互感器CT1的匝数比为1:3000,匝数比大,则其在大电流的工作时感应出来的电流线性好。VR1是0~10kΩ的可调电阻,主要用来调整因为结构误差引起的功率偏差,也可通过调节此电阻来改变电流检测的基准,达到调节电磁炉输出功率大小的目的。当VR1阻值增大时,相应的电流检测的电压会提高。在CT1初级电流一定的情况下,CT1次级感应出来的电压相应提高,程序根据A/D口模拟量信号的变化进行相应的控制,根据软件恒功的要求,功率会相对下降。

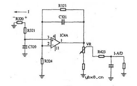
电阻R320是串接在IGBT管e极与电源负极之间的采样电阻,一般选取0.01Ω,使其在通过10A电流时压降达到0.1V的技术要求。比较器IC4A和外围电路组成放大系数为100倍的正向直流放大器,在VR端即可获得放大100倍后的电流采样电压,此电压送到CPU的I-A/D口,使单片机做出相应动作。可变电阻VR作用与电流互感器采样的电流采样单元中的VR1作用相同,在此不在复述。

(综合整理:MCU资讯、电路城)
相关热词:#采样电路
无线遥控器电路图制作
时间:2026-03-07
无线电遥控门铃电路原理图
时间:2026-03-07
NE555过流保护检测器电路图
时间:2026-03-07
串联谐振升压原理
时间:2026-03-07
谐振回路的工作原理
时间:2026-03-07
电容降压电路原理
时间:2026-03-07
实用的电容降压电路
时间:2026-03-07
低成本的阻容降压电路原理图分析
时间:2026-03-07
阻容降压原理及电路
时间:2026-03-07
阻容降压电路的误区
时间:2026-03-07
彩灯电路
时间:2026-03-05
三相异步电动机原理
时间:2026-03-04
三相异步电动机的七种调速方式
时间:2026-03-04
转角测量电路
时间:2026-03-05
经典的正弦波发生电路
时间:2026-03-05
电动机单线远程正反转控制电路图
时间:2026-03-04
三相异步电动机的拆装详讲
时间:2026-03-04
USB转232电路图
时间:2026-03-04
电度表的工作原理
时间:2026-03-04
电风扇红外遥控器2
时间:2026-03-04