当前位置:首页 > 电路图基础 > 正文

多种波形发生器电路图_低频多种波形发生器电路图

来源:网络  发布者:电工基础  发布时间:2026-03-07 17:08
  多种波形发生器电路图   如图所示电路可同时产生方波、三角波、正弦波并输出,特别适合电子爱好者或学生用示波器来做观察信号波形的实验。该信号发生器电路简单、成本低廉、调整方便。555定时器接成多谐振

  多种波形发生器电路图

  如图所示电路可同时产生方波、三角波、正弦波并输出,特别适合电子爱好者或学生用示波器来做观察信号波形的实验。该信号发生器电路简单、成本低廉、调整方便。555定时器接成多谐振荡器工作形式,C2为定时电容,C2的充电回路是R2→R3→RP→C2;C2的放电回路是C2→RP→R3→IC的7脚(放电管)。由于R3+RP》R2,所以充电时间常数与放电时间常数近似相等,由IC的3脚输出的是近似对称方波。按图所示元件参数,其频率为1kHz左右,调节电位器RP可改变振荡器的频率。方波信号经R4、C5积分网络后,输出三角波。三角波再经R5、C6积分网络,输出近似的正弦波。C1是电源滤波电容。发光二极管VD用作电源指示。

  

多种波形发生器电路图_低频多种波形发生器电路图

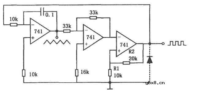
  低频多种波形发生器电路图

  该电路可以同时输出两种波形,即三角波和方波。电路中,第一级为标准的积分器;第二级为增益是1的倒相器;第三级为具有滞后的比较器。在第三级不加二极管的情况下,电路输出为正时,积分器的输出为负向斜波,经倒相后变成正向斜波加至比较器。当斜波幅度达到比较器的阈值电平Vo=R1/(R1R2)时,输出为负,这时积分器输出为正向斜波;当其幅度达到阈值电平时,电路又改变状态,于是,第一级输出三角波,第三级输出方波,它们之间相位相差180o。

  若第三级输出加一二极管,由于二极管的钳位作用,比较器的负输出为-0.7V,这时电路输出锯齿波和脉冲波。不管是否加接二极管,输出频率是由积分器的时间常数、电源电压和比较器的分压比决定,它的极限取决于运算放大器的转换速率。该电路的极限频率是5kHz。

  

多种波形发生器电路图_低频多种波形发生器电路图

  (综合整理:360个人图书馆、21ic电子网)

相关热词:#发生器

最新文章
无线遥控器电路图制作无线遥控器电路图制作

时间:2026-03-07

无线电遥控门铃电路原理图无线电遥控门铃电路原理图

时间:2026-03-07

NE555过流保护检测器电路图NE555过流保护检测器电路图

时间:2026-03-07

串联谐振升压原理串联谐振升压原理

时间:2026-03-07

谐振回路的工作原理谐振回路的工作原理

时间:2026-03-07

电容降压电路原理电容降压电路原理

时间:2026-03-07

实用的电容降压电路实用的电容降压电路

时间:2026-03-07

低成本的阻容降压电路原理图分析低成本的阻容降压电路原理图分析

时间:2026-03-07

阻容降压原理及电路阻容降压原理及电路

时间:2026-03-07

阻容降压电路的误区阻容降压电路的误区

时间:2026-03-07

热门文章
彩灯电路彩灯电路

时间:2026-03-05

三相异步电动机原理三相异步电动机原理

时间:2026-03-04

三相异步电动机的七种调速方式三相异步电动机的七种调速方式

时间:2026-03-04

转角测量电路转角测量电路

时间:2026-03-05

经典的正弦波发生电路经典的正弦波发生电路

时间:2026-03-05

电动机单线远程正反转控制电路图电动机单线远程正反转控制电路图

时间:2026-03-04

三相异步电动机的拆装详讲三相异步电动机的拆装详讲

时间:2026-03-04

USB转232电路图USB转232电路图

时间:2026-03-04

电度表的工作原理电度表的工作原理

时间:2026-03-04

电风扇红外遥控器2电风扇红外遥控器2

时间:2026-03-04