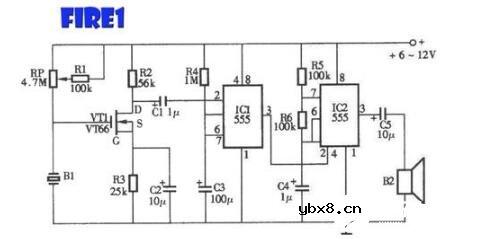
电阻R1R2R3及场效应管VT1组成了放大电路,当震动开关B1受到外界震动后,其输出信号经过场效应管组成的放大电路放大,经过电容C1的耦合后进入IC1的输入端使NE555芯片发生翻转,其输出端3号引脚变为高电平;由IC2及外围电路组成的振荡电路就会开始工作,驱动扬声器发出报警声。

相关热词:#报警器
无线遥控器电路图制作
时间:2026-03-07
无线电遥控门铃电路原理图
时间:2026-03-07
NE555过流保护检测器电路图
时间:2026-03-07
串联谐振升压原理
时间:2026-03-07
谐振回路的工作原理
时间:2026-03-07
电容降压电路原理
时间:2026-03-07
实用的电容降压电路
时间:2026-03-07
低成本的阻容降压电路原理图分析
时间:2026-03-07
阻容降压原理及电路
时间:2026-03-07
阻容降压电路的误区
时间:2026-03-07
彩灯电路
时间:2026-03-05
三相异步电动机原理
时间:2026-03-04
三相异步电动机的七种调速方式
时间:2026-03-04
转角测量电路
时间:2026-03-05
经典的正弦波发生电路
时间:2026-03-05
电动机单线远程正反转控制电路图
时间:2026-03-04
三相异步电动机的拆装详讲
时间:2026-03-04
USB转232电路图
时间:2026-03-04
电度表的工作原理
时间:2026-03-04
电风扇红外遥控器2
时间:2026-03-04