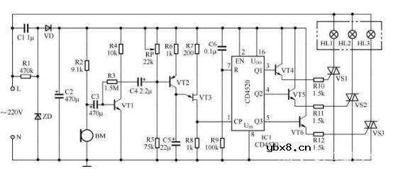
该电路能随着音乐节奏不断变换灯光色彩,可作为歌舞厅的装饰灯。该声控变色彩灯电路由电源电路、声控电路、压控振荡器和控制电路等组成。
电源电路由降压电容C1、限流电阻R1、稳压二极管ZD、整流二极管VD和滤波电容C2组成。声控电路由话筒BM、电阻R2~R4、电容C3和晶体管VT1组成。压控振荡器由晶体管VT2、单结晶体管VT3、电位器RP、电阻R5~R8以及电容C4、C5组成。彩灯控制电路由电阻R9~R12、电容C6、同步加法计数器集成电路IC1(CD4520)、晶体管VT4~VT6、晶闸管VS1~VS3组成。

交流220V电压经C1降压、ZD稳压、VD整流及C2滤波后,为声控电路、压控振荡器和控制电路提供12V左右的直流电压。
话筒BM将声音(例如音乐声)信号转换为电信号,该电信号经VT1放大后送入压控振荡器,使振荡器工作。VT1输出的电信号使VT2的工作电流发生变化,C5的充电时间也随之变化,VT3输出的脉冲频率也随着音乐的节奏及强弱同步变化,为IC1的①脚(CP端)提供计数脉冲。在计数脉冲的作用下,IC1的Q1~Q3端输出变化的控制信号,通过控制VT4~VT6和VS1~VS3的导通与截止来控制3路彩灯(HL1~HL3)的亮与灭,产生合成灯光效果,其工作过程见表1-4。

调节RP的阻值,可改变彩灯发光色彩变换的速度。
图所示为一款声控旋转彩灯控制电路。

VT4~VT6组成压控循环振荡器。当接通电源后,+12V电压经R3、ZD和C1稳压后输出6V直流电,再由R5分别经R6、R7、R8向C2、C3、C4充电,使LED1、LED2、LED3的正极电位提高,所以,VT4~VT6均有导通趋势。由于电路元器件参数不可能绝对均匀一致,假设VT4优先导通,第一组彩灯1LED1、1LED2发光。此时,VT4的集电极为低电位,VD3导通,C4经VD3和VT4放电且无法充电,所以VT6截止。
但C3仍可通过R7充电,当C3两端电压充至1.6V(LED2的正向压降)加0.65V(VT5的导通电平)时,VT5导通,第二组彩灯2LED1、2LED2发光。此时,VT5的集电极为低电平,VD1导通,C2即通过VD1和VT5放电,所以,VT4立刻截止,第一组彩灯熄灭。这时VT4的集电极为高电位,VD3截止,所以C4可通过R8充电,当C4两端电压高于(1.6+0.65)V时,VT6导通,第三组彩灯3LED1、3LED2发光,且VT6的集电极为低电位,VD2导通,C3通过VD2向VT6放电,VT5立刻截止,第二组彩灯熄灭。这时VT5的集电极为高电位,VD1截止,C2又可通过R6充电,周而复始地形成振荡。
振荡频率决定光点的旋转速度,主要取决于C2~C4和R6~R8的充电时间常数和充电电源的电压高低。声控电路由VT1~VT3组成,HTD接收室内声波信号,再由VT1~VT2两级放大后,经变压器T升压加到VT3的发射结进行整流。当信号电压在负半周大于0.25V时,VT3导通,12V直流电经VT3、VD4加到R6~R8上,使充电电压升高,振荡频率提高,旋转速度也相应加快。
LED1~LED3主要用来抬高C2~C4的充电电压,使C2~C4用较小的容量即可获得合适的振荡频率。如需要增加每组彩灯的发光管个数,只要适当减少R9~R11的阻值,每组最多可串联5个发光管。
相关热词:#控制器
无线遥控器电路图制作
时间:2026-03-07
无线电遥控门铃电路原理图
时间:2026-03-07
NE555过流保护检测器电路图
时间:2026-03-07
串联谐振升压原理
时间:2026-03-07
谐振回路的工作原理
时间:2026-03-07
电容降压电路原理
时间:2026-03-07
实用的电容降压电路
时间:2026-03-07
低成本的阻容降压电路原理图分析
时间:2026-03-07
阻容降压原理及电路
时间:2026-03-07
阻容降压电路的误区
时间:2026-03-07
彩灯电路
时间:2026-03-05
三相异步电动机原理
时间:2026-03-04
电动机单线远程正反转控制电路图
时间:2026-03-04
三相异步电动机的七种调速方式
时间:2026-03-04
转角测量电路
时间:2026-03-05
经典的正弦波发生电路
时间:2026-03-05
三相异步电动机的拆装详讲
时间:2026-03-04
USB转232电路图
时间:2026-03-04
电度表的工作原理
时间:2026-03-04
电风扇红外遥控器2
时间:2026-03-04