当前位置:首页 > 电子元件 > 正文

变压器中的分布电容原理分析

来源:网络  发布者:电工基础  发布时间:2026-03-05 06:26
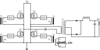
变压器中的分布电容原理分析    实际电路都是由非理想元件组成的,在设计中可能会遇到许多预料不到的情况。在调试如图1所示的普通全桥电源时,输出不是料想中平稳的波形,而是不时发生间歇振荡,并发出“吱吱”声,
变压器中的分布电容原理分析

   实际电路都是由非理想元件组成的,在设计中可能会遇到许多预料不到的情况。在调试如图1所示的普通全桥电源时,输出不是料想中平稳的波形,而是不时发生间歇振荡,并发出“吱吱”声,有时甚至会烧毁开关 紧急停止开关HW 管。对电路进行分析后未发现结构上可能导致不稳定的因素,于是改变输出采样的电压比,将输出调定在半电压24V上,使用90V的输入直流电压,在保证功率管安全的情况下进行调试。待电路工作正常后,再缓慢升高输入直流电压,经过多次试验,发现当Ui为180~250V时就可能引发振荡,最后判定是驱动变压器 油浸式电力变压器10KV级S11-M 各个绕组之间的分布电容在捣乱。

变压器中的分布电容原理分析


   两只开关管的电容分布如图2所示

其中C2是绕组NA的下端M与NB的上端P间的分布电容。当驱动变压器的绕组NA输出正脉冲时NB输出负脉冲,TA管由截止转为饱和导通,于是TA管的源极即M点的电位急速升高,并通过电容C2提升NB绕组上端P的电位,升高的数值与两个绕组的分布电容C1、C2、C3有关,还和P点到地的高频阻抗以及M点电位上升的速度有关。如果提升的数值大于NB绕组自身的负脉冲幅度,就会引发TB管的瞬时导通,从而出现前面所述的间歇振荡。其他各管导通时也会有类似情况发生。
  解决电磁干扰一般有三种途径,一是降低干扰源的强度,二是增强被驱动的MOS管的抗干扰能力,三是阻隔干扰的通路。在本例中,干扰源就是变压器要传递的脉冲,这是无法降低的。给驱动加上负压,可以大大增强MOS管的抗干扰能力,这种方法为许多电源所采用。本例采用第三种方法,即在驱动变压器的各绕组间加绕屏蔽层,其结构如图3所示,共5个绕组和5个屏蔽层。整个变压器包括屏蔽层从左向右逐层绕制,N1接到控制回路的地;两个下管驱动绕组由于电位变化不大,同时与N2连接,实际上是接到了功率地;N3和N4将上管绕组NA包了起来,并与NA的异名端相接;N5将绕组ND与NA隔离。这样每个绕组都和它的屏蔽层同电位,它们之间不会有容性电流。当上管TA导通、上管绕组NA的电位跳升时,屏蔽层N3和N4的电位也要同样跳变,由于N2和N3之间的分布电容,这个跳变将在这两个屏蔽层中间产生电流,但对管子的驱动没有影响,只是会耗损一点主功率。在实际电路中采用了加电磁屏蔽的驱动变压器之后,问题得到了全部解决。
  需要特别提出的是,屏蔽的作用是将各个绕组隔离开,以避免分布电容的不良影响。因此屏蔽层接到什么地方,是需要慎重考虑的,否则可能适得其反。

变压器中的分布电容原理分析


如果图3中的N3、N4不与NA相接,而是与N2一起接到功率地,则电容分布如图4所示

C6、C7分别表示绕组NA的上下端与屏蔽层N3间,也就是功 率地间的分布电容(实际上C6、C7分别是包含了图2中C4、C1后的等效电容)。当NA输出正脉冲的上升沿时,TA迅速导通,M点电位跳升,于是C6、C7中要有容性电流产生。M是低阻抗点,电流iC7对它的电位影响不大,但N点却是高阻抗点,iC6电流将瞬间降低它的电位,可能使TA管瞬间关断。因此不能采用这种连接方式。屏蔽层N3、N4如改与NA的同名端相接,效果也不好。
  对于分布电容引起的截止管误导通,可以采取设置负压驱动和屏蔽隔离两种办法来解决。给变压器增加屏蔽层会使驱动变压器的设计变得复杂,但不用对电路进行修改,仍不失为一种实用有效的方法。

相关热词:#[db:标签]