时控开关是一种微电脑控制开关,我们可以利用它进行定时开启和定时关闭,利用开关控制装置我们就可以对家电或者其他用电器进行控制,使用比较方便安全。
一、kg316t时控开关电路

该类时控开关采用了八位微处理器芯片,PCB板直封,外围使用贴片元件,液晶屏显示时间和控制功能。具有体积小,功耗低,工作温度范围宽,抗干扰能力强等特点。时控开关的设置直观、方便,可选择手动开/关或自动控制。自动模式下可设置周一、三、五,二、四、六或工作日、周末等多种时段组合循环工作。每日开/关时段也可分别设定。精确到分钟,单日设定的开/关次数分别达10次。可控制阻性负载达到的最大负载电流为25A,部分型号可分别控制两到三路不同的负载。液晶显示的时钟控制部分模块型号为TOONE-10.2,计时误差:《±0.5秒/天。自身耗电小于5W。控制开关内部自带1.5V充电电池和相应的充电电路,即使断电也不影响计时和不会丢失已设定的控制程序。
二、时间控制电路

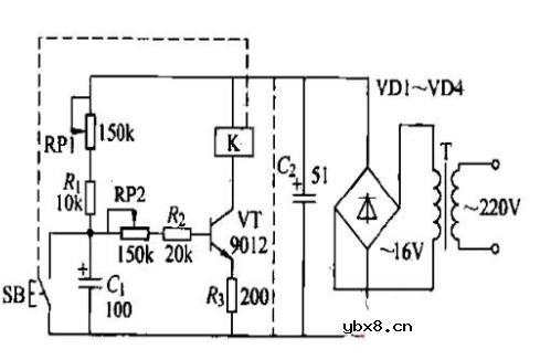
RP1、RP2、Ri、cl为延时元件。电路是这样工作的,当接通电源后,电源就通过RP1和岛向电容充电,随着电容两端电压的升高,即基极与发射极之间电压升高,从而基极电流增加,故集电极电流也加大,隔一定时间,之后,集电极电流增加到继电器的吸动电流时,继电器吸合,使SB按钮开关接通,结果,电容C,两端被短路,基极与发射极同电位,此时基极电流为零,集电极电流很小,继电器释放,从而放开SB,电源又对cJ进行充电,重复开始过程。必须指出,由于另一支路上RP2、岛,晶体管基极-发射极电阻‰.Re的分流作用,减慢了对电容C.的充电速度。
三、继电器控制灯光电路

白天在较强光照下,光导管227A(一种光敏电阻)两端阻值很小,约20~50kΩ,晶体管VT2获得基极电流而导通,VT1从R2上得到正偏电压也导通,继电器线圈KA得电,继电器的常闭触电②、③断开,两只晶闸管V1和V2没有触发信号而不导通,因而灯泡EL不亮。
夜幕降临时,随着光照强度下降,光导管227A的阻值不断增加,最终可达1MΩ左右,VT1因基极电流太小而截止,VT1也相应截止,继电器KA失电释放,常闭触电②、③闭合,晶闸管V1、V2因其两控制相连而处于双向导通状态,电源被接通,照明灯亮。
图中,电容器C3用于防止夜间瞬时强光干扰引起照明灯熄灭。而当光亮强度在临界点附件缓慢变化时,易引起继电器颤动而使灯光闪动,C2可以过滤掉脉冲电流,避免照明灯闪亮。
责任编辑:pj
相关热词:#继电器
三极管当二极管的使用方式
时间:2026-03-07
判断三极管处于饱和状态的几种方法
时间:2026-03-07
三极管的工作状态、电流关系
时间:2026-03-07
电路中三极管到底有什么不同?
时间:2026-03-07
三极管驱动电路与推挽电路错误分析
时间:2026-03-07
聊聊三极管CE组态的低频等效电路、低频截频...
时间:2026-03-07
三极管怎么测量好坏?
时间:2026-03-07
通过Pspice仿真来看下三极管的直流偏置点
时间:2026-03-07
基本共射极放大电路电路分析
时间:2026-03-07
三极管基本放大电路的频率响应
时间:2026-03-07
彩灯电路
时间:2026-03-05
电动机单线远程正反转控制电路图
时间:2026-03-04
三相异步电动机原理
时间:2026-03-04
三相异步电动机的拆装详讲
时间:2026-03-04
USB转232电路图
时间:2026-03-04
三相异步电动机的七种调速方式
时间:2026-03-04
转角测量电路
时间:2026-03-05
经典的正弦波发生电路
时间:2026-03-05
电度表的工作原理
时间:2026-03-04
电风扇红外遥控器2
时间:2026-03-04