电机控制器是一种用于控制电机操作的器件,它的主要作用是产生驱动转矩,作在定子绕组旋转磁场的作用下为用电器或各种机械的动力源。
一、顺序控制电路

图A:KM2线圈电路由KM1线圈电路起动、停止控制环节之后接出。按下起动按钮SB2,KM1线圈得电吸合并自锁,此时才能控制KM2线圈电路。停止按钮SB3只能控制M2电动机的停转,停止按钮SB1为全停按钮。本电路只有满足M1电动机先起动的条件,才能起动M2电动机。
图B:控制电路由KM1线圈电路和KM2线圈电路单独构成。KM1的动合触点作为一控制条件,串接在KM2线圈电路中,只有KM1线圈得电吸合,其辅组助动合触点闭合,此时才能控制KM2线圈电路。停止按钮SB3只能控制M2电动机的停转,停止按钮SB1为全停按钮。本电路只有满足M1电动机先起动的条件,才能起动M2电动机。
二、单向运行电气控制电路

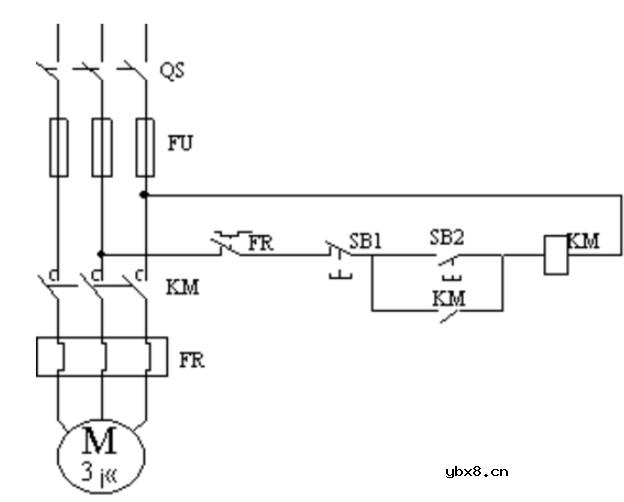
1、起动电动机合上三相隔离开关QS,按起动按钮SB2,按触器KM的吸引线圈得电,3对常开主触点闭合,将电动机M接入电源,电动机开始起动。同时,与SB2并联的KM的常开辅助触点闭合,即使松手断开SB2,吸引线圈KM通过其辅助触点可以继续保持通电,维持吸合状态。凡是接触器(或继电器)利用自己的辅助触点来保持其线圈带电的,称之为自锁(自保)。这个触点称为自锁(自保)触点。由于KM的自锁作用,当松开SB2后,电动机M仍能继续起动,最后达到稳定运转。
2、停止电动机 按停止按钮SB1接触器KM的线圈失电,其主触点和辅助触点均断开,电动机脱离电源,停止运转。这时即使松开停止按钮,由于自锁触点断开,接触器KM线圈不会再通电,电动机不会自行起动。只有再次按下起动按钮SB2时,电动机方能将再次起动运转。
三、电动机启停控制电路

启动停止按钮接线原理:FR---热继电器、SB 1--点动停止开关、SB2--点动启动开、关KM--接触器线圈KM--接触器常开触点
责任编辑:pj
相关热词:#电动机
三极管的基础知识
时间:2026-03-07
三极管的管型及管脚的判别方法
时间:2026-03-07
请给出输出端放大后的VF2波形Vpp是多少伏
时间:2026-03-07
三极管的电路分析方法
时间:2026-03-07
分享一下用三极管搭恒流源的几种形式
时间:2026-03-07
三极管的截止和饱和工作状态
时间:2026-03-07
三极管电路的四步分析法
时间:2026-03-07
三极管的基础知识
时间:2026-03-07
三极管工作时的截止、饱和两个状态
时间:2026-03-07
三极管常用的两种用途
时间:2026-03-07
彩灯电路
时间:2026-03-05
电动机单线远程正反转控制电路图
时间:2026-03-04
三相异步电动机原理
时间:2026-03-04
三相异步电动机的拆装详讲
时间:2026-03-04
USB转232电路图
时间:2026-03-04
三相异步电动机的七种调速方式
时间:2026-03-04
转角测量电路
时间:2026-03-05
经典的正弦波发生电路
时间:2026-03-05
电度表的工作原理
时间:2026-03-04
电风扇红外遥控器2
时间:2026-03-04