【导读】欠压电路设计最为工程师并不陌生,欠压电路设计的数字验证还是定性分析,有点经验和知识的人都会,但是一旦欠压电路设计到误差和保护,这个电路就让人算的很纠结,那么如何让这种纠结消除呢?来看看专家网友朋友是如何解决的?
不过一旦欠压电路设计到误差和保护,这个电路就让我算的很纠结,给大家看看过程。
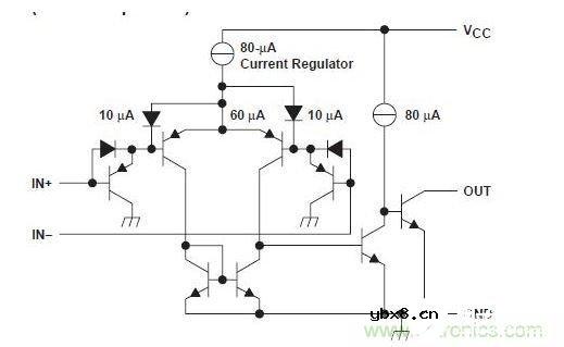
电路图如下:

定义一下该比较器的结构:

1.计算输入电压H=>L转换过程的门限

计算过程:

结果:


计算方法:

结果:

3.1正常低电压输出的电压

3.2高电压嵌位保护的电压


相关热词:#电路
三极管电路符号_三极管工作原理
时间:2026-03-07
8050和8550组成自锁电路
时间:2026-03-07
三极管的电流放大作用_三极管的特性曲线
时间:2026-03-07
磁敏晶体管的工作原理_磁敏晶体管的特性
时间:2026-03-07
开关三极管分类_开关三极管的使用误区
时间:2026-03-07
恒流三极管的结构_恒流三极管应用
时间:2026-03-07
三极管的功能和特点
时间:2026-03-07
三极管的放大作用及特点
时间:2026-03-07
光电三极管的作用和特点
时间:2026-03-07
光电三极管的典型应用电路
时间:2026-03-07
彩灯电路
时间:2026-03-05
电动机单线远程正反转控制电路图
时间:2026-03-04
三相异步电动机原理
时间:2026-03-04
三相异步电动机的拆装详讲
时间:2026-03-04
USB转232电路图
时间:2026-03-04
三相异步电动机的七种调速方式
时间:2026-03-04
转角测量电路
时间:2026-03-05
经典的正弦波发生电路
时间:2026-03-05
电度表的工作原理
时间:2026-03-04
电风扇红外遥控器2
时间:2026-03-04