定时自动循环控制电路
三相异步电动机容量为1.5KW,要求电路能定时自动循环正反转控制;正转维持时间为20秒钟,反转维持时间为40秒钟。时间继电器的延时时间不得小于15秒,时间调整应从长向短调。

定时自动循环控制电路工作原理
合上电源开关QF,按保持按钮SB2,中间继电器KA吸合,KA的自保触点与按钮SB2、KT1、KT2断电延时闭合的动断触点组成的串联电路并联,接通了起动控制电路。按起动按钮SB3,时间继电器KT1得电,其断电延时断开的动合触点KT1闭合,接触器KM1线圈得电,主触点闭合,电动机正转(正转维持时间为20秒计时开始)。同时KM1动合触点接通了时间继电器KT2,其串联在接触器KM2线圈回路中的断电延时断开的动合触点KT2闭合,由于KM1的互锁触点此时已断开,接触器KM2线圈不能通电。当正转维持时间结束后,断电延时断开的动合触点KT1断开,KM1释放,电动机正转停止。KM1的动断触点闭合,接触器KM2线圈得电,主触点闭合,电动机开始反转。同时KM1动合触点断开了时间继电器KT2线圈回路(反转维持时间为40秒计时开始)。这时KM2动合触点又接通了KT1线圈,断电延时断开的动合触点KT1闭合,为下次电动机正转作准备。因此时串联在接触器KM1线圈回路中的KM2互锁触点断开,接触器KM1线圈暂时不得电。与按钮SB2串联的KT1、KT2断电延时闭合的动断触点是保证在电动机自动循环结束后,才能再次起动控制电路。热继电器FR常闭触点,是在电动机过负载或缺相过热时将控制电路自动断开,保护了电动机。
自动往复循环控制电路

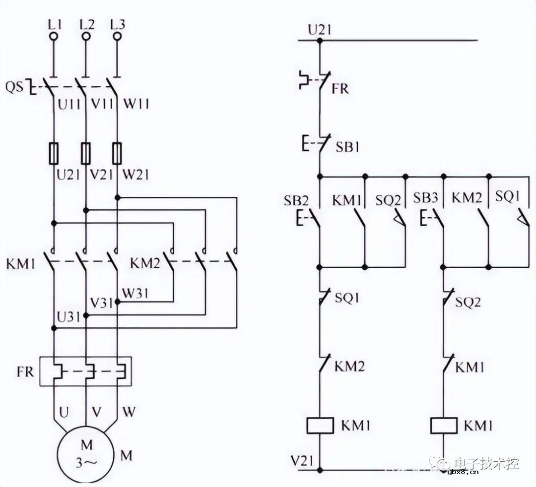
行程开关安装在工作台上,SQ1用于控制电动机正转到设定的位置时停止,并转换为反转方式;SQ2用于控制电动机反转到设定的位置时停止,并转换为正转方式。工作台在行程开关SQ1和SQ2之间自动往复运动。自动往复循环控制电路的工作过程如下。

该电路适用于采用小容量电动机且往返不太频繁的控制场合。电动机带动工作台自动往复运动,若要在运动中停车,按下停车按钮SB1即可。
电动机自动循环控制电路
由两台电动机构成的自动循环控制电路,其动力部件的构成及自动循环工作过程如图所示。

此控制电路可完成这样一个工作循环:首先使动力头Ⅰ由位置b移到位置a后停下,然后动力头Ⅱ由位置c移到位置d停住,接着使动力头Ⅰ和Ⅱ同时退回原位停下。
限位开关SQ1、SQ2、SQ3、SQ4分别装在床身上的a、b、c、d处。电动机M1带动动力头Ⅰ,电动机M2带动动力头Ⅱ。动力头Ⅰ和Ⅱ在原位时分别压下SQ1和SQ2。电路的工作过程如下。
按启动按钮SB2,接触器KM1得电并自锁,使电动机M1正转,动力头Ⅰ由原位b点向a点前进。
当动力头到a点位置时,SQ2限位开关被压下,结果使KM1失电,动力头Ⅰ停止;同时使KM2得电动作,电动机M2正转,动力头Ⅱ由原位c点向d点前进。
当动力头Ⅱ到达d点时,SQ4被压下,结果使KM2失电,与此同时KM3与KM4得电动作并自锁,电动机M1与M2都反转,使动力头Ⅰ与Ⅱ都向原位退回。当退回到原位时,限位开关SQ1、SQ2分别被压下,使KM3和KM4失电,两个动力头都停在原位。同时,它们的动合触点闭合,使得KM1又得电,新的循环开始。
该电路在机床运行电路中比较常见。SQ1、SQ2、SQ3和SQ4的触点位置改变是工作台状态变换的条件。KM3和KM4接触器的辅助动合触点起自锁作用,这样能够保障动力头Ⅰ和Ⅱ都能够退回到原位。如果只用一个接触器的触点自锁,那另一个动力头就可能出现没退回到原位而接触器就已失电的情况。
相关热词:#继电器
基于逻辑门的构成解释如何完成任意逻辑的管...
时间:2026-03-08
有源钳位技术解析
时间:2026-03-08
从0学电路,万用表演示测量三极管方法
时间:2026-03-08
NE555的有趣电路设计分享
时间:2026-03-08
电路系统常用的图形符号
时间:2026-03-08
看下三极管的应用电路
时间:2026-03-08
H桥电机驱动电路解析
时间:2026-03-08
光耦在电子电路中作用、关键参数详解
时间:2026-03-08
理解了这几个基础电路,模电分析就不难了
时间:2026-03-08
遥控器背光照明电路原理详解
时间:2026-03-08
彩灯电路
时间:2026-03-05
电动机单线远程正反转控制电路图
时间:2026-03-04
三相异步电动机的拆装详讲
时间:2026-03-04
三相异步电动机原理
时间:2026-03-04
三相异步电动机的七种调速方式
时间:2026-03-04
USB转232电路图
时间:2026-03-04
转角测量电路
时间:2026-03-05
经典的正弦波发生电路
时间:2026-03-05
电风扇红外遥控器2
时间:2026-03-04
电度表的工作原理
时间:2026-03-04