当前位置:首页 > 电路图基础 > 正文

电动机的点动与连续运行控制电路图解

来源:网络  发布者:电工基础  发布时间:2026-03-08 08:39
·····/一/····· 实物图1 电路图 实物图2 控制要求:按下起动按钮SB2,电动机转动,按下停止按钮SB1,电动机停止;按钮SB3点动控制电动机转动。

·····/一/·····

电动机的点动与连续运行控制电路图解

实物图1

电动机的点动与连续运行控制电路图解

电路图

电动机的点动与连续运行控制电路图解

实物图2

控制要求:按下起动按钮SB2,电动机转动,按下停止按钮SB1,电动机停止;按钮SB3点动控制电动机转动。

在一些有特殊工艺要求、精细加工或调整工作时,要求机床点动运行,但在机床加工过程中,大部分时间要求机床要连续运行。即要求电动机既能点动工作,又能连续运行,这时就要用到电动机的点动与连续运行控制电路

我们把点动与连续控制功能集中在一个电路中,此电路既能实现点动功能又能实现连续运行功能。如现实中,正常情况下电机一直连续运行,如果遇到故障维修,或某种手动操作时,这时又需要点动功能,那么此电路即可实现。在我们老式的车磨刨铣的机床上就有此电路。此电路中我们认识学习到一个新的元器件-中间继电器。中间继电器的种类也非常之多,在这里不做过多介绍。中间继电器起到功能、信号转换作用,其触点不能用于主电路,只能在控制电路中使用。

当按下SB2按钮,中间继电器线圈得电吸合,此时常开触点闭合,实现自锁,接通接触器KM线圈回路,接触器吸合,电机运行,此时电机处于连续运行状态,所以SB2按钮的功能是连续运行功能,按下停止按钮SB1电机停止。

当按下SB3按钮时,接触器KM1回路接通,电机运行,但松开按钮,KM1失电,电机停止。所以SB3按钮的功能是点动功能。

·····/二/·····

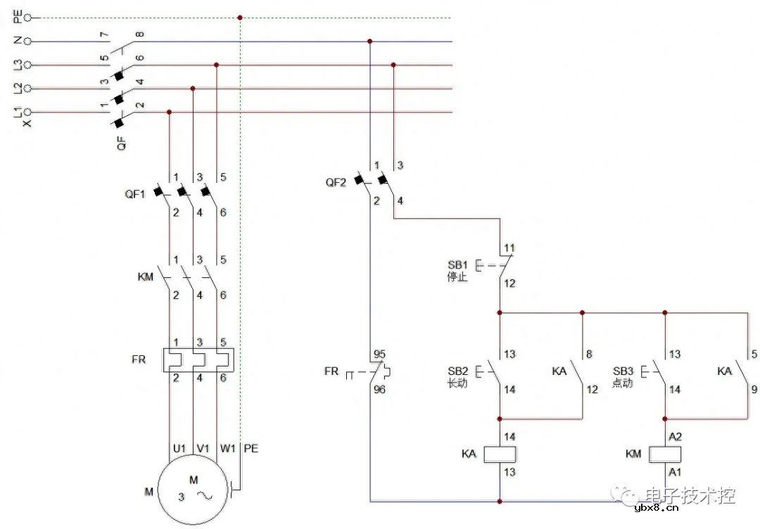
电动机的点动与连续运行控制电路图解

电路图

电动机的点动与连续运行控制电路图解

实物图1

电动机的点动与连续运行控制电路图解

实物图2

控制要求:按下起动按钮SB2,电动机转动,按下停止按钮SB1,电动机停止;按钮SB3点动控制电动机转动。

在一些有特殊工艺要求、精细加工或调整工作时,要求机床点动运行,但在机床加工过程中,大部分时间要求机床要连续运行。即要求电动机既能点动工作,又能连续运行,这时就要用到电动机的点动与连续运行控制电路。

我们把点动与连续控制功能集中在一个电路中,此电路既能实现点动功能又能实现连续运行功能。如现实中,正常情况下电机一直连续运行,如果遇到故障维修,或某种手动操作时,这时又需要点动功能,那么此电路即可实现。在我们老式的车磨刨铣的机床上就有此电路。此电路中我们认识学习到一个新的元器件-中间继电器。中间继电器的种类也非常之多,在这里不做过多介绍。中间继电器起到功能、信号转换作用,其触点不能用于主电路,只能在控制电路中使用。

当按下SB2按钮,中间继电器线圈得电吸合,此时常开触点闭合,实现自锁,接通接触器KM线圈回路,接触器吸合,电机运行,此时电机处于连续运行状态,所以SB2按钮的功能是连续运行功能,按下停止按钮SB1电机停止。

当按下SB3按钮时,接触器KM1回路接通,电机运行,但松开按钮,KM1失电,电机停止。所以SB3按钮的功能是点动功能。

控制要求:按下起动按钮SB2,电动机转动,按下停止按钮SB1,电动机停止;按钮SB3点动控制电动机转动。

本节的实现方法与点动与连续运转控制电路(一)不同,SB3为复合按钮。

按下SB2按钮,接触器得电吸合,辅助触点闭合形成自锁,实现连续运行功能,按下停止按钮,电机停转。所以SB2按钮的功能是连续运行功能。

图中SB3按钮,我们可以看出使用的是复合按钮,现实中,按钮一般都是复合按钮,至少分别带一对常开触点和一对常闭触点,所以此按钮按下时,首先是常闭触点断开,其次是常开触点闭合,因为按钮属于机械按钮,还是有先后之分的。按下SB3按钮,常开触点闭合,接通接触器线圈,电机运行,但这时SB3按钮的常闭触点断开,断开了KM1触点的自锁回路,所以按钮松开后,接触器失电,实现点动运行功能。

  审核编辑:汤梓红

相关热词:#电路图

热门文章
彩灯电路彩灯电路

时间:2026-03-05

电动机单线远程正反转控制电路图电动机单线远程正反转控制电路图

时间:2026-03-04

三相异步电动机的拆装详讲三相异步电动机的拆装详讲

时间:2026-03-04

三相异步电动机原理三相异步电动机原理

时间:2026-03-04

USB转232电路图USB转232电路图

时间:2026-03-04

三相异步电动机的七种调速方式三相异步电动机的七种调速方式

时间:2026-03-04

转角测量电路转角测量电路

时间:2026-03-05

经典的正弦波发生电路经典的正弦波发生电路

时间:2026-03-05

电风扇红外遥控器2电风扇红外遥控器2

时间:2026-03-04

电度表的工作原理电度表的工作原理

时间:2026-03-04