SC Express系列产品介绍
NI SC Express系列产品提供集成信号调理的PXI Express数据采集设备,可用于应变片、基于桥路的传感器、热电偶以及高电压模拟输入信号等的测量。该系列产品在精度的提高、高数据吞吐量、严格时间同步等方面的优异性能,使其成为各种通道数配置的高级测量系统的理想选择。
图1. SC Express数据采集(DAQ)模块包含用于测量传感器和高电压的集成的信号调理模块
许多传感器的信号在输出前都需要进行调理之后才能精确数字化。信号调理的典型应用包括放大、激励、隔离和滤波。多年以来,工程师通过分离连接到数据采集系统的前端系统来实现信号调理,而后再将经过调理以后的模拟信号转换为数字量。技术的更新和设备的小型化使得现在公司能够将信号调理和模数转换功能集成到同一个设备中,避免使用容易导致出错的连接电缆和转接器,就可以达到更高的测量精度。针对每种测量类型的SC Express模块都具有独特的设计以获得更佳的精度,包括热电偶测量可以具有更低的恒温误差、桥路测量的精度无需依赖于激励电压的精度。
SC Express模块搭建于x1 PXI Express总线上,每个设备有250 MB/s的专用带宽。由于PXI Express提供的额外带宽,SC Express模块能够使用和多路复用设备相同的通道数和连接性进行同步采样。不同与以往的多路复用设备,采样率会随着通道数的增加而降低,现在,您可以使用同步采集设备在增加通道数的同时保持采样率不变。
图2. SC Express模块可与PXI平台上超过1,500种I/O设备实现同步
在过去的十多年中,PXI平台为测量系统提供了高级定时和同步功能。PXI Express建立在PXI的性能之上并添加了附加的定时和同步特性,如100 MHz差分系统时钟、差分信号传输及差分星形触发。通过差分时钟和同步,PXI Express系统对仪器时钟的噪声抑制能力更佳了并且能以更高的频率进行传输。SC Express系列通过PXI Express总线来实现单一机箱或多个机箱中模块与模块间的严格时间同步。当需要在PXI平台上同步超过1,500个模块时,SC Express能够提供高灵活性,帮助您开发测量系统,从而满足您的应用需求。
NI PXIe-4330 24位同步桥路输入模块针对高性能应力、载荷、力和扭矩测量应用提供.02%的标准精度和每通道25 kS/s的采样率。桥路输入模块采用比率计的设计,即模数转换(ADC)参考激励电压,从而能达到更高精度。该方法使测量无需依赖于激励电压的稳定性和精度。此外,通过使用独特的delta-sigma ADC能同时提供卓越的AC性能和DC精度,而传统的delta-sigma ADC仅仅能提供不错的AC规范参数。
图3. 您可以使用带TB-4330 前置接线盒的NI PXIe-4330来实现螺栓端子连接
NI PXIe-4330能执行四分之一桥路、半桥和全桥测量并具有自动同步特性;所包含的驱动软件确保了多模块和机箱之间的严格时间同步,且通道间的同步偏移仅5 ppb。该设备可向每条通道提供.625至10 V的激励,并具有远程探测功能(remote sensing)以补偿由于连接电压源和桥路间导线的电阻所造成的误差。为了提高灵活性,内置完整桥路(120 W,350 W和1 kW)和分路校准(50 kW,100 kW),而这些设置对每个通道都是软件可选的。您应选用NI PXIe-4330和NI TB-4330前置接线端子来直接连接信号和传感器。

图4. NI PXIe-4330 具有内置反锯齿滤波器,可消除高频噪声
8通道桥路输入模块能在单个机箱中扩展至136条通道的系统,多机箱间同步时可扩展至数千条通道。高精度、同时开始特性以及同步特性使NI PXIe-4330模块成为高通道数结构测试应用的理想选择,如风洞、桥梁监测和碰撞试验等。
NI PXIe-4353热电偶模块可在32条通道的测量中达到.30 °C标准精度和24位分辨率。NI TB-4353恒温接线盒提供强大的冷端补偿(CJC)能力,可达到较高的精度水平。CJC通过在冷端提供补偿温度并应用适当的修正来改善测量精度。恒温接线盒通过优化热传导的特殊设计最小化误差,使得内置的CJC热敏电阻能够精确测量热电偶端的温度。TB-4353前置接线盒包含8个分布于接线盒中的CJC热敏电阻,能够准确测量接线盒内各个位置的冷端温度。

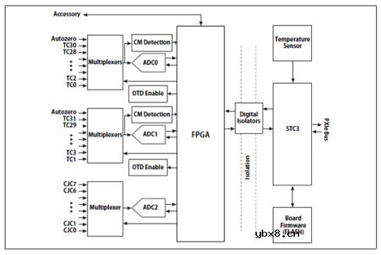
图5. NI PXIe-4353通过3个ADC多路复用32条热电偶通道,8条CJC通道及两条自动清零通道。
为了获得更高的性能,NI PXIe-4353在三个不同的ADC上共享输入,支持多种定时模式(最大90 S/s/ch),能够在速度、精度和噪声抑制三方面之间达到性能平衡。 模块还包含300 Vrms CAT II组隔离,使得在各类应用环境都能获得高灵活性,同时能消除串扰。组隔离允许连接浮地热电偶以及连接相对机箱地高达300 V共模电压的热电偶。此外,模块配有2个自动清零通道,用于补偿偏移误差,同时也用于每条通道上的热电偶开路检测电路。
32通道热电偶模块能在单台机箱中扩展成544通道系统,多机箱间同步时可扩展到数千条通道。平台的高精度和扩展性使NI PXIe-4353非常适合精确测量应用,无论针对单通道还是大型系统,如燃料电池测试、温度实验箱监控。
NI PXIe-4300可以同步测量8个高达±300 V差分高电压的模拟输入信号。该模块具有300 Vrms通道间CAT II隔离、3,300 Vrms通道与地之间5秒抗压,从而保护用户和设备免受危险电压侵害。测量类型II专门用于电路与配电系统直接连接的测量应用场合。该类型是指地区级配电,如标准民用电压输出(美国115 V,欧洲230 V)。
NI PXIe-4300模块每条通道都配备一个16位ADC,可以达到250 kS/s每通道的采样率,能够以每块模块4 MB/s以及单机箱68 MB/s的速率进行传输。由于NI PXIe-4300采用了PXI Express技术,用户即使同时使用数十个模块的采集通道以最高采样率进行采集也不会超出总线传输带宽限制。为了消除高频噪声,NI PXIe-4300还在每条通道上提供了可编程的低通滤波器(10 kHz,100 kHz,旁通)。
对于±10 V信号输入可选用NI TB-4300连接盒;±300 V信号输入可选用NI TB-4300B连接盒。TB-4300是严格的馈通接线盒。TB-4300B提供30:1的输入信号衰减,附带高电压保护电路。比例常数保存在EEPROM中,驱动软件会根据选择的范围决定比例数值自动应用到信号上。TB-4300和TB-4300B都是前置的螺丝端子接线盒。
该8通道模拟输入模块能在单个机箱中扩展至136条通道的系统,多机箱间同步时可扩展至数千条通道。300 V电压的测量能力以及具备的CAT II通道间隔离的特性使NI PXIe-4300成为自动化测量,如燃料电池和蓄电池测试的理想选择。
SC Express系列提供了软硬件上的易用特性,缩短安装和开发时间。集成的信号调理和智能接线盒简化了硬件安装;同时,新型桥路通道类型和多设备任务等软件特性缩短了软件开发时间。
在同一设备上集成信号调理和ADC使得设备尺寸更小、测量性能更高。集成的信号调理使设备组件更少从而简化了线缆管理和校准,进而降低了大通道数测量系统的安装和维护成本。
|
SC Express 模块 |
SC Express 接线盒 |
|
NI PXIe-4330 桥路输入 (25 kS/s/ch) |
TB-4330 |
|
NI PXIe-4353 热电偶输入 |
TB-4353 恒温 |
|
NI PXIe-4300 高电压模拟输入 |
TB-4300 (10 V) |
|
TB-4300B (300 V) |
表1. 每个SC Express模块都有专用的兼容接线盒
SC Express前置接线盒具备特定测量类型的信号调理功能,使用螺丝端子进行连接。每个模块类型都有专用的接线盒,其中NI PXIe-4300高电压模拟输入模块可以使用两个不同的接线盒,如表1中列举。前置接线盒具有相同的外观,因此设计了不同的防反插装置使其仅能匹配合适的模块。此设计避免了用户误将高电压接线盒与低电压传感器模块相连接。
图6. SC Express前置接线盒设计有防反插装置,仅匹配合适的模块
SC Express前置接线盒不仅能在软件中自动识别,同时还是可热插拔的。这就使故障检查更易于实施,因为用户能在PXI测量系统不断电的情况下连接和移除接线盒。最后,每个接线盒都包含对准卡槽,防止在将接插件连接到PXI Express模块的过程中弄断引脚。智能接线盒有助于缩短安装和故障检排时间从而提高效率。
NI-DAQmx驱动软件包含针对桥路测量的新特性,如可以为力、压力、和扭矩测量定制通道类型。这就允许用户从DAQ助手或NI-DAQmx API中选择合适的测量类型。测量结果的物理单位可以选择N、lb、Pa、psi、Nm等。DAQ助手和NI-DAQmx API中的这些通道类型包括偏移消除和分路校准功能。新的通道类型允许用户根据传感器制造商提供的规范参数选择输入斜率和截距、表格或多项式系数来设置单位转换。美国国家仪器公司不断在软件上实现突破,不断简化数据采集和传感器测量的编程。

图7. NI-DAQmx驱动简化了针对应力、力、压力和扭矩测量应用的编程
美国国家仪器公司同时还增强了NI-DAQmx驱动性能,采用创新方法对单个机箱中多块SC Express系列板卡进行配置,从而实现同步。您可通过一个NI-DAQmx多设备任务添加来自不同板卡的各种测量类型的通道。您可以使用图8中显示的简单的NI LabVIEW代码对18槽PXI 机箱多达544个通道进行同步。
[+] 放大图片
图8. 使用相同的NI-DAQmx代码使用1至544通道进行采集
SC Express系列产品拥有PXI平台上最高性能的数据采集和信号调理功能。其精度和数据吞吐的提高以及最佳的同步性能,使您可以设计出灵活、高扩展性的数据采集系统,涵盖了从低通道数至高通道数的各类应用。美国国家仪器公司的高级PXI Express技术和易用的软件特性能帮助您缩短开发时间,应对最复杂的测量需求。
多业务广域网解决方案
时间:2026-03-05
无线网络新技术_无线MESH网络是什么
时间:2026-03-05
简单无线mesh网络搭建
时间:2026-03-05
无线mesh网络特点
时间:2026-03-05
无线接入方式有哪些
时间:2026-03-05
无线接入器是什么
时间:2026-03-05
无线中继器安装操作步骤
时间:2026-03-05
无线中继器怎么设置_怎样用中继器增强wifi无...
时间:2026-03-05
tplink无线中继器设置
时间:2026-03-05
无线怎么防止别人蹭网
时间:2026-03-05
瞬间抑制二极管(TVS)/瞬间抑制二极管(TVS)是...
时间:2026-03-04
什么是霍尔传感器
时间:2026-03-05
半导体材料的主要种类有哪些?
时间:2026-03-04
高级封装,高级封装是什么意思
时间:2026-03-04
数字比较器,数字比较器是什么意思
时间:2026-03-04
常用整流二极管型号大全
时间:2026-03-04
S/HS固态继电器原理简介
时间:2026-03-04
稳压二极管的选用和代换
时间:2026-03-04
TVS器件的电特性有哪些
时间:2026-03-04
TVS二极管的分类/应用,TVS二极管的特点/选用...
时间:2026-03-04