当前位置:首页 > 电工基础 > 正文

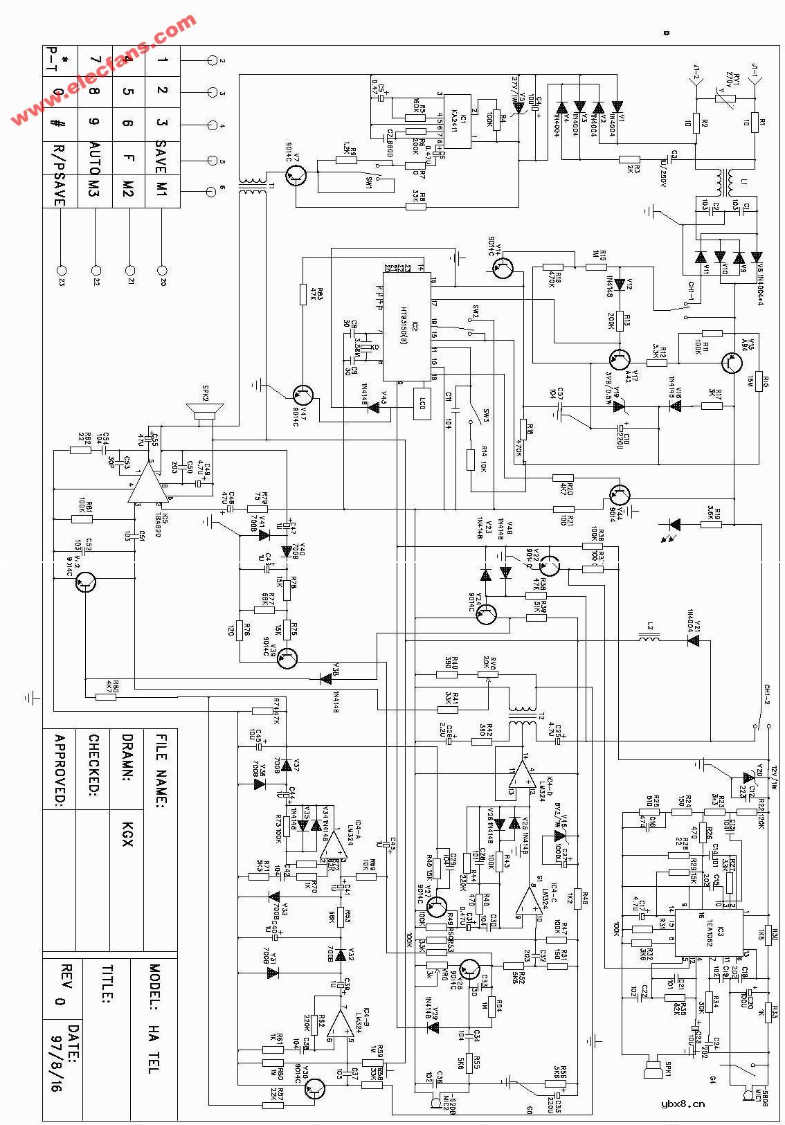
LM324+TBA820免提通话电路的电话机电路图

来源:网络  发布者:电工基础  发布时间:2026-03-05 06:44
LM324+TBA820免提通话电路的电话机电路

LM324+TBA820免提通话电路的电话机电路图

LM324+TBA820免提通话电路的电话机电路

相关热词:#LM324

最新文章
多业务广域网解决方案多业务广域网解决方案

时间:2026-03-05

无线网络新技术_无线MESH网络是什么无线网络新技术_无线MESH网络是什么

时间:2026-03-05

简单无线mesh网络搭建简单无线mesh网络搭建

时间:2026-03-05

无线mesh网络特点无线mesh网络特点

时间:2026-03-05

无线接入方式有哪些无线接入方式有哪些

时间:2026-03-05

无线接入器是什么无线接入器是什么

时间:2026-03-05

无线中继器安装操作步骤无线中继器安装操作步骤

时间:2026-03-05

无线中继器怎么设置_怎样用中继器增强wifi无线信号无线中继器怎么设置_怎样用中继器增强wifi无...

时间:2026-03-05

tplink无线中继器设置tplink无线中继器设置

时间:2026-03-05

无线怎么防止别人蹭网无线怎么防止别人蹭网

时间:2026-03-05

热门文章
彩灯电路彩灯电路

时间:2026-03-05

三相异步电动机原理三相异步电动机原理

时间:2026-03-04

转角测量电路转角测量电路

时间:2026-03-05

经典的正弦波发生电路经典的正弦波发生电路

时间:2026-03-05

电度表的工作原理电度表的工作原理

时间:2026-03-04

电动机单线远程正反转控制电路图电动机单线远程正反转控制电路图

时间:2026-03-04

三相异步电动机的拆装详讲三相异步电动机的拆装详讲

时间:2026-03-04

三相异步电动机的七种调速方式三相异步电动机的七种调速方式

时间:2026-03-04

USB转232电路图USB转232电路图

时间:2026-03-04

沈乐满SR-5燃气热水器原理图沈乐满SR-5燃气热水器原理图

时间:2026-03-05