当前位置:首页 > 电子元件 > 正文

Xilinx 7系列FPGA高性能接口与2.5V/3.3V外设IO接口设计

来源:网络  发布者:电工基础  发布时间:2026-03-12 09:17

引言:Xilinx 7系列FPGA IO Bank分为HP Bank和HR Bank,HP IO接口电压范围为1.2V~1.8V,可以实现高性能,HR IO接口电压范围为1.2V~3.3V。当HR Bank与2.5V或者3.3V外设互联时,需要考虑接口电平的兼容性。

根据性能需求、功能和信号类型(输入、输出或双向),有不同的接口设计选项。本应用说明探讨诸如添加电阻器、场效应晶体管(FET)开关、电平转换器甚至其他Xilinx FPGA等选项。

1. 电阻分压设计

    一个简单的电阻负载可以将过多的信号摆动截断到FPGA的可容忍水平。如图1所示,通过从传输线到GND放置电阻器,只有驱动高压被衰减。这种解决方案可能导致信号完整性低于理想,因为下拉电阻器通常不与传输线匹配。将该下拉电阻器放置在接收器附近有助于减少不必要的反射。

Xilinx 7系列FPGA高性能接口与2.5V/3.3V外设IO接口设计



图1:下拉电阻技术     

下拉电阻器可以通过知道输出驱动器阻抗/电阻和输出驱动电压(VCC)来确定。在所需的接收器输入电压定义为VRECEIVER的情况下,下拉电阻器使用等式1以及图2的有效示意图进行计算。

Xilinx 7系列FPGA高性能接口与2.5V/3.3V外设IO接口设计

Xilinx 7系列FPGA高性能接口与2.5V/3.3V外设IO接口设计

图2:带下拉电阻器的驱动器驱动逻辑1的有效示意图

带下拉电阻器的驱动器驱动逻辑1的有效示意图

表1显示了不同驱动器阻抗/电阻上2.5V和3.3V驱动器VCC的RPULLDOWN计算值。

表1:RPULLDOWN的计算值

Xilinx 7系列FPGA高性能接口与2.5V/3.3V外设IO接口设计

    由于驱动器的潜在非线性,建议通过HSPICE进行模拟以将非线性考虑在内。此外,由于阻抗不匹配,必须考虑过冲和反射。HP I/O组的VCCOMAX为2.1V。

2. 图腾柱电阻分压器设计

双电阻图腾柱解决方案允许端接与传输线匹配,以最大限度地减少反射,但代价是连续直流电流

Xilinx 7系列FPGA高性能接口与2.5V/3.3V外设IO接口设计

图3:带Thevenin并联终端的驱动器示意图

电阻器的选择必须使其组合并联电阻尽可能接近Z0。此外,必须遵守接收器的VIH和VIL电平。如图3所示,VBIAS点的概念确保输入的高信号能够以足够的强度向下驱动,以匹配输入的低信号的驱动强度。知道这个VBIAS点可以计算上拉和下拉电阻值。将端接电阻器靠近接收器,以获得最佳信号完整性。

VBIAS(方程2)的计算更为复杂,并假设输出高和低驱动强度是平衡的。

Xilinx 7系列FPGA高性能接口与2.5V/3.3V外设IO接口设计

在获得VBIAS之后,可以计算RPULLUP和RPULLDOWN,如等式3所示:

Xilinx 7系列FPGA高性能接口与2.5V/3.3V外设IO接口设计

表2显示了对于2.5V和3.3V的驱动器VCC的RPULLUP和RPULLDOWN的计算值。

表2:RPULLUP和RPULLDOWN的计算值

Xilinx 7系列FPGA高性能接口与2.5V/3.3V外设IO接口设计

使用图3中的拓扑图,驱动器的输出阻抗必须足够小,才能达到接收器的VIH和VIL阈值。此外,输出阻抗必须足够大,以免过驱动接收器的推荐工作电压(VIHMAX)。在7个系列FPGA中,LVCMOS18的VIHmax为2.1V。ZDRIVER(MAX)和ZDRIVER(MIN)的计算分别如方程4和方程5所示。

Xilinx 7系列FPGA高性能接口与2.5V/3.3V外设IO接口设计

表3显示了对于2.5V和3.3V的驱动器VCC的ZDRIVER(MAX)和ZDRIVER(MIN)的计算值。

表3:ZDRIVER(最大值)和ZDRIVER(最小值)的计算值

Xilinx 7系列FPGA高性能接口与2.5V/3.3V外设IO接口设计

在ZDRIVER(MAX)处,逻辑1和逻辑0正好有300mV的裕度。随着输出阻抗的减小,逻辑1裕度的增长速度快于逻辑0裕度。方程6和方程7根据实际驱动器阻抗计算精确的裕度水平。

Xilinx 7系列FPGA高性能接口与2.5V/3.3V外设IO接口设计

表4显示了2.5V和3.3V的驱动器VCC的逻辑0和逻辑1余量的计算值。

表4:逻辑0和逻辑1余量的计算

Xilinx 7系列FPGA高性能接口与2.5V/3.3V外设IO接口设计

使用等式8计算图腾柱终端每次I/O消耗的偏置功率,VCC表示上拉电压。

Xilinx 7系列FPGA高性能接口与2.5V/3.3V外设IO接口设计

表5:每个I/O的功率计算

Xilinx 7系列FPGA高性能接口与2.5V/3.3V外设IO接口设计

通过使用VBIAS的并联端接,可以在没有直流偏置的情况下实现相同的性能,而需要额外的电源导轨(图4)。如果应用程序具有大量输入,则此解决方案可能是一个更节能的选项。

Xilinx 7系列FPGA高性能接口与2.5V/3.3V外设IO接口设计

图4:示例:VBIAS拓扑的并行端接

3. 串联FET开关

串联FET开关可以保证从3.3V到1.8V的单向电压转换,并可以修改为从1.8V到3.3V工作。该器件的性能类似于与传输线串联的NMOS晶体管,如图5所示。

Xilinx 7系列FPGA高性能接口与2.5V/3.3V外设IO接口设计

图5:串联FET开关

如果晶体管的栅极被设置为1.8V+VT,则来自3.3V驱动器的信号仅高达1.8V传递到接收器。德州仪器SN74TVC16222ADGVR提供23个具有公共栅极的并联NMOS传输晶体管,如图6所示。

Xilinx 7系列FPGA高性能接口与2.5V/3.3V外设IO接口设计

图6:德州仪器SN74TVC16222ADGVR的简化示意图

为了确保从2.5V/3.3V驱动器通过的电压不超过1.8V,可以使用23个NMOS晶体管中的一个作为参考晶体管,将所有栅极电压偏置到1.8V+VT,如图7所示。

Xilinx 7系列FPGA高性能接口与2.5V/3.3V外设IO接口设计

图7:1.8V参考晶体管示例设置

2.5/3.3V的电阻器应足够高(数百kΩ) 以限制到1.8V轨道的电流。

1.8V至2.5V/3.3V带FET开关的接口

仅通过FET开关将1.8V驱动到2.5V或3.3V接收器,留下非常少或没有VIHmargin。例如,在1.8V驱动到VIH为1.7V的Spartan-6 FPGA LVCMOS25接收器的情况下,只有100 mV的裕度可用。在1.8V驱动到VIH为2.0V的Spartan-6 FPGA LVCMOS33接收器的情况下,根本没有余量。

如图8所示,接收器输入端的上拉电阻器可用于为低至高转换信号增加裕度。将RPULLUP放置在接收器附近,以获得最佳信号完整性。

Xilinx 7系列FPGA高性能接口与2.5V/3.3V外设IO接口设计

图8:FET开关上拉拓扑

在确定该电阻器的尺寸时必须特别小心,因为使其更强有助于以牺牲高-低转换信号为代价的低-高转换信号。此外,该电阻器影响低到高和高到低转换信号的定时。

将线路从FPGA驱动器的VCC充电到VIH所需的额外时间(T)(加上裕度)可以在等式9中合理估计,拓扑图如图8和图9所示。VIH是接收器的,并且Vm是高于VIH的期望裕度。t 是时间常数RPULLUP x(CFET+CLOAD)。

Xilinx 7系列FPGA高性能接口与2.5V/3.3V外设IO接口设计

表6:通过上拉电阻器充电的额外时间

Xilinx 7系列FPGA高性能接口与2.5V/3.3V外设IO接口设计

Xilinx 7系列FPGA高性能接口与2.5V/3.3V外设IO接口设计

图9:场效应管3.3V侧的示意图

上拉电阻器的存在会影响高到低的转换信号,因此驱动器阻抗必须足够低,以确保仍然满足VIL电平,减去一定量的裕度。公式10计算最大驱动器阻抗,并使用图10中的示意图作为参考。

Xilinx 7系列FPGA高性能接口与2.5V/3.3V外设IO接口设计

Xilinx 7系列FPGA高性能接口与2.5V/3.3V外设IO接口设计

图10:带上拉电阻器的驱动器驱动逻辑0的示意图

表7显示了基于各种上拉电阻值的最大驱动器阻抗值。

表7:最大驱动器阻抗与上拉电阻器

Xilinx 7系列FPGA高性能接口与2.5V/3.3V外设IO接口设计

I2C兼容性

使用具有适当电阻器上拉值的FET开关可以成功地对I2C信号进行电平转换。

4. 自动电平转换器

图11中的德州仪器TXB0108框图是一个自动方向感测液位转换器。自动感知交通方向的能力使自动级翻译器很容易进入双向系统。没有额外的控制信号,因为每个比特都有一个独立的方向传感器。该设备加起来为7.6ns
电路的传播延迟(3.3V至1.8V)。由于该设备的性质,如果线路上存在终端或其他重负载,可能会导致逻辑故障。终端和总线负载必须大于50 kΩ 以避免逻辑中断。因此,I2C和1Wire等开漏总线与这种类型的电平转换器不兼容。

Xilinx 7系列FPGA高性能接口与2.5V/3.3V外设IO接口设计

图11:自动电平转换器拓扑

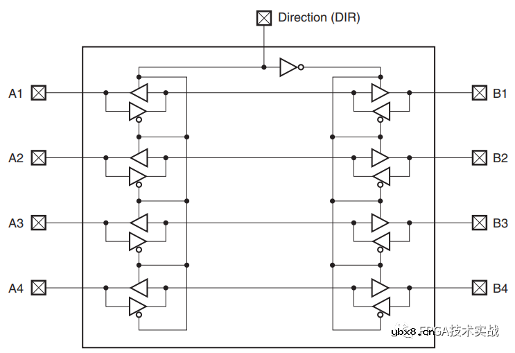
5.定向电平转换器

德州仪器SN74AVC20T245是一个20位双向电平转换器,根据DIR的逻辑将数据从A电平转换到B电平或从B电平转换到A电平(图12,第10页)。

SN74AVC20T245分为两条10位总线,每条总线具有独立的DIR控制。每个块还有一个输出使能,用于将端口A与B隔离。通过设备存在高达4.6ns的引脚到引脚传播延迟。

Xilinx 7系列FPGA高性能接口与2.5V/3.3V外设IO接口设计

图12:20位双向电平转换器拓扑

6. CPLDs and FPGAs转换

各种Xilinx器件具有2.5V和3.3V的耐受性,可适用于双向电平移动应用。Xilinx CPLD非常适合。

Xilinx CPLD非常适合在3.3V之间进行电平转换,并且可提供多达117个I/O,以支持多达58位的总线。Spartan-6 FPGA也非常适合3.3V电平转换,可提供高达530个I/O。Virtex-6 FPGA也是可行的选择,可以从2.5V切换到2.5V。非易失性Spartan-3AN系列是另一个可行的选择。

使用CPLD或FPGA可以卸载7系列FPGA的其他逻辑和任务。通过Xilinx CPLD的引脚到引脚传播延迟为5ns,而对于FPGA,这取决于通过设备的路由。

Xilinx 7系列FPGA高性能接口与2.5V/3.3V外设IO接口设计

图13:CPLD或FPGA设计示例示意图

在CPLD或Spartan设备(图13)中,IOBUF被实例化以与7系列设备接口,而另一个IOBUF用于与2.5V/3.3V逻辑接口。信号从7系列FPGA或3.3V逻辑引入设备,以识别业务方向。

7.设计指导

表8给出了几种电平转换方法的比较。7系列FPGA中的高性能I/O组能够通过一系列选项适应更高电压的接口,这些选项几乎可以满足所有设计、成本和性能需求。

表8:设计指南比较

Xilinx 7系列FPGA高性能接口与2.5V/3.3V外设IO接口设计






审核编辑:刘清

最新文章
集成电路的分类集成电路的分类

时间:2026-03-12

集成电路型号命名方法集成电路型号命名方法

时间:2026-03-12

集成电路引脚的识别集成电路引脚的识别

时间:2026-03-12

集成电路引脚的判别方法集成电路引脚的判别方法

时间:2026-03-12

集成电路的检测及故障查寻集成电路的检测及故障查寻

时间:2026-03-12

拆除集成电路的方法拆除集成电路的方法

时间:2026-03-12

三端集成稳压器的电路结构及主要特性参数三端集成稳压器的电路结构及主要特性参数

时间:2026-03-12

三端固定正稳压器三端固定正稳压器

时间:2026-03-12

使用三端集成稳压器时应注意的事项使用三端集成稳压器时应注意的事项

时间:2026-03-12

稳压器应用参考电路稳压器应用参考电路

时间:2026-03-12