当前位置:首页 > 电子元件 > 正文

一起来学习升压型(Boost or Step-up)开关电源

来源:网络  发布者:电工基础  发布时间:2026-03-12 09:19

今天我们一起来学习升压型(Boost or Step-up)开关电源

原理

让我们从下面的这个经典升压型开关电源电路开始:

一起来学习升压型(Boost or Step-up)开关电源

经典开关电源电路

实际应用中图中的开关一般是场效应管,但为了简单和好理解起见,我们用通用开关符号替代。

假设开始时的开关是断开的,电流从 10 伏电源流过电感、流过二极管,然后给电容充电。二极管两侧会有一个小小的压降,我们假设它是 0.5 伏。因此,输出电容被充电到 9.5 伏。到目前为止,我们还是在降低电压,且让我们耐心点。

一起来学习升压型(Boost or Step-up)开关电源

开关断开,电容充电

下一步,闭合开关。二极管会阻止电容放电。因此,输出电压维持在 9.5 伏:

一起来学习升压型(Boost or Step-up)开关电源

开关闭合,电压保持

但是,现在我们有一个从输入电压经过电感到地的电流通路:

一起来学习升压型(Boost or Step-up)开关电源

电流通路

如果我们一直将开关闭合,我们基本上是在通过电感将输入短路。那样的话,一些很不好的事情将会发生。

一起来学习升压型(Boost or Step-up)开关电源

电感被烧掉

我们可不想那么做。我们只是在极短的时间内闭合电感。我们仅仅闭合开关一小段时间,以便刚好足够一些电流流过电感。当我们这样做时,我们是在将电能以磁能的形式存储在电感中。

一起来学习升压型(Boost or Step-up)开关电源

现在我们在电感中以电磁能的形式存储了一些能量,我们迅速地断开开关。

一起来学习升压型(Boost or Step-up)开关电源

迅速断开开关

因为电感中的电流不会突然改变,电流只能继续流过电感、流过二极管,然后流入输出电容。也就是说,能量从电感传递到电容。随着电感中磁场的崩塌,电容两端的电压被升高了。要注意,电子的流动方向是和传统电流方向相反的,图中电感的左侧会因为电流流动而积累负电荷,相应的,右侧就会因为电子流出而出现高电压。我们的升压转换器(Boost Converter)现在已经提高了电压:

一起来学习升压型(Boost or Step-up)开关电源

迅速断开开关 电压升高

前面说过,我们不希望闭合开关的时间太长,因为时间太长会导致短路。因此,我们用一个高频的方波(Pulse Width Modulated) 来控制开关的闭合和断开:

一起来学习升压型(Boost or Step-up)开关电源

高频方波控制

通过增加控制方波的占空比,可以加快电容两端电压抬升的速度,进而提高输出电压。但是, 你如何知道输出电压到底是多少呢?课本中可能会看到这个公式(duty cycle 是指占空比):

一起来学习升压型(Boost or Step-up)开关电源

不管用的公式

这个公式只在电流很小的时候管用,在实际电路中,输出电压输出电压和方波占空比、电感的大小、开关速度、输出电路等等都相关。因此,同降压型(Buck)开关电源一样,如果我们希望建立一个真实有用的升压电源,我们需用一个一站式控制芯片。该芯片可以自动调节控制方波的占空比,以确保一个稳定的输出电压。

一站式解决方案

我们使用凌力尔特Linear Technology)的LT1370这款芯片来制作升压型开关电源:

一起来学习升压型(Boost or Step-up)开关电源

50瓦电源

电源的输入和输出端都接入了电解电容和陶瓷电容,以滤除电流中的高频信号。这是一种开关电源的常见做法:

一起来学习升压型(Boost or Step-up)开关电源

滤波电容

为了提高转换效率,我们使用肖特基二极管,正向压降越低越好:

一起来学习升压型(Boost or Step-up)开关电源

肖特基二极管

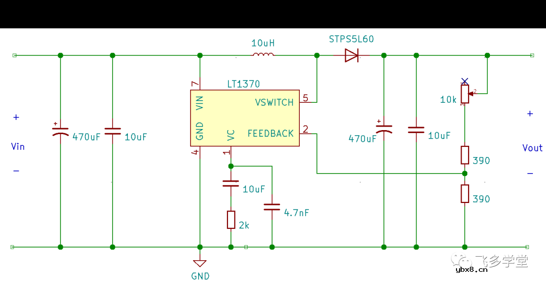
下面是可提供最大输出为 30 伏的反馈电阻网络:

一起来学习升压型(Boost or Step-up)开关电源

反馈电阻

Vout 在可调电阻为最大值(10k)时最大:

一起来学习升压型(Boost or Step-up)开关电源

下面是一些新花样,这些器件用于控制回路频率补偿,基本上,它们帮助控制器适应输出电压的微小变化,以输出干净的直流电:

一起来学习升压型(Boost or Step-up)开关电源

频率补偿

学习如何设计补偿电路需要大量复杂的数学运算和控制理论知识,本文不做讨论。好消息是,大多数时候您只需使用芯片数据表(datasheet)中的推荐值,您的电路就会跑起来。

一起来学习升压型(Boost or Step-up)开关电源

稳定回路的方法

焊起来

从把带有散热片的主控芯片焊接到洞洞板的中间开始,周围留下足够空间,以放置其他器件。保持元件连线短且焊锡足够粗。

一起来学习升压型(Boost or Step-up)开关电源

再焊接上输出电容:

一起来学习升压型(Boost or Step-up)开关电源

再焊接上反馈电阻,连线越短越好:

一起来学习升压型(Boost or Step-up)开关电源

最后,在靠近输入的地方焊接上频率补偿电阻和电容,引脚 3 和 6 悬空即可:

一起来学习升压型(Boost or Step-up)开关电源

让我们看看板子的底部。请注意我如何安排组件,以便我可以从输入到输出有一个简单的连续接地。

一起来学习升压型(Boost or Step-up)开关电源

我将陶瓷输入滤波电容直接焊接在控制器的输入引脚上。陶瓷输出滤波电容和输出电解电容平行。

一起来学习升压型(Boost or Step-up)开关电源

跑起来

现在如果你给设备上电,可以将输入电压提高到 30 伏。

一起来学习升压型(Boost or Step-up)开关电源

可以提高到 30 伏

它只能输出大约 50 瓦的功率,否则设备会过热。它的输入电流限制在 5 安培。注意我说的是输入电流限制,而不是输出电流限制。比如我们的电源输出 12 伏电压,输出电流为 1安培。因此输出功率为 12 瓦。

一起来学习升压型(Boost or Step-up)开关电源

当我用 5 伏直流电作为其输入时,它的电流达到 2.99 安培:

一起来学习升压型(Boost or Step-up)开关电源

也就是说,输入电流高于输出电流。这是因为我们不能凭空创造出能量。为了提高输出电压,我们不得不从输入攫取更多的电流。总体而言,我们的升压开关电源能达到 80% 的效率。

一起来学习升压型(Boost or Step-up)开关电源

最后,值得注意的是,出于安全原因,电路的设计限制为 30 伏输出,但来自大电容器的 30 伏输出也会造成一些损坏。

一起来学习升压型(Boost or Step-up)开关电源






审核编辑:刘清

最新文章
集成电路的分类集成电路的分类

时间:2026-03-12

集成电路型号命名方法集成电路型号命名方法

时间:2026-03-12

集成电路引脚的识别集成电路引脚的识别

时间:2026-03-12

集成电路引脚的判别方法集成电路引脚的判别方法

时间:2026-03-12

集成电路的检测及故障查寻集成电路的检测及故障查寻

时间:2026-03-12

拆除集成电路的方法拆除集成电路的方法

时间:2026-03-12

三端集成稳压器的电路结构及主要特性参数三端集成稳压器的电路结构及主要特性参数

时间:2026-03-12

三端固定正稳压器三端固定正稳压器

时间:2026-03-12

使用三端集成稳压器时应注意的事项使用三端集成稳压器时应注意的事项

时间:2026-03-12

稳压器应用参考电路稳压器应用参考电路

时间:2026-03-12