今天给大家分享的是:升压转换器短路保护方法。
一、升压转换器简介
升压转换器产生高于输入电压的输出电压,升压转换器的示例包括:
在锂电池组中产生5V充电端口
生产智能手机中的电源轨
驱动LED或者手电筒中的串联LED
基于Arduino 的项目中的电压调节器
利用单节锂电池产生高电压来运行电机。
下图为 升压转换器的简化原理图 ,由 电容 、 电感 、MOS 管和二极管构成的简单电路。通过控制占空比或者MOS管导通的时间百分比,通过闭合反馈环路来控制输出。
传递函数或者输入电压与输入电压之间的比率为Vout/Vin = 1/(1-D)。
其中 Vout 是输出电压,Vin是输入电压,D是占空比。真正的升压转换器会有一个PWM控制器芯片,但在下图中没有明确显示。

升压转换器的简化原理图
这里必须要注意,如果升压转换器的输出端短路接地,则输入电压会通过电感和二极管短路接地,除了导线电阻和附加到输入电压的电源电流限制之外,没有其他因素限制流过的电流。
如果不采取措施保护升压转换器,就有可能会出现故障,并导致二极管、电感走线着火、熔化或者出现其他类型的灾难性故障。
二、一般保护策略
这里说的关于保护策略是在电源和升压转换器之间引入一个开关,用于在发生短路负载情况时将升压转换器与电源断开。
该开关可以实现为MOS管、负载开关、具有内置保护开关的升压转换器集成电路或者保险丝。
三、使用MOS管进行保护
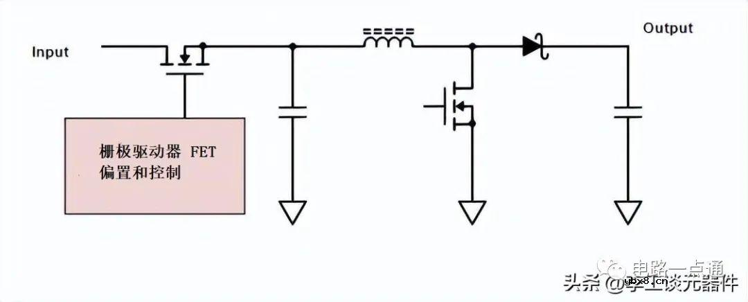
添加到升压转换器前端的 MOS 可用于断开电源和升压转换器的连接。简化的原理图可以看下面 2 个图。
1、N 沟道 MOS 管
MOS管可能需要额外的电路来偏置栅极。N 沟道MOS管要求其栅极电压高于其源极端子。这可能需要栅极驱动器IC或者电荷泵。

升压转换器的简化原理图,在电源和升压转换器输入之间具有一个用于短路保护的 n 沟道 MOSFET
2、P 沟道 MOS 管
P 沟道MOS管要求将栅极拉至其源极端子以下,如果输入电压足够高,P沟道MOS管的栅极可以打开MOS管。

升压转换器的简化原理图,在电源和升压转换器输入之间具有用于短路保护的 p 沟道 MOSFET
因此使用 P沟道MOS管可能是最简单和最容易的选择。
请注意,在两个原理图中,NOS管体二极管都从升压转换器指向电源,因此除非MOS管导通,否则电流会被阻断。为此应用MOS时,漏源电压额定值、RDS(ON)和栅极电压阈值是需要考虑的重要数据。
漏源电压额定值应比最大输入电压高几个电压。通态电阻应该足够低,不会产生许多损失。
栅极阈值电压应该足够低 ,这样的话可以方便MOS管轻松开启和关闭。
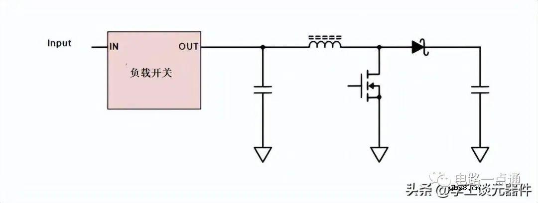
四、使用负载开关进行保护
负载开关是集成附加电路的功率MOS管,其功能可能包括偏置MOS栅极的电荷泵和电平转换器。以及在电流过大时关闭开关的过流保护功能。
与使用 MOS 相比,使用负载开关具有以下优点 :
减少 BOM 数量
减少PCB占地面积
降低设计的复杂性,因此不需要添加额外的控制电路。

升压转换器的简化原理图,其输入端带有用于短路保护的负载开关。
五、具有内置保护的升压转换器控制器
实用的升压转换器由调节功率转换的集成电路控制,其中一些升压转换器控制电路具有内置保护机制,例如负载开关,使用具有内置保护功能的控制器可简化设计,减少BOM数量并减少PCB占地面积。具有保护功能的升压转换器IC的包括: LM4510 和 TPS61080。

具有内置保护的升压转换器IC的简化示例
六、保险丝保护
可以在升压转换器的输入或者输出上放置保险丝,以防止出现短路负载情况。有关如何完成操作的示例,请看下图。

升压转换器输入或输出上的保险丝保护。请注意,负载开关和 MOSFET 保护电路也可以放置在升压转换器输出和负载之间,如图所示的熔断器保护电路。
这里还是建议使用上面的其他办法,因为带保险丝的设计比较麻烦。如果发生短路,保险丝将熔断并必须更换。如果转换器正常工作,使用额外保护MOS关、负载开关或者集成保护电路构建的电路将不需要更换任何组件。
这样的话可以节省更换烧毁保险丝的时间和钱。
审核编辑:汤梓红
用于PWM滤波的二阶RC低通滤波电路详解
时间:2026-03-12
STM32如何通过FSMC点亮LCD
时间:2026-03-12
日企市场份额占比超9成,国内第四代半导体材...
时间:2026-03-12
韩国芯片卖不动,连续3个月出口骤减,逆周期...
时间:2026-03-12
CFMS2023圆满落幕!产业大咖精彩演讲内容合...
时间:2026-03-12
英特尔联合创始人戈登•摩尔去世,享年94岁
时间:2026-03-12
全志科技实现RISC-V的多点开花
时间:2026-03-12
BLDC电机越来越流行,集成控制方案将是未来...
时间:2026-03-12
兆易创新专利纠纷案胜诉!涉案金额7050万元
时间:2026-03-12
元器件库存惊人,谁先走出下行周期?
时间:2026-03-12
玻璃釉电容器的结构与特点
时间:2026-03-05
电阻的标称阻值和允许偏差
时间:2026-03-05
压敏电阻有正负极吗
时间:2026-03-05
变压器并列运行的条件浅析
时间:2026-03-06
电容器入门教程
时间:2026-03-05
关于STM32WL LSE 添加反馈电阻后无法起振的...
时间:2026-03-05
可调电阻怎么接线
时间:2026-03-05
压敏电阻坏了怎么替代
时间:2026-03-05
压敏电阻爆裂的原因分析
时间:2026-03-05
暑期买元器件下单立减还送华为P30pro
时间:2026-03-05