晶闸管的保护措施
电力电子装置可能的过电压——外因过电压和内因过电压
外因过电压:主要来自雷击和系统操作过程等外因
操作过电压:由分闸、合闸等开关操作引起
雷击过电压:由雷击引起
内因过电压:主要来自电力电子装置内部器件的开关过程
换相过电压:晶闸管或与全控型器件反并联的二极管在换相结束后,反向电流急剧减小,会由线路电感在器件两端感应出过电压。
关断过电压:全控型器件关断时,正向电流迅速降低而由线路电感在器件两端感应出的过电压。
过电压保护措施

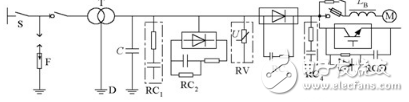
过电压抑制措施及配置位置
F-避雷器 D-变压器静电屏蔽层 C-静电感应过电压抑制电容
RC1-阀侧浪涌过电压抑制用RC电路 RC2-阀侧浪涌过电压抑制用反向阻断式RC电路
RV-压敏电阻过电压抑制器 RC3-阀器件换相过电压抑制用RC电路
RC4-直流侧RC抑制电路 RCD-阀器件关断过电压抑制用RCD电路
电力电子装置可视具体情况只采用其中的几种。
其中RC3和RCD为抑制内因过电压的措施,属于缓冲电路范畴。
过电流——过载和短路两种情况
保护措施

过电流保护措施及配置位置
同时采用几种过电流保护措施,提高可靠性和合理性。
电子电路作为第一保护措施,快熔仅作为短路时的部分
区段的保护,直流快速断路器整定在电子电路动作之后实现保护,过电流继电器整定在过载时动作。
快熔对器件的保护方式:全保护和短路保护两种
全保护:过载、短路均由快熔进行保护,适用于小功率装置或器件裕度较大的场合。
短路保护:快熔只在短路电流较大的区域起保护作用。
对重要的且易发生短路的晶闸管设备,或全控型器件,需采用电子电路进行过电流保护。
常在全控型器件的驱动电路中设置过电流保护环节,响应最快 。
microBUCK® 同步降压稳压器获中国人工智能...
时间:2026-03-12
超薄MTC封装130A~300A三相桥式功率模块具有...
时间:2026-03-12
如何学好单片机?
时间:2026-03-12
总结了60种硬件工程师常用封装实物图
时间:2026-03-12
常用电子元器件的划分与识别
时间:2026-03-12
脑机接口最新科研进展,以“半侵入性”方式...
时间:2026-03-12
国内主要碳化硅衬底供应商产能分析,与海外...
时间:2026-03-12
KT1025A双模蓝牙音频文件加密说明
时间:2026-03-12
晶晨半导体8K智能机顶盒SoC芯片S928X特性解...
时间:2026-03-12
纳微半导体2022年第四季度及全年财报亮眼 ...
时间:2026-03-12
电阻的标称阻值和允许偏差
时间:2026-03-05
玻璃釉电容器的结构与特点
时间:2026-03-05
压敏电阻有正负极吗
时间:2026-03-05
变压器并列运行的条件浅析
时间:2026-03-06
电容器入门教程
时间:2026-03-05
关于STM32WL LSE 添加反馈电阻后无法起振的...
时间:2026-03-05
可调电阻怎么接线
时间:2026-03-05
压敏电阻坏了怎么替代
时间:2026-03-05
压敏电阻爆裂的原因分析
时间:2026-03-05
暑期买元器件下单立减还送华为P30pro
时间:2026-03-05