晶闸管是一种开关元件,顾名思义他的名字里面有一个闸字也就是门,开关的意思,他广泛的应用在各种电路,以及电子设备中。晶闸管是典型的小电流控制大电流的设备,他通过一个电流很小的脉冲触发晶闸管处于导通状态此时他的电阻变得很小相当于一跟导线。
晶闸管(Thyristor)是晶体闸流管的简称,又被称做可控硅整流器,以前被简称为可控硅,晶闸管是PNPN四层半导体结构,它有三个极:阳极,阴极和控制极,晶闸管(Thyristor)是一种开关元件,能在高电压、大电流条件下工作,并且其工作过程可以控制、被广泛应用于可控整流、交流调压、无触点电子开关、逆变及变频等电子电路中,是典型的小电流控制大电流的设备。1957年,美国通用电器公司开发出世界上第一个晶闸管产品,并于1958年使其商业化。

晶闸管按其关断、导通及控制方式可分为普通晶闸管(SCR)、双向晶闸管(TRIAC)、逆导晶闸管(RCT)、门极关断晶闸管(GTO)、BTG晶闸管、温控晶闸管(TT国外,TTS国内)和光控晶闸管(LTT)等多种。
晶闸管按其引脚和极性可分为二极晶闸管、三极晶闸管和四极晶闸管。
晶闸管按其封装形式可分为金属封装晶闸管、塑封晶闸管和陶瓷封装晶闸管三种类型。其中,金属封装晶闸管又分为螺栓形、平板形、圆壳形等多种;塑封晶闸管又分为带散热片型和不带散热片型两种。
晶闸管按电流容量可分为大功率晶闸管、中功率晶闸管和小功率晶闸管三种。通常,大功率晶闸管多采用陶瓷封装,而中、小功率晶闸管则多采用塑封或金属封装。
晶闸管按其关断速度可分为普通晶闸管和快速晶闸管,快速晶闸管包括所有专为快速应用而设计的晶闸管,有常规的快速晶闸管和工作在更高频率的高频晶闸管,可分别应用于400HZ和10KHZ以上的斩波或逆变电路中。(备注:高频不能等同于快速晶闸管)

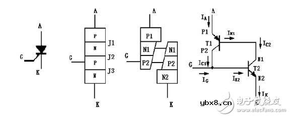
我们分析晶闸管的作用与原理的时候可以把它看作由一个PNP管和一个NPN管所组成,其等效图解如上图所当阳极A加上正向电压时,BG1和BG2管均处于放大状态。此时,如果从控制极G输入一个正向触发信号,BG2便有基流ib2流过,经BG2放大,其集电极电流ic2=β2ib2。因为BG2的集电极直接与BG1的基极相连,所以ib1=ic2。此时,电流ic2再经BG1放大,于是BG1的集电极电流ic1=β1ib1=β1β2ib2。这个电流又流回到BG2的基极,表成正反馈,使ib2不断增大,如此正向馈循环的结果,两个管子的电流剧增,可控硅使饱和导通。由于BG1和BG2所构成的正反馈作用,所以一旦可控硅导通后,即使控制极G的电流消失了,可控硅仍然能够维持导通状态,由于触发信号只起触发作用,没有关断功能,所以这种可控硅是不可关断的。由于他只有导通和关断两种工作状态,所以晶闸管具有开关特性,这也就是晶闸管的作用。
晶闸管在工作过程中,它的阳极(A)和阴极(K)与电源和负载连接,组成晶闸管的主电路,晶闸管的门极G和阴极K与控制晶闸管的装置连接,组成晶闸管的控制电路。
晶闸管为半控型电力电子器件,它的工作条件如下:
1. 晶闸管承受反向阳极电压时,不管门极承受何种电压,晶闸管都处于反向阻断状态。
2. 晶闸管承受正向阳极电压时,仅在门极承受正向电压的情况下晶闸管才导通。这时晶闸管处于正向导通状态,这就是晶闸管的闸流特性,即可控特性。
3. 晶闸管在导通情况下,只要有一定的正向阳极电压,不论门极电压如何,晶闸管保持导通,即晶闸管导通后,门极失去作用。门极只起触发作用。
4. 晶闸管在导通情况下,当主回路电压(或电流)减小到接近于零时,晶闸管关断。
4
全控型晶闸管的工作条件:
1. 晶闸管承受反向阳极电压时,不管门极承受何种电压,晶闸管都处于反向阻断状态。
2. 晶闸管承受正向阳极电压时,仅在门极承受正向电压(或电流)的情况下晶闸管才导通。这时晶闸管处于正向导通状态。
3. 一旦晶闸管开始导通,它就被钳住在导通状态,而此时门极电流可以取消。晶闸管不能被门极关断,像一个二极管一样导通,直到电流降至零和有反向偏置电压作用在晶闸管上时,它才会截止。当晶闸管再次进入正向阻断状态后,允许门极在某个可控的时刻将晶闸管再次触发导通。

晶闸管可用两个不同极性(P-N-P和N-P-N)晶体管来模拟,如图G1所示。当晶闸管的栅极悬空时,BG1和BG2都处于截止状态,此时电路基本上没有电流流过负载电阻RL,当栅极输入一个正脉冲电压时BG2道通,使BG1的基极电位下降,BG1因此开始道通,BG1的道通使得BG2的基极电位进一步升高,BG1的基极电位进一步下降,经过这一个正反馈过程使BG1和BG2进入饱和道通状态。电路很快从截止状态进入道通状态,这时栅极就算没有触发脉冲电路由于正反馈的作用将保持道通状态不变。如果此时在阳极和阴极加上反向电压,由于BG1和BG2均处于反向偏置状态所以电路很快截止,另外如果加大负载电阻RL的阻值使电路电流减少BG1和BG2的基电流也将减少,当减少到某一个值时由于电路的正反馈作用,电路将很快从道通状态翻转为截止状态,我们称这个电流为维持电流。在实际应用中,我们可通过一个开关来短路晶闸管的阳极和阴极从而达到晶闸管的关断。

集成电路的分类
时间:2026-03-12
集成电路型号命名方法
时间:2026-03-12
集成电路引脚的识别
时间:2026-03-12
集成电路引脚的判别方法
时间:2026-03-12
集成电路的检测及故障查寻
时间:2026-03-12
拆除集成电路的方法
时间:2026-03-12
三端集成稳压器的电路结构及主要特性参数
时间:2026-03-12
三端固定正稳压器
时间:2026-03-12
使用三端集成稳压器时应注意的事项
时间:2026-03-12
稳压器应用参考电路
时间:2026-03-12
玻璃釉电容器的结构与特点
时间:2026-03-05
电阻的标称阻值和允许偏差
时间:2026-03-05
压敏电阻有正负极吗
时间:2026-03-05
变压器并列运行的条件浅析
时间:2026-03-06
电容器入门教程
时间:2026-03-05
关于STM32WL LSE 添加反馈电阻后无法起振的...
时间:2026-03-05
可调电阻怎么接线
时间:2026-03-05
压敏电阻坏了怎么替代
时间:2026-03-05
压敏电阻爆裂的原因分析
时间:2026-03-05
暑期买元器件下单立减还送华为P30pro
时间:2026-03-05