集成电压比较器是一种专用的运算放大器。运算放大器在开环状态下工作,由于开环增益很大,所以比较器的输出往往不是高电平就是低电平。
集成电压比较器是一种常用的信号处理单元电路,它广泛应用于信号幅度的比较、信号幅度的选择、波形变换及整形等方面。
常用集成电压比较器的引脚排列如图18-54 所示。

下面介绍几种集成电压比较器的应用电路。
1.信号幅度比较电路
信号幅度比较就是将一个模拟量的电压信号和一个参考电压相比较。每当同相输入端电压和反相输入端电压的差值为正时,输出端输出为高电平,用UH 表示:反之,则输出为低电平,用UL表示。也就是说,当(U+ - U-)>o 时, Uo=UH ; 当(U+ - U-)
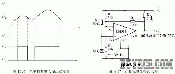
以图18-56 来说明比较器检测电平的过程。输入信号U为一幅值变化的模拟信号,当Ui大于UR 时,比较器输出为高电平UH ; 当Ui小于UR 时,比较器输出为低电平UL ; 当输入信号Ui 等于参考电压UR 时,比较器发生电平转换。
图18-57 所示电路为计算机电源检测电路,电路中使用了LM311 集成电压比较器。当电源电压Vcc低落时,它能输出告警信号,使计算机立即采取保护数据的处理措施。电路中的基准电压UR由稳压二极管VD1的稳、压值确定,根据需要可选用不同的稳压值。比较器的输入电压Ui主要由R2、R3、RP1的分压值确定,它正比于电惊电压Vcc 。正反馈电阻Rr 的主要作用是加速比较器的翻转,减少翻转的过渡时间。

电压比较器为同相连接,当Ui > UR 时, Uo=U H ; 当Ui < UR 时,Uo=U L , 电路的电平翻转门限为Ui= UR。调节电位器RP1,可使电路的适应范围扩大。
2. 过零比较电路
过零比较电路如图18-58 (a) 所示。在理想情况下,电路的输入、输出关系如图18-58(b) 所示,其中Uz 代表稳压二极管工作在反向时的稳压值, Uo 代表稳压二极管工作在正向时的压降。过零比较电路常用于信号波形的变换,如将正弦波变成矩形波等。
电工安全知识试题库
时间:2026-03-12
初级电工基础知识 初级电工考试1000题库
时间:2026-03-12
电工考试必备:100题模拟题解析
时间:2026-03-12
2023年电工证考试题模拟试题
时间:2026-03-12
电工证题库880题
时间:2026-03-12
电工考试试题(考电工证的试题)
时间:2026-03-12
高低压电工证考试题库(高压证考试题库1500...
时间:2026-03-12
免费低压电工证考试题库2023(电工证模拟考...
时间:2026-03-12
初级电工理论模拟考试(初级电工考试1000题...
时间:2026-03-12
2020电工证模拟考试题库及模拟考试答案
时间:2026-03-12
电阻的标称阻值和允许偏差
时间:2026-03-05
玻璃釉电容器的结构与特点
时间:2026-03-05
压敏电阻有正负极吗
时间:2026-03-05
变压器并列运行的条件浅析
时间:2026-03-06
电容器入门教程
时间:2026-03-05
关于STM32WL LSE 添加反馈电阻后无法起振的...
时间:2026-03-05
可调电阻怎么接线
时间:2026-03-05
压敏电阻坏了怎么替代
时间:2026-03-05
压敏电阻爆裂的原因分析
时间:2026-03-05
暑期买元器件下单立减还送华为P30pro
时间:2026-03-05