线性稳压器及LDO是什么? 都有什么优势?有什么作用?
线性稳压器是一种电子设备,是用来稳定电压的,即输入的电压有波动,而输出的电压不变。它是通过调节电路中的电阻、电容、变压器等元件,使输入的电压在变化时,输出的电压保持不变。线性稳压器通常用于低电压直流电源中,用于电子元件的供电和保护。
LDO指低压差线性稳压器,是一种特殊的线性稳压器,它可以在输入电压与输出电压之间,仅有很小的电压差,通常为几百毫伏。
LDO可以用于晶体管、操作放大器、AD/DA转换器、芯片系统等电路中,用于保持稳定的电压输出,确保电路正常工作。优点:线性稳压器和LDO都具有稳定电压输出、噪声低、简单易用、无需调整等优点。此外,LDO还具有输出电压低噪声、负载响应快、电路稳定性好等优点。
作用:线性稳压器和LDO的主要作用是稳定电压输出,以确保电路正常工作。它们广泛应用于电子元器件、电子设备、通信等领域。
线性稳压器及LDO ST L7812ABV
| 产品分类 |
线性稳压器/LDO |
|
| 系列 |
6735 |
|
| 工作温度 |
-40℃~+125℃ |
|
| 安装类型 |
DIP |
|
| 封装/外壳 |
TO220 |
|
| 拓扑结构 |
升压 |
|
| 输出电压 |
12V |
|
| 长x宽/尺寸 |
10.40 x 4.60mm |
|
| 输出电流 |
1.5A |
|
| 静态电流(最大值) |
4.4mA |
|
| 输出电压精度 |
±2% |
|
| 高度 |
9.15mm |
|
| 引脚数 |
3Pins |
|
| 原始制造商 |
STMicroelectronics |
|
| 原产国家 |
Switzerland |
|
| 存储温度 |
-65~+150℃ |
|
| 元件生命周期 |
Active |
|
| 电源抑制比(PSRR) |
60dB |
|
| 负荷调节 |
30mV |
|
| 输入电压 |
35V |
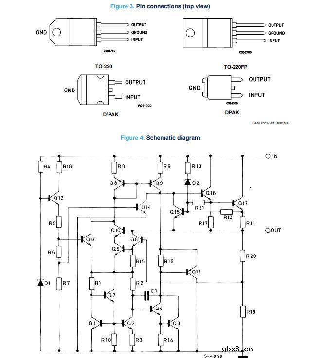
Features
• Output current up to 1.5 A
• Output voltages of 5; 6; 8; 8.5; 9; 12; 15; 18; 24 V
• Thermal overload protection • Short circuit protection
• Output transition SOA protection
• 2 % output voltage tolerance (A version)
• Guaranteed in extended temperature range (A version)
Description
The L78 series of three-terminal positive regulators is available in TO-220, TO-220FP, D²PAK and DPAK packages and several fixed output voltages, making it useful in a wide range of applications.
These regulators can provide local on-card regulation, eliminating the distribution problems associated with single point regulation. Each type embeds internal current limiting, thermal shut-down and safe area protection, making it essentially indestructible. If adequate heat sinking is provided, they can deliver over 1 A output current. Although designed primarily as fixed voltage regulators, these devices can be used with external components to obtain adjustable voltage and currents.



microBUCK® 同步降压稳压器获中国人工智能...
时间:2026-03-12
超薄MTC封装130A~300A三相桥式功率模块具有...
时间:2026-03-12
如何学好单片机?
时间:2026-03-12
总结了60种硬件工程师常用封装实物图
时间:2026-03-12
常用电子元器件的划分与识别
时间:2026-03-12
脑机接口最新科研进展,以“半侵入性”方式...
时间:2026-03-12
国内主要碳化硅衬底供应商产能分析,与海外...
时间:2026-03-12
KT1025A双模蓝牙音频文件加密说明
时间:2026-03-12
晶晨半导体8K智能机顶盒SoC芯片S928X特性解...
时间:2026-03-12
纳微半导体2022年第四季度及全年财报亮眼 ...
时间:2026-03-12
电阻的标称阻值和允许偏差
时间:2026-03-05
玻璃釉电容器的结构与特点
时间:2026-03-05
压敏电阻有正负极吗
时间:2026-03-05
变压器并列运行的条件浅析
时间:2026-03-06
电容器入门教程
时间:2026-03-05
关于STM32WL LSE 添加反馈电阻后无法起振的...
时间:2026-03-05
可调电阻怎么接线
时间:2026-03-05
压敏电阻坏了怎么替代
时间:2026-03-05
压敏电阻爆裂的原因分析
时间:2026-03-05
暑期买元器件下单立减还送华为P30pro
时间:2026-03-05