一个新的200kHz/200W环保型开关电源
1引言
当今,对额定功率200W以上的高频实用型开关电源在进行环保性能评估方面都或多或少地存在一些麻烦。它们要么EMI噪声较大,要么输入电流谐波超标或者在一定的功率封装密度下温度特性不好,可靠性差等等。要解决这些问题,一个途径是找寻新的性能更先进的变换器拓扑,另一途径就是选择新工艺,新器件以尽可能满足环保性能评估的要求。
近年来国外某些知名半导体公司花了不少力气进行器件技术的改造并研发出一系列有针对性的性能优越的新器件。例如前身为Siemens的Infineon公司近年陆续地推出专用于解决高频开关电源上述问题的一揽子器件。它们包括耐高压600V,低导通电阻(Rdson)的CoolMOS管(高频运用时温升极低,适用作Boost开关),大电流低耐压且小Rdson的OptiMOS管(特适用于Buck变换器),PFC?PWM双合一ICTDA16888(可节省空间和元件),耐高压(600V)SiC肖特基二极管(特适用于作Boost二极管)等等。这些器件都有专门特性,如果在开关电源设计中使用得当,就会事半功倍地解决问题,而且成本也得到控制。
作为范例,本文拟向读者介绍利用上述器件综合制成的一个工作频率为200kHz,功率为200W的符合环保要求的实用型开关电源。它采用第二代的CoolMOSC2作为PFC和PWM的功率开关,采用SiC肖特基二极管作为PFC二极管,OptiMOS作为同步整流开关,PFC和PWM的控制由同一块ICTDA16888实现。该电源具有宽的输入电压范围(90V~275V),80%以上的AC/DC变换效率。输出电压有两组:+5V/20A和+12V/8.3A,带有输出过载保护和输出短路保护。所有功率器件均无须加散热片,也不要求接最小的输出负载。
2电路方块图
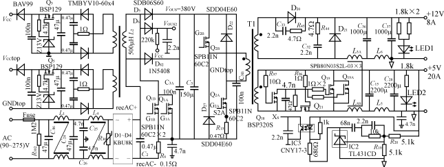
图1示出整体电源的工作框图。它是由PFC和PWM两部分组成。第一部分是一个用于功率因数校正(PFC)的AC/DC变换器,第二部分是由两个功率开关管组成的正激式脉冲宽度调制(PWM)的DC/DC变换器。PFC级是一个Boost升压变换器,它的作用是在其输出端提供一个380Vd.c.而同时在输入端保持输入电流为正弦波以获得功率因数近似等于1。PFC级另一个特点是可以让电源工作在宽电压输入范围(90V~275V)而无须再加入使整流电路重新配置的电压范围开关。所用的功率器件是两个并联运用的CoolMOS型SPB11N60C2以及一个SiC肖特基二极管SDB06S60(6A/600V)。
双管正激式变换器通过耦合变压器T1实施与电网的隔离。在变压器初级,功率器件是两个CoolMOSSPB11N60C2和两个EMCON二极管SDD04E60(4A/600V)。次级有两组输出(5Vd.c.和12Vd.c.),但它们的整流原理有所不同。12V输出使用的是传统肖特基二极管整流电路,而5V输出则使用低压MOSFETSSPB80N03S2L?03作同步整流来实现。
PFC和PWM两部分的功能控制均由一单片集成电路TDA16888来完成。
3结构/散热片设计
本电源优点之一是体积小。它由两块大小不一的双面PCB板组成。较大的一块(18cm×15cm)为主板,装有各类功率器件和无源元件,并尽量采用占地小的SMD元件。器件没有使用任何散热片,热量的散发是靠PCB板上的主铜皮将热能传递至下面的一块金属平板实现的。较小的一块(6cm×3cm)为控制板,装有控制电路,并垂直地插入到主板上。
4部件功能描述
4.1电源主板
电源主板原理如图2所示,包括以下几个部分:
(1)AC输入/EMI滤波器
SMPS的输入电压是90V~275V(50Hz/60Hz),保险丝用以在电路发生故障时,防止电源进一步损坏。输入EMI滤波器(C86,L1,L4,C24,C25,C26,C2)用以抑制由两功率开关转换时所产生的高频噪声。压敏电阻R30用以抗御来源于电网的高压浪涌。输入电源整流器(D1?D4)采用常规的硅二极管。
(2)PFC变换器
这是一个具有连续电感电流流过全负载的Boost升压变换器拓扑。开关频率为200kHz。输出电压近似为380Vd.c.。
PFC的核心部分是Boost电感器L2,开关管Q1A/Q1B,boost二极管D5和大电解电容C3。为了减少寄生电容,L2是利用单根铜线在一个环形铁粉芯上绕制一层而成。并联管Q1A/Q1B是用CoolMOS新工艺做的SPB11N60C2,它们具有高的开关速度和极低的通态电阻,这一优点在90V低输入时,因电路处在大电流和高占空比运行,所以就显得特别重要。双管并联的目的仅仅是为了扩大散热面积以便使PCB板上的热分布比较均衡。Boost二极管D5是一个600VSiC肖特基二极管,因它没有电荷贮存而具有非常好的开关特性(没有反向恢复而且没有温度对开关特性的干扰)。D82为传统的硅二极管,用于从最初的整流电压向电解电容充电,以避免SiC二极管D5在开机瞬间承受过高的浪涌电流。电解电容C3用于贮存能量以降低二次谐波的电压纹波,同时它还必须承受开关频率的电流。电容C3A专用于旁路高频谐波电流。

图1200WSMPS方块图

图2200WSMPS主板电原理图

图3变压器结构
(3)PWM变换器(双管正激式)
PWM变换器是一个双管正激式变换器拓扑。其运行频率也为200kHz。在初级一侧的主要部分是Q2A/Q2B和D22/D27。当正激晶体管Q2A/Q2B同时导通时,能量通过变压器传递至输出端。Q2A/Q2B选择具有高开关速度的CoolMOSSPB11N60C2。D22/D27则选EMCON样板二极管。在Q2A/Q2B截止期间,D22/D27是用来钳位变压器磁通复零期间由变压器漏感所生成的反馈尖峰电压。变压器T1由电解电容C3上的直流电压供电并使输出与输入隔离,使用EPCOS出品的RM组合磁芯RM14/N87(见图3),其初级绕组用绞合线Litz,次级用薄铜带绕制。
为了减少漏电感,初、次级可采用交错法(Interleaved)绕制。
次级是12V通道的D20/D21,L3A,L6和C36/C37以及5V通道的Q19/Q21,L3B,L5和C15,C28。其中D20/D21是45V标准的肖基特二极管,它们在两个时序内各起作用:D20在Q2A/Q2B导通时作为整流二极管,D21则在Q2A/Q2B晶体管截止时作为负载电流的续流通道。
(4)同步整流
在5V通道中使用了由三个低压30V/80A的OptiMOSSPB80N03S2L?03做成的同步整流器。其控制信号由次级产生。两个OptiMOSQ19和Q19A是并联的,它们共同提供“低态”PWM的续流电流通道。而OptiMOSQ21则作为串联整流之用。在变压器初级复位瞬间,PWM脉冲输出消失,同步整流器Q19/Q19A通过Q18的体二极管续流导通。当初级转变为导通时,Q18的栅极(早先处于负偏)受到次级绕组电压经电阻R97的驱动,Q18导通使Q19/Q19A截止。而Q21则在R96,L3A和L3B的联动作用下变为导通,开始新一轮的同步整流周期。
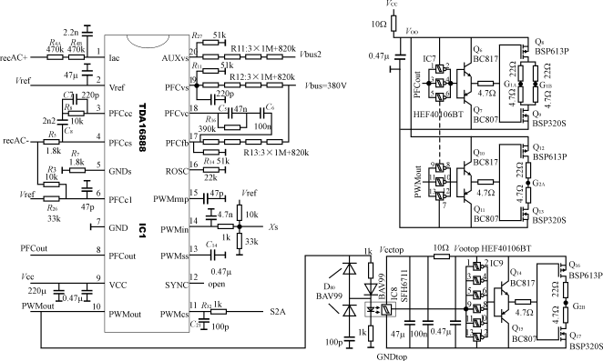
4.2控制电路
200WSMPS的控制板电路如图4所示,它是由混合双ICTDA16888及其周边元件组成。
(1)混合双ICTDA16888
TDA16888是Infineon公司近年研制的新产品,它提供对带PFC的SMPS的全控制。利用内部同步运行的PFC和PWM功能,使它适应世界范围的电压输入并适用于两级离线变换器。其PFC功能可满足IEC1000?3?2关于交流输入电流谐波限量的规定。它的外围元件较少,因而能减小整个电源的造价。
TDA16888具有确定的PFC特性如下:
——双环路控制(对平均电流和输出电压双敏感);
——作为辅助电源的附加运用方式;
——快速软开关推拉式栅极驱动(1A);
——前沿脉冲宽度调制;
——峰值电流限定;
——过压保护。
其确定的PWM特性为:
——改进型电流模式控制;
——快速软开关推拉式栅极驱动(1A);
——软启动安排;
——后沿脉冲宽度调制;
——为防止变压器饱和,最大占空比限定在50%。(2)PFC控制
TDA16888应用平均电流控制方式来提供有源功率因数校正。其PFC部分的“心脏”就是一个模拟乘法器。它为电流误差放大器OP2产生一个可规划的电流基准信号,这个信号是由已整流的输入电源电压与输出电压误差放大器的输出相乘而得到的,因此这个电流基准信号既具有输入电压的形状(双半正弦波)同时又含控制输出电压幅值的作用。通过后续的OP2以及脉冲宽度调制器和驱动器,PFC的交流输入电流就会变成近似正弦波,功率因数接近于1。而PFC的输出电压也稳定在380V。在图4电路中,电压误差放大器(具有电压敏感和补偿作用)的外部电路由R13、R14、R16、C5和C6组成。电阻R4(R4A,R4B)用于监测实际的已整流输入电压。R5、R7、R8、C7和C8是属于电流误差放大器的元件,电感电流可通过在主板上的R6的压降而受到监测。R3、R26可决定PFC的电流限值(近似6.5A)。R11、R12确定了过压的阈值。

图4200WSMPS控制板电原理图图
(3)PWM控制
TDA16888提供一个改进型电流模式控制,它带来了有效的斜率补偿以及加强了对电压尖峰的抑制。变换器初级开关电流可通过在主板的R15上的电压降经R32,C21低通滤波后,传送至PWMCS(11)脚中,经内部放大后将和PWMin(14)脚上的输出电压控制环反馈信号XS一起双双输入至内部PWM比较器C8中作比较,由它们共同决定实际占空比。C14提供PWM部分的软启动。输出电压控制环的元件R20,R19,IC2等都安放在主板变换器的次级一侧。其反馈信号的传递是通过一个低值的光耦合器IC3来完成。
(4)栅极驱动电路
考虑到运行频率很高,我们采用小信号双极型晶体管(Q6,Q7,Q10,Q11)和MOSFETs(Q8,Q9,Q12,Q13)组成的分立式高速、大电流驱动级去驱动PFC部分的功率管(Q1A,Q1B)以及PWM级的低端功率管(Q2A)。这就是为什么在PFCOUT/PWMOUT的原来栅极驱动信号输出处再插入史密特触发以及后续的分立式驱动放大器的原因。对高端功率管(Q2B)的栅极驱动,其信号同样从PWMOUT输出,通过高速光耦合器IC8(SFH6711)传递,并由IC9,Q14~Q17加以放大后再输入Q2B。为获得对Q2B的浮地供电电压Vcctop我们在PFC扼流圈L2磁芯上多设置一个独立绕组。
5测试结果
5.1效率
在近乎满载和不同的输入电压下测试的效率见表1。
由表1可见,在输入电压最高时所得效率最高,而输入电压最低时效率最低。其原因在于输入电压降低时,输入电流会升高导至输入整流器,EMI滤波器,PFC扼流圈和PFC电流敏感电阻的传导损耗增加。当开关管必须通过较高的峰值电流时,在低输入电压条件下PFC开关管电流的有效值就会升高。再者,为了使PFC级在启动时有一个较快的建立速度,晶体管以有效占空比两倍的ton时间开关着,亦即晶体管的导通时间加长引起其电流加大从而也引起PFC级的开关损耗升高。由于PWM的供电电压是从PFC输出并经过予稳压,故PWM级的特性与输入交流电压无关。
表1效率测试结果
| 输入交流电压/V | 输入功率/W | 输出功率/W | 12V绕组输出电压/V | 12V绕组输出电流/A | 5V绕组输出电压/V | 5V绕组输出电流/A | 效率/% |
|---|---|---|---|---|---|---|---|
| 90 | 224 | 180.5 | 10.24 | 8.56 | 4.85 | 19.15 | 80.6 |
| 110 | 220 | 180.6 | 10.25 | 8.56 | 4.85 | 19.15 | 82.1 |
| 150 | 215 | 180.8 | 10.25 | 8.57 | 4.85 | 19.16 | 84.1 |
| 200 | 215 | 181.5 | 10.25 | 8.65 | 4.85 | 19.14 | 84.4 |
| 230 | 215 | 181.4 | 10.24 | 8.65 | 4.85 | 19.14 | 84.4 |
| 275 | 212 | 181.4 | 10.24 | 8.65 | 4.85 | 19.14 | 85.6 |

图5传导噪声测试
(a)AV平均值检波噪声谱线(b)QP准峰值检波噪声谱线
再者,由于PWM采用带光耦合器和可变稳压ICTL431作为输出稳压反馈电路,其负载-稳压调整率也是很好的,为获得稳定输出电压无须对负载大小提出额外要求。
5.2功耗的分布
最大功耗发生在满负载和低交流输入电压条件下。这时的运行点为:Vin=90V,Pin=224W,Pout=180.5W,功耗Ploss=43.5W
利用被测部件的温度可估算出功耗的分布见表2。
表2功耗分布
| 功耗源 | 估算出的功率耗散值/W | |
|---|---|---|
| 序号 | 名称 | |
| 1 | EMI滤波器 | 1 |
| 2 | 输入整流器(D1-D4) | 3.5 |
| 3 | PFC扼流圈L2 | 3 |
| 4 | 大电容C3 | 1.5 |
| 5 | PFC晶体管Q1 | 5 |
| 6 | PFC二极管D5 | 1.5 |
| 7 | 正激开关管Q2A、Q2B | 2 |
| 8 | 变压器T1 | 5 |
| 9 | 5V整流Q19,Q21 | 3 |
| 10 | 12V整流D20,D21 | 4 |
| 11 | 输出扼流圈L3 | 5 |
| 12 | 输出电容C36,C37,C15,C28 | 2 |
| 13 | 控制,驱动,及其电源电路 | 3 |
| 14 | 其它 | 4 |
| 15 | 合计 | 43.5 |
为测试整机开关电源的传导噪声,我们根据CISPRPublication16,1977所规定的对EMI噪声的测试方法,使用EMI接收机FMLK1518以及一个电源阻抗稳定网络(LISN)NSLK8128进行测试,结果如图5所示。测试条件:Vin=230V,Pout=181.4W,整机电源放在金属盒内。
由图5可见,所测出的EMI噪声谱线均在正常限值之下。
声控开关安装接线方法_声控开关接线实物图
时间:2026-03-13
行程开关实物接线图
时间:2026-03-13
温度开关的分类_温度开关的选型
时间:2026-03-13
温度开关作用_温度开关检测及使用
时间:2026-03-13
温控开关坏了什么症状_温控开关怎么检测好坏
时间:2026-03-13
温控开关常开常闭区别
时间:2026-03-13
震动开关原理_震动开关的使用
时间:2026-03-13
四脚轻触开关原理和封装尺寸
时间:2026-03-13
轻触开关与薄膜开关的区别
时间:2026-03-13
薄膜开关基本结构_薄膜开关技术参数
时间:2026-03-13
电阻的标称阻值和允许偏差
时间:2026-03-05
玻璃釉电容器的结构与特点
时间:2026-03-05
关于STM32WL LSE 添加反馈电阻后无法起振的...
时间:2026-03-05
可调电阻怎么接线
时间:2026-03-05
压敏电阻有正负极吗
时间:2026-03-05
碳膜电阻如何识别_金属膜电阻器和碳膜电阻器...
时间:2026-03-05
变压器并列运行的条件浅析
时间:2026-03-06
电容器入门教程
时间:2026-03-05
电容的作用和工作原理 电容具有什么特点 简...
时间:2026-03-05
贴片电阻的阻值识别方法
时间:2026-03-05