双稳态电路一般有一个输出端和两个输入端(“+”、“-”端各一个),当输入端的“+”端有触发信号时,输出端不管原来是什么状态,都会立即变为高电平,且一直稳定地输出高电平。如果当输入端的“-”端有触发信号时,输出端不管原来是什么状态,都会立即变为低电平,且一直稳定地输出低电平。这就是双稳态电路。
通俗的说,就是有A和B两个状态位置,你把它拨到A它就一直处于A位置,你把它拨到B它就一直处于B位置,这就是双稳。
此开关有两稳定的状态,无触发时是不变的(不动作),当接收到触发信号时变为另一状态,再次接收到触发信号时变为原来一状态,如此反复。
图一为双稳态电路,它是由两级反相器组成的正反馈电路,有两个稳定状态,或者是BG1导通、BG2截止;或者是BG1截止、BG2导通,由于它具有记忆功能,所以广泛地用于计数电路、分频电路和控制电路中。
原理,图2(a)中,设触发器的初始状态为BG1导通,BG2截止,当触发脉冲方波从1端输入,经CpRp微分后,在A点产生正、负方向的尖脉冲,而只有正尖脉冲能通过二极管D1作用于导通管BG1的基极。ic1减小使BG1退出饱和并进入放大状态,于是它的集电极电位降低,经电阻分压器送到截止管BG2的基极,使BG2的基极电位下降,如果下降幅度足够时,BG2将由截止进入放大状态,因而产生下列正反馈过程(看下列反馈过程时,应注意:在图一的PNP电路中,晶体管的基极和集电极电位均为负值,所以uc1↓,表示BG1集电极电位降低,而uc1↑则表示BG1集电极电位升高,当BG1基极电位降低时,则ic1↑,反之当BG1基极电位升高时,ic1↓,ic1越来越小,ic2越来越大,最后到达BG1截止、BG2导通;接差触发脉冲方波从2端输入,并在t=t2时,有正尖脉冲作用于导通管BG2的基极,又经过正反馈过程,使BG1导通,BG2截止。以后,在1、2端的触发脉冲的轮流作用下,双稳电路的状态也作用相应的翻转,如图一(b)所示。

图一、双稳态电路
由上述过程可见:(1)双稳态电路的尖顶触发脉冲极性由晶体管的管型决定:PNP管要求正极性脉冲触发,而NPN管却要求负极性脉冲触发。(2)每触发一次,电路翻转一次,因此,从翻转次数的多少,就可以计算输入脉冲的个数,这就是双稳态电路能够计算的原理。
双稳态电路的触发电路形式有:单边触发、基极触发、集电极触发和控制触发等。
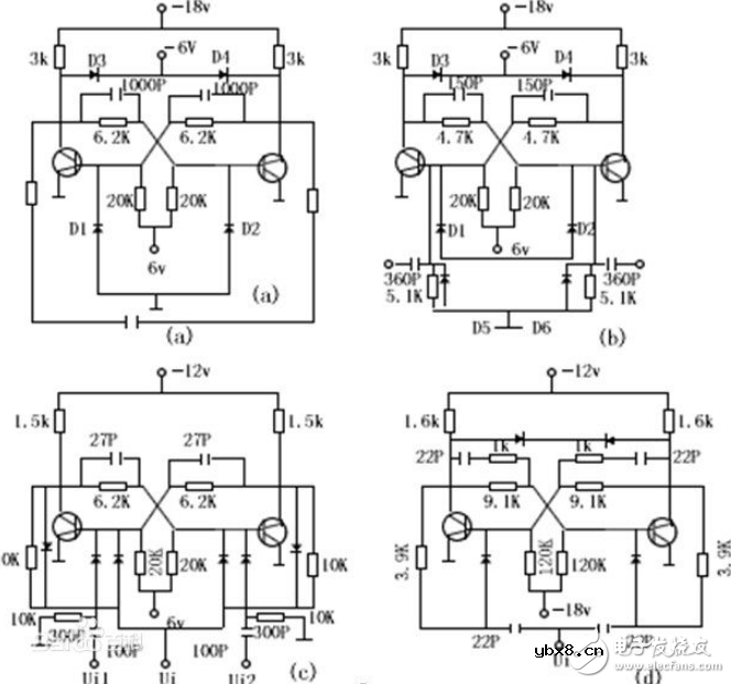
图二给出几种实用的双稳态电路。电路(a)中D3、D4为限幅二极管,使输出幅度限制在-6伏左右;电路(b)中的D5、D6是削去负尖脉冲;电路(C)中的ui1、ui2为单触发,ui为输入触发表一是上述电路的技术指标。

图二、种实用的双稳态电路
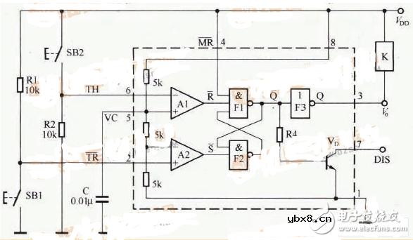
如图为双稳态开关控制电路。该控制电路在通电后,它的TH端被电阻R2拉向低电平,TR端被R1拉向高电平。这时,555电路的输出端输出低电平,继电器K为吸合状态。随后,如果按下SBl,由于TR端被拉向低电平,电路进入置位状态,输出端输出高电平,继电器断电释放,电路进入稳态;如果是按下SB2,则有高电平加至TH端,电路输出状态不变。在电路输出高电平的状态下,如果按下SB2 ,则有高电平加至TH端。这时TR端也为高电平,所以555电路翻转,输出端由高电平变为低电平,继电器通电吸合,进入另一个稳态。在随后的控制过程中,只要交替按下SB1与SB2中的一个,就会有一个对应的输出状态。只要不按下按钮,原有的输出状态就不会自动改变。

双稳态开关控制电路
声控开关安装接线方法_声控开关接线实物图
时间:2026-03-13
行程开关实物接线图
时间:2026-03-13
温度开关的分类_温度开关的选型
时间:2026-03-13
温度开关作用_温度开关检测及使用
时间:2026-03-13
温控开关坏了什么症状_温控开关怎么检测好坏
时间:2026-03-13
温控开关常开常闭区别
时间:2026-03-13
震动开关原理_震动开关的使用
时间:2026-03-13
四脚轻触开关原理和封装尺寸
时间:2026-03-13
轻触开关与薄膜开关的区别
时间:2026-03-13
薄膜开关基本结构_薄膜开关技术参数
时间:2026-03-13
电阻的标称阻值和允许偏差
时间:2026-03-05
玻璃釉电容器的结构与特点
时间:2026-03-05
关于STM32WL LSE 添加反馈电阻后无法起振的...
时间:2026-03-05
可调电阻怎么接线
时间:2026-03-05
压敏电阻有正负极吗
时间:2026-03-05
碳膜电阻如何识别_金属膜电阻器和碳膜电阻器...
时间:2026-03-05
变压器并列运行的条件浅析
时间:2026-03-06
电容器入门教程
时间:2026-03-05
电容的作用和工作原理 电容具有什么特点 简...
时间:2026-03-05
贴片电阻的阻值识别方法
时间:2026-03-05