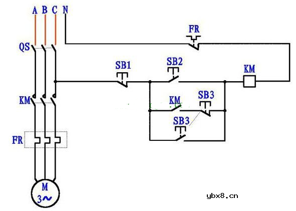
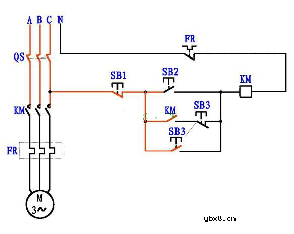
图1,是电机可点动也可自锁运行电路,如果要电机连续运行,就按SB2按钮,如果想让电机点动运行,就按SB3按钮。
图1
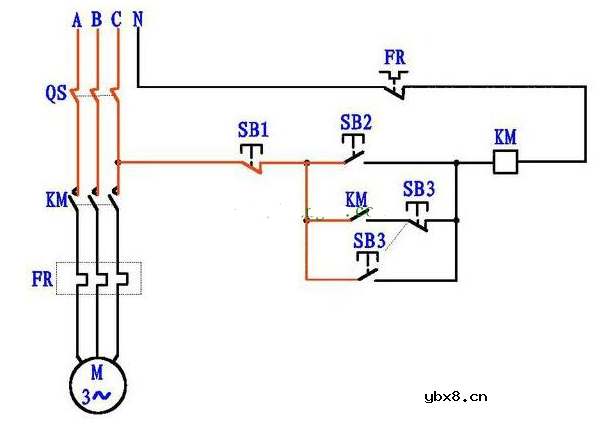
图2,如果给图中带电部分标上红色,没合断路器QS之前如图2。

图2
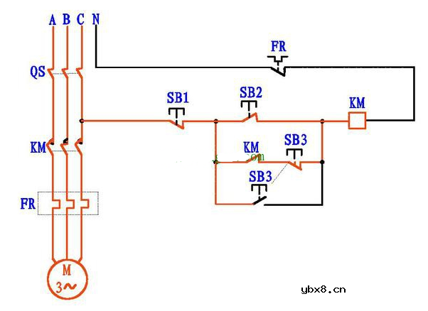
图3,合上断路器QS。

图3
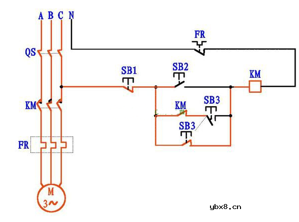
图4,连续运行,按下SB2按钮,KM线圈得电吸合,KM常开辅助触点闭合,电流通过KM常开点和SB3常闭点使接触器自锁,电机连续运行。

图4
图5,点动运行,按下SB3按钮,KM得电吸合,但由于SB3常闭点断开,接触器不能自锁。

图5
松开SB3按钮,SB3常闭点恢复闭合以前,接触器已经释放,KM常开触点断开,电机停止。如图6。

图6
责任编辑:lq
声控开关安装接线方法_声控开关接线实物图
时间:2026-03-13
行程开关实物接线图
时间:2026-03-13
温度开关的分类_温度开关的选型
时间:2026-03-13
温度开关作用_温度开关检测及使用
时间:2026-03-13
温控开关坏了什么症状_温控开关怎么检测好坏
时间:2026-03-13
温控开关常开常闭区别
时间:2026-03-13
震动开关原理_震动开关的使用
时间:2026-03-13
四脚轻触开关原理和封装尺寸
时间:2026-03-13
轻触开关与薄膜开关的区别
时间:2026-03-13
薄膜开关基本结构_薄膜开关技术参数
时间:2026-03-13
电阻的标称阻值和允许偏差
时间:2026-03-05
玻璃釉电容器的结构与特点
时间:2026-03-05
关于STM32WL LSE 添加反馈电阻后无法起振的...
时间:2026-03-05
可调电阻怎么接线
时间:2026-03-05
压敏电阻有正负极吗
时间:2026-03-05
碳膜电阻如何识别_金属膜电阻器和碳膜电阻器...
时间:2026-03-05
变压器并列运行的条件浅析
时间:2026-03-06
电容器入门教程
时间:2026-03-05
电容的作用和工作原理 电容具有什么特点 简...
时间:2026-03-05
贴片电阻的阻值识别方法
时间:2026-03-05