当前位置:首页 > 电工问答 > 正文

三菱PLC和三菱变频器之间的RS485半双工串行通讯

来源:网络  发布者:电工基础  发布时间:2026-03-05 09:03
  三菱PLC和三菱变频器之间的RS485半双工串行通讯   三菱PLC和三菱变频器之间的RS485半双工串行通讯比如用RS指令,自己看指令说明的,发送的数据要跟变频器手册上的指令字符一样,还有通讯参数要对上,比如

  三菱PLC和三菱变频器之间的RS485半双工串行通讯

  三菱PLC和三菱变频器之间的RS485半双工串行通讯比如用RS指令,自己看指令说明的,发送的数据要跟变频器手册上的指令字符一样,还有通讯参数要对上,比如通讯速率,停止位等参数,变频器用参数设置,plc这边用D8120,还需要一个485BD,这就差不多了,最好不要一直发送,像ABB变频器用M8000一直发送的话会出错,本例子是三菱plc主机上装RS-485BD通讯适配器与变频器的485PU口相连接,通过三菱PLC和三菱变频器之间的RS485半双工串行通讯来实现电动机的变频调速。

  三菱PLC和三菱变频器之间进行通讯,通讯规格必须在变频器的初始化中设定,如果没有进行设定或有一个错误的设定,数据将不能进行通讯。且每次参数设定后,需复位变频器。确保参数的设定生效,设定好参数后按如下协议进行数据通讯。

  该过程分5个阶段:

  1、计算机发出通讯请求;

  2、变频器处理等待;

  3、变频器作出应答;

  4、计算机处理等待;

  5、计算机作出应答。

三菱PLC和三菱变频器之间的RS485半双工串行通讯

  根据不同的通讯要求完成相应的过程,如写变频器启、停控制命令时则只需完成1-3三个过程;监视变频器运行频率时则需完成1-5五个过程。不论是写数据还是读数据,均有PLC发出请求,变频器只是被动接受请求并作出应答。每个阶段的数据格式均有差别。现只列出较为常用的三种格式:

三菱PLC和三菱变频器之间的RS485半双工串行通讯

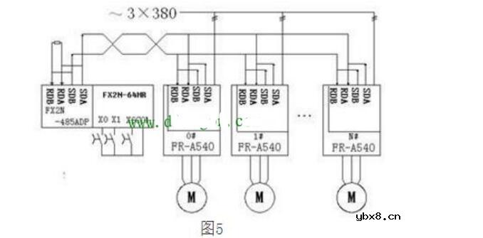
  要实现三菱PLC对三菱变频器的通讯控制,必须对三菱PLC进行编程;通过程序实现PLC对变频器的各种运行控制和数据的采集。三菱PLC程序首先应完成FX2N-485BD通讯适配器的初始化、控制命令字的组合、代码转换和变频器应答数据的处理工作。PLC通过RS-485通讯控制变频器可以完成一台乃至多台变频器的启动、停止、频率设定。硬件连接如图5所示。由于每台变频器的通讯编程方法基本相似,唯一的不同之处就是变频器的站号设置不同。

三菱PLC和三菱变频器之间的RS485半双工串行通讯


三菱PLC和三菱变频器之间的RS485半双工串行通讯

  就以PLC通过RS-485通讯控制#0变频器运行程序为例:

  变频器参数设定:

  Pr.79=1(操作模式),Pr.1=50(上限频率),Pr.3=50(基底频率),Pr.19=380(基底电压),Pr.77=2(参数写入禁止;表示即使运行时也可写入参数),Pr.117=0(变频器站号),Pr.118=192(通讯速度),Pr.119=0(停止位一位),Pr.120=2(偶校验)Pr.121=9999(通讯重试次数),Pr.122=9999(通讯检查时间间隔),Pr.123=9999(等待时间设置),Pr.124=0(无CR,无LF),

  以上程序运行时PLC通过RS-485通讯程序正转启动并且变频运行。其中X0为电动机正转以额定速度(频率)运行控制按钮,X1为电动机变频调速控制按钮,实现电动机的频率调节。

  若要对#1站的电动机进行调速控制,只要将H30和H31分别传送给D11,D12,并将变频器参数Pr.117设置为1即可。依此类推。对于不同站号的电动机的变频调速编程方法基本相同。

  控制指令如下表所示。

三菱PLC和三菱变频器之间的RS485半双工串行通讯

  注意所有指令代码和数据均以ASCII码(十六进制)发送和接收。十六进制数转换成ASCI码时,H0-H9转换成ASCI码时加H30,例H3转换成ASCI码即H3+H30=H33,而A-F转换成ASCI码时加H31。例HA转换成ASCI码即HA+H31=H41.依次类推。

  使用RS-485通讯控制,仅通过一条通讯电缆连接,就可以完成多台变频器的启动、停止、频率设定;并且很容易实现多电机之间的同步运行。该系统优点:硬件简单、可控制32台变频器。可以实现无级变速,速度变换平滑,速度控制精确,适应能力好。该系统成本低、信号传输距离远、抗干扰性强。但是也存在一定的不足之处:比如编程工作量较大,响应有延时。且必须在掌握通讯协议及相关的参数的基础上才能顺利完成编程。对于技校初学者来讲该方法掌握比较困难。

  三菱PLC和三菱变频器通讯案例

  Modbus是Modicon公司为其PLC与主机之间的通讯而发明的串行通讯协议。其物理层采用RS232、485等异步串行标准。由于其开放性而被大量的PLC及RTU厂家采用。Modbus通讯方式采用主从方式的查询-相应机制,只有主站发出查询时,从站才能给出响应,从站不能主动发送数据。主站可以向某一个从站发出查询,也可以向所有从站广播信息。从站只响应单独发给它的查询,而不响应广播消息。MODBUS通讯协议有两种传送方式:RTU方式和ASCII方式。三菱700系列变频器能够从RS-485端子使用ModbusRTU通讯协议,进行通讯运行和参数设定。

  对象:

  1.三菱PLC:FX2NFX2N-485-BD

  2.三菱变频器:F700系列,A700系列。

  两者之间通过网线连接,具体参照下图。

三菱PLC和三菱变频器之间的RS485半双工串行通讯

  FX2N-485-BD与n台变频器的连接图

三菱PLC和三菱变频器之间的RS485半双工串行通讯

  1.三菱变频器的设置

  PLC与变频器之间进行通讯时,通讯规格必须在变频器中进行设定,每次参数初始化设定后,需复位变频器或通断变频器电源。

  进行ModbusRTU协议通讯时,Pr551必须设置为2,Pr340设置为除0以外的值,Pr79设置为0或2或6。通过RS-485端子进行ModbusRTU协议通讯时,必须在NET网络模式下运行。

  2.三菱PLC的设置

  对通讯格式D8120进行设置

  D8120设置值为0C87,即数据长度为8位,偶校验停止位1位,波特率9600pbs,无标题符和终结符。

  修改D8120设置后,确保通断PLC电源一次。

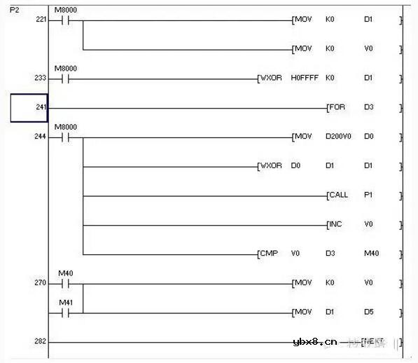
  3.通讯程序

  采用ModbusRTU协议与变频器通讯的部分PLC程序如下:

三菱PLC和三菱变频器之间的RS485半双工串行通讯


三菱PLC和三菱变频器之间的RS485半双工串行通讯


三菱PLC和三菱变频器之间的RS485半双工串行通讯


三菱PLC和三菱变频器之间的RS485半双工串行通讯


三菱PLC和三菱变频器之间的RS485半双工串行通讯

  4.程序说明

  1.当X1接通一次后,变频器进入正转状态。

  2.当X2接通一次后,写入变频器运行频率60HZ。

  3.当X3接通一次后,变频器进入停止状态。

  当指令中,变频器指令地址为0时,为广播指令,所有从站变频器只接受PLC发出指令,不向主机发送响应信息。