当前位置:首页 > 电工基础 > 正文

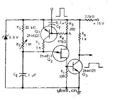
四晶体管组倍增幅度器调制电路图

来源:网络  发布者:电工基础  发布时间:2026-03-05 12:52
四晶体管组倍增幅度器调制电路图

四晶体管组倍增幅度器调制电路图

晶体管组倍增幅度器调制电路图

相关热词:#调制

最新文章
二极管组成的门限非门原理图二极管组成的门限非门原理图

时间:2026-03-05

与非门逻辑符号与非门逻辑符号

时间:2026-03-05

100kHz自激多谐振荡器电路图100kHz自激多谐振荡器电路图

时间:2026-03-05

m58-9单穏触发器电路图m58-9单穏触发器电路图

时间:2026-03-05

TTL单穏触发器电路图TTL单穏触发器电路图

时间:2026-03-05

单结晶体管单穏触发器电路图单结晶体管单穏触发器电路图

时间:2026-03-05

单稳触发电路图单稳触发电路图

时间:2026-03-05

单穏触发器电路图1单穏触发器电路图1

时间:2026-03-05

单穏触发器电路图2单穏触发器电路图2

时间:2026-03-05

非稳态多谐振荡器电路图1非稳态多谐振荡器电路图1

时间:2026-03-05

热门文章
彩灯电路彩灯电路

时间:2026-03-05

三相异步电动机原理三相异步电动机原理

时间:2026-03-04

转角测量电路转角测量电路

时间:2026-03-05

经典的正弦波发生电路经典的正弦波发生电路

时间:2026-03-05

电度表的工作原理电度表的工作原理

时间:2026-03-04

电动机单线远程正反转控制电路图电动机单线远程正反转控制电路图

时间:2026-03-04

三相异步电动机的拆装详讲三相异步电动机的拆装详讲

时间:2026-03-04

三相异步电动机的七种调速方式三相异步电动机的七种调速方式

时间:2026-03-04

USB转232电路图USB转232电路图

时间:2026-03-04

石英晶体钟脉冲发生器石英晶体钟脉冲发生器

时间:2026-03-05