什么是湿敏电阻?
湿敏电阻是电阻值随环境相对湿度而变化的敏感元件,主要是由湿敏层、电极和具有一定机械强度的绝缘基体所组成。
湿敏电阻的测量
图中R为湿敏电阻,为温度补偿用热敏电阻。当传感器的输出电压通过跟随器并经整流和滤波后,一方面送入比较器1与参考电压U1比较,其输出信号控制某一湿度;另一方面送到比较器2与参考电压U2比较,其输出信号控制加热电路,以便按一定时间加热清洗。


湿敏电阻是利用湿敏材料吸收空气中的水分而导致本身电阻值发生变化这一原理而制成的。工业上流行的湿敏电阻主要有氯化锂湿敏电阻,有机高分子膜湿敏电阻。
湿敏电阻的种类
1、氯化锂湿敏电阻
图3是氯化锂湿敏电阻的结构图。它是在聚碳酸酯基片上制成一对梳状金电极,然后浸涂溶于聚乙烯醇的氯化锂胶状溶液,其表面再涂上一层多孔性保护膜而成。氯化锂是潮解性盐,这种电解质溶液形成的薄膜能随着空气中水蒸汽的变化而吸湿或脱湿。感湿膜的电阻随空气相对湿度变化而变化,当空气中湿度增加时,感湿膜中盐的浓度降低。

图4是一种相对湿度计的电原理框图。测量探头由氯化锂湿敏电阻R1和热敏电阻R2组成,并通过三线电缆接至电桥上。热敏电阻是作为温度补偿用,测量时先对指示装置的温度补偿进行适当修正,将电桥校正至零点,就可以从刻度盘上直接读出相对湿度值。电桥由分压电阻R5组成两个臂,另外,R1和R3或R2和R4组成另外两个臂。电桥由振荡器供给交流电压。电桥的输出经放大器放大后,通过整流电路送给电流表指示。

2、有机高分子膜湿敏电阻
有机高分子膜湿敏电阻是在氧化铝等陶瓷基板上设置梳状型电极,然后在其表面涂以具有感湿性能,又有导电性能的高分子材料的薄膜,再涂复一层多孔质的高分子膜保护层。这种湿敏元件是利用水蒸汽附着于感湿薄膜上,电阻值与相对湿度相对应这一性质。由于使用了赢分子材料,所以适用于高温气体中湿牢的测量。图5是三氧化二铁-聚乙二醇高分子膜湿敏电阻的结构与特性。

湿敏电阻的应用:
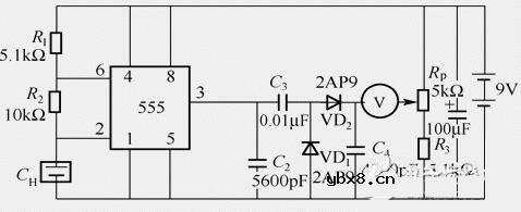
湿敏电阻器广泛应用于洗衣机、空调器、录像机、微波炉等家用电器及工业、农业等方面作湿度检测、湿度控制用。如图所示,是湿度检测器电路原理图。

湿度检测器电路原理图
图2所示电路中,由555时基电路、湿度传感器CH等组成多谐振荡器,在振荡器的输出端接有电容器C2,它将多谐振荡器输出的方波信号变为三角波。当相对湿度变化时,湿度传感器CH的电容量将随着改变,它将使多谐振荡器输出的频率及三角波的幅度都发生相应的变化,输出的信号经VD1,VD2整流和C4滤波后,可从电压表上直接读出与相对湿度相应的指数来。Rp电位器用于仪器的调零。
CBB18型聚丙烯薄膜电容器
时间:2026-03-05
CBB21、CBB21B型金属化聚丙烯薄膜直流电容器
时间:2026-03-05
CBB23型金属化聚丙烯薄膜电容器
时间:2026-03-05
CBB25型金属化聚丙烯薄膜电容器
时间:2026-03-05
CBB24型金属化聚丙烯薄膜电容器
时间:2026-03-05
CBB40型金属化聚丙交流电容器
时间:2026-03-05
CBB62、CBB62B型金属化聚丙薄膜交流电容器
时间:2026-03-05
CBB60、CBB61和CBB65型交流电动机用聚丙烯电...
时间:2026-03-05
CBB81(CB221)、CBB92型高压聚丙烯电容器
时间:2026-03-05
聚四氟乙烯电容器的结构与特点
时间:2026-03-05
玻璃釉电容器的结构与特点
时间:2026-03-05
关于STM32WL LSE 添加反馈电阻后无法起振的...
时间:2026-03-05
电阻的标称阻值和允许偏差
时间:2026-03-05
聚四氟乙烯电容器的结构与特点
时间:2026-03-05
漆膜电容器的结构与特点
时间:2026-03-05
复合介质电容器的结构与特点
时间:2026-03-05
瓷介电容器的结构与特点
时间:2026-03-05
电解电容器的结构与特点
时间:2026-03-05
电解电容的型号
时间:2026-03-05
铝电解电容特性型号参数表
时间:2026-03-05