线路中电阻多大能送上电?
电阻对于电路中的电流传输有着重要的影响。在电路中,当电流通过电阻时,会遇到阻碍,导致电压降低。这就意味着较大的电阻将需要更大的电流才能传递相同的电压。因此,在一个给定的电压下,较小的电阻将能够传递更大的电流,而较大的电阻则会限制电流的流动。
首先,我们需要明确什么是电阻。电阻是电路中的一种被动元件,其目的是限制电流的流动并降低电压。电阻通过电阻率来衡量,单位为欧姆(Ω)。电阻的大小取决于电阻本身的材料以及其几何形状。
在理论上,没有绝对的上限或下限来确定电阻的大小。然而,与电阻相关的另一个要素是功率。功率是指电路中消耗或释放的能量量。如果一个电阻器不具备足够大的功率能力,过大的电流通过会导致电阻器发热过多,甚至发生故障。
这就意味着,为了保持电阻器的正常工作状态,我们需要根据所需要的功耗来选择正确尺寸的电阻器。在实际应用中,电阻器的额定功率是根据设计需求来选择的。如果超过额定功率,电阻器可能会过热并烧毁。
此外,电阻的材料也会影响其使用的最大功率。例如,有些金属电阻器能够承受更高的功率,而有些碳膜电阻器则具有较低的功率容量。
在任何电路中,线路的长度和材料的电阻率也会影响电阻的大小。根据欧姆定律,电阻(R)等于电阻率(ρ)乘以线路长度(L),再除以线路横截面积(A)。因此,较长的线路或电阻率较高的材料将会具有较大的电阻。
另一个重要的概念是串联电阻和并联电阻。在串联电路中,电阻器依次排列在电路中。总电阻等于各电阻器的电阻之和。换句话说,当电阻器串联时,总电阻会增加。
相比之下,在并联电路中,电阻器平行连接。总电阻等于各电阻器电阻的倒数之和的倒数。因此,并联电阻的总值大于任何一个电阻器本身的值。
综上所述,电阻大小并没有固定的上限或下限。它们取决于电阻器的材料、尺寸、功率以及电路中的其他因素。为了选择正确的电阻大小,我们需要考虑这些因素,并确保电阻器能够承受所需的电流和功耗。
模拟电子常用电子电路图集 (50个)
时间:2026-03-05
光电隔离器应用电路图
时间:2026-03-05
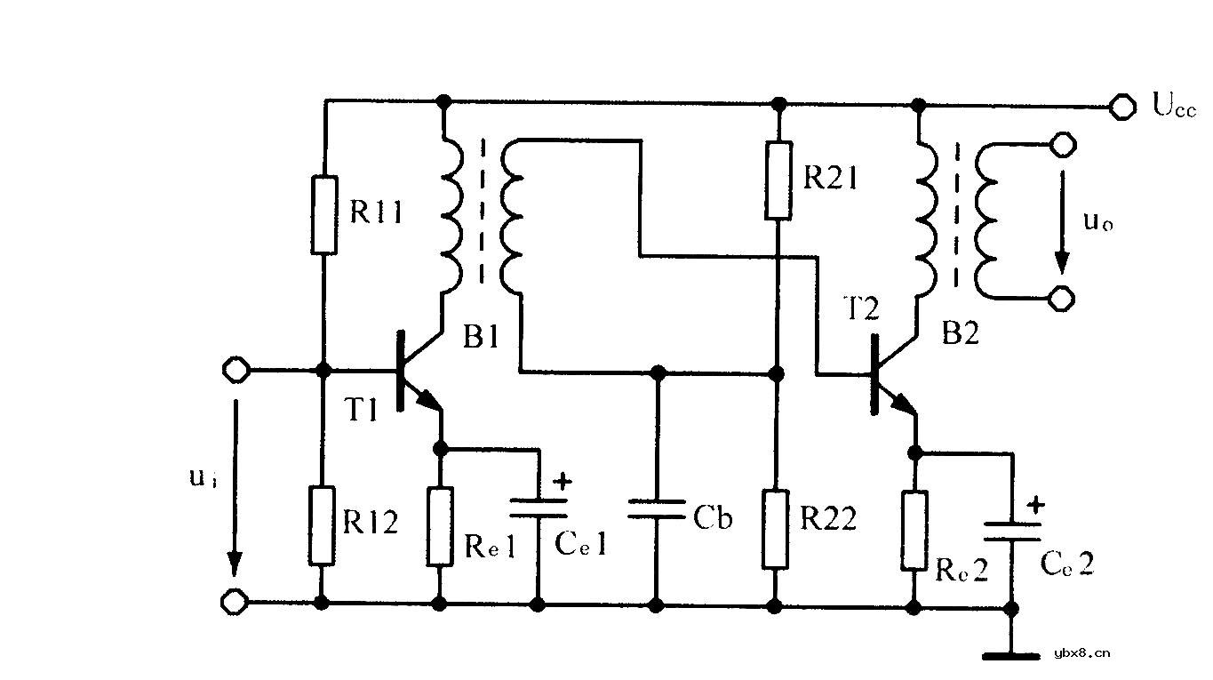
变压器耦合放大电路图
时间:2026-03-05
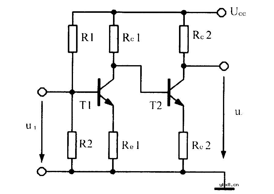
直接耦合放大电路图
时间:2026-03-05
电阻-电压转换电路图
时间:2026-03-05
电压-电流转换电路图
时间:2026-03-05
交流电压的检出电路图
时间:2026-03-05
采用光耦合器的直流电压检出电路图
时间:2026-03-05
利用载波的交流电压检出电路图
时间:2026-03-05
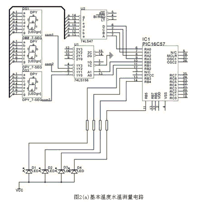
基本测试水温测量电路图
时间:2026-03-05
关于STM32WL LSE 添加反馈电阻后无法起振的...
时间:2026-03-05
电阻的标称阻值和允许偏差
时间:2026-03-05
告诉你电容器那些鲜为人知的秘密
时间:2026-03-05
合金电阻与贴片电阻有什么区别?你知道合金...
时间:2026-03-05
3PEAK高压零漂放大器契合精密应用
时间:2026-03-05
零欧电阻的功能
时间:2026-03-05
PPTC热敏电阻在电池中的应用
时间:2026-03-05
水泥电阻规格及型号
时间:2026-03-05
气敏电阻的型号命名方法是怎样的
时间:2026-03-05
国巨片式电阻缺货涨价之应对方案 你要知道电...
时间:2026-03-05