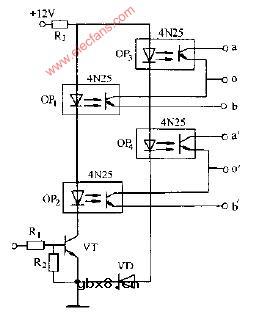
光耦合器构成的或门电路图
电工基础2026-03-06
光耦合器构成的或门电路图
光耦合器构成的与非门电路图
电工基础2026-03-06
光耦合器构成的与非门电路图
光耦合器构成的与门电路图
电工基础2026-03-06
光耦合器构成的与门电路图
光耦合器及其驱动电路图
电工基础2026-03-06
光耦合器及其驱动电路图
光耦合器双刀双开关电路图
电工基础2026-03-06
光耦合器双刀双开关电路图
光耦合器应用在施密特电器电路图
电工基础2026-03-06
光耦合器应用在施密特电器电路图
光耦合稳压电路图1
电工基础2026-03-06
光耦合稳压电路图1
光耦合稳压电路图2
电工基础2026-03-06
光耦合稳压电路图2
光耦合斩波器电路图
电工基础2026-03-06
光耦合斩波器电路图
光信号放大电路图
电工基础2026-03-06
光信号放大电路图
光照变音电路图
电工基础2026-03-06
光照变音电路图
光照释放式继2电路图
电工基础2026-03-06
光照释放式继2电路图
爱德牌RZL40-15GW2电热水器电路图
电工基础2026-03-06
爱德牌RZL40-15GW2电热水器电路图
超力牌RC RS RF-9728A RC RS RF-979
电工基础2026-03-06
超力牌RC RS RF-9728A RC RS RF-9790A封闭式电热水器电路图
方家乐WD30-BF储水式电热水器电路图
电工基础2026-03-06
方家乐WD30-BF储水式电热水器电路图
海尔FCD-40A横式电热水器电路图
电工基础2026-03-06
海尔FCD-40A横式电热水器电路图
相序继电器工作原理的全面介绍
时间:2026-03-06
热保护器的工作原理解析
时间:2026-03-06
热敏干簧继电器是什么
时间:2026-03-06
电动机保护元件:热继电器的三种过载保护形...
时间:2026-03-06
电磁型电流继电器的动作条件
时间:2026-03-06
继电器PLC和晶体管PLC区别
时间:2026-03-06
场效应管时间继电器是怎样工作的?
时间:2026-03-06
电路板式继电器
时间:2026-03-06
继电器电路故障
时间:2026-03-06
继电器的作用及触点故障处理方法
时间:2026-03-06
彩灯电路
时间:2026-03-05
三相异步电动机原理
时间:2026-03-04
转角测量电路
时间:2026-03-05
经典的正弦波发生电路
时间:2026-03-05
电度表的工作原理
时间:2026-03-04
电动机单线远程正反转控制电路图
时间:2026-03-04
三相异步电动机的拆装详讲
时间:2026-03-04
三相异步电动机的七种调速方式
时间:2026-03-04
USB转232电路图
时间:2026-03-04
线性可调差动变压器测量计电路图
时间:2026-03-05