工控原理2026-03-05
谐波产生的原因和危害 谐波产生的根本原因是由于电网中某些设备和负荷的非线性特性,即所加的电压与产生的电流不成线性(正比)关系而造成的波形畸变。
基于Acrel-2000型的电力监控系统应用案例
工控原理2026-03-05
介绍海门大学科技园(海门謇公湖科创中心)电力监控系统,采用智能电力仪表、采集配电现场的各种电参量和开关信号。系统采用现场就地组网的方式,组网后通过现场总线通讯并远传至后台,通过Acrel-2000型电力监控系
开关柜内故障电弧出现的原因与危害
工控原理2026-03-05
开关柜是电力系统运行过程中的重要电力设备,只有确保开关柜的可靠性才能保证整个电力系统的正常运行。但实际上电力系统运行中的常见严重故障之一就是由开关柜内部故障电弧引发的事故。
阳光电源 SG125HV三相光伏并网逆变器拆解分析
工控原理2026-03-05
环境问题目前已经刻不容缓,国家都在大力提倡绿色出行以及绿色能源基础的建设。
工控原理2026-03-05
逆变器是一种将直流电转换为交流电的设备。太阳能电池在日光下会产生直流电,存储在蓄电池中的也是直流电,但是直流电供电系统具有很大的局限性,日常生活中的荧光灯,电视,冰箱,电风扇等交流负载不能由直流
交流微电网运行架构 微电网市场格局分析
工控原理2026-03-05
1. 微电网产业研究 1.1 微电网基本情况介绍 1.1.1 微电网的构成组分 微电网的主要概念是:由分布式电源、新型储能系统、电子电力设备、电力负荷、计量、保护、能源管理系统等组成。这些信息,包括:
高压开关柜的内部元器件及分类介绍
工控原理2026-03-05
开关柜是指按一定的方案将一次设备、二次设备组装而成的成套配电装置,主要用来对线路、设备实施控制、保护。开关柜按进出线电压等级可分高压开关柜(固定式和手车式)和低压开关柜(固定式和抽屉式)。
数据中心设计多电源系统变压器点接地方式探讨
工控原理2026-03-05
本文讨论大型数据中心多电源系统的变压器0.4kV侧中性点接地方式实际应用中的常见问题,主要包括0.4kV侧中性点接地、低压母联柜平面布置。结合规范和项目案例,为大型数据中心规划、设计、施工阶段的电气工程提供参考
详解分布式光伏电力监控解决方案
工控原理2026-03-05
光伏发电系统是指无需通过热过程直接将光能转变为电能的发电系统。通常由光伏方阵、蓄电池组(蓄电池控制器)、逆变器、 交流配电柜和太阳跟踪控制系统等设备组成。其特点是可靠性高、使用寿命长、不污染环境能独立
柔性直流输电的发展现状 电力电子器件在柔性直流的应用现状
工控原理2026-03-05
基于嵌入式Linux平台的光伏并网柜综合监测方案
工控原理2026-03-05
编辑:黄飞
工控原理2026-03-05
对于电力公司来说,智能电表可以提高供电可靠性,降低用电成本,同时还能减少人工抄表、计量等工作量,节约人力物力。对政府而言,智能电表能够有效降低能耗,提高能源利用效率,减少污染排放,保护环境。而对
工控原理2026-03-05
随着现代科技的进步,逆变器的出现为大家的生活提供了不小的便利,逆变器是把直流电能(电池、蓄电瓶)转变成交流电(一般为220V,50Hz正弦波),它由逆变桥、控制逻辑和滤波电路组成,广泛适用于空调、家庭影院、
高压动态无功补偿装置(SVG)的光伏项目的应用案例
工控原理2026-03-05
本文介绍了新风光电子科技股份有限公司生产的高压动态无功补偿装置(SVG)在华电汶上光伏项目的应用情况。从SVG的工作原理、特性及在无功补偿方面的作用等方面进行了分析,阐明了SVG在发电站、尤其是光伏及风电工
深度解析一座光伏电站的构成
工控原理2026-03-05
光伏电站的投资,可以分为系统投资、非技术成本两大部分; 光伏电站投资的高低,主要受技术路线、设备选型、项目规模、电压等级、施工条件、非技术成本等因素的影响。 具体如下图所示。
控制柜的配线安装过程中的运维小技巧
工控原理2026-03-05
在控制柜的配线的过程中,您是否遇到过这些课题? 随着控制柜的性能不断提升,设备日益增多,螺钉端子所需的配线时间越来越长;像螺钉端子台上下均需配线时,必须注意配线顺序,作业繁杂。因此,配线和运维往往
电动机的点动与连续运行控制电路图解
时间:2026-03-08
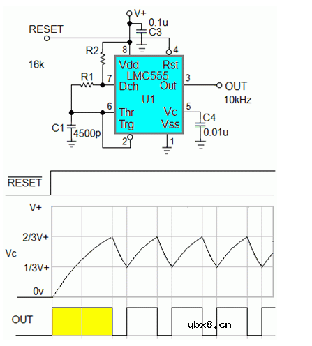
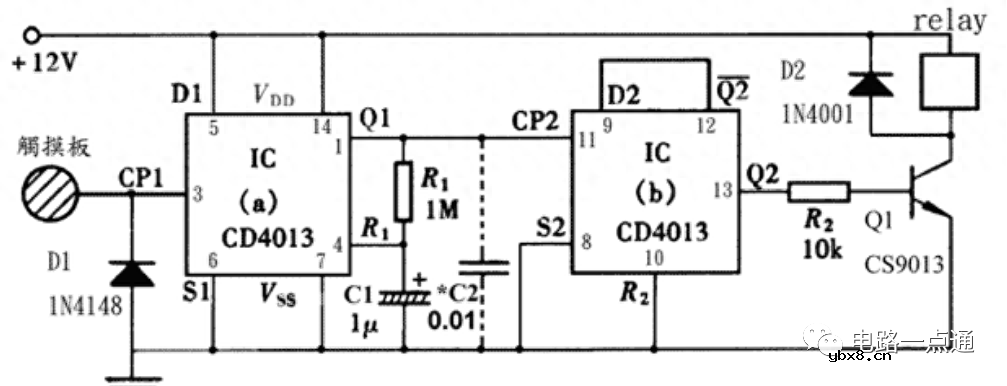
基于CD4013的声控开关电路和555时基电路的温...
时间:2026-03-08
ULN2003应用电路分析
时间:2026-03-08
自激振荡的简单判别方法 振荡电路的条件
时间:2026-03-08
需要生成50%占空比方波,门控555第一脉冲过...
时间:2026-03-08
ADALM2000实验:调谐放大器级(二)
时间:2026-03-08
晶丰明源欧洲ErP线性可控硅调光方案
时间:2026-03-08
电源电路设计:详解线性电源和开关电源
时间:2026-03-08
MOS管驱动电路原理与MOS管驱动电路布线设计
时间:2026-03-08
图解电阻并联电路故障分析 短路故障检测与开...
时间:2026-03-08
智能硬件遭遇销量困局 看社区O2O如何破解
时间:2026-03-05
智慧工厂能耗在线监控平台开发能源管控系统...
时间:2026-03-05
物联网的前世今生:什么是物联网?实现物联...
时间:2026-03-06
智能停车场一体化控制器方案简述
时间:2026-03-05
推动物联网发展,供电是基础设备的生命线
时间:2026-03-05
楼宇对讲走向标准化 四大发展方向明确
时间:2026-03-05
嵌入式系统--物联网重要技术组成
时间:2026-03-05
车联网——汽车工业未来的发展
时间:2026-03-05
电流互感器基础知识讲解
时间:2026-03-05
成套开关柜二次布线工艺示范及讲解
时间:2026-03-05