贴片钽电容(以下简称钽电容)作为电解电容器中的一类。广泛应用于各类电子产品,特别是一些高密度组装,内部空间体积小产品,如手机、便携式打印机 。 钽电容是一种用金属钽(Ta)作为阳极材料而制成的,按阳极结构的不同可分为箔式和钽烧粉结式两种。在钽粉烧结式钽电容中,又因工作电解质不同,分为固体电解质钽电容(Solid Tantalum)和非固体电解质钽电容。 其中,固体钽电解电容器用量最大。钽电容由于使用金属钽做介质,不需要像普通电解电容那样使用电解液。另外,钽电容不需像普通电解电容那样使用镀了铝膜的电容纸烧制,所以本身几乎没有电感,但同时也限制了它的容量。
Taj系列贴片钽电容是AVX公司生产的一种贴片封装的钽电解电容,是电子市场上最常见的一种型号。
当前无论是插件电容还是贴片电容的安装工艺,电容自身都是直立于PCB的,根本的区别是贴片电容的工艺安装,有黑色的橡胶底座。
贴片电容的优点首要在于生产方面,其自动化程度高,精度也高,在运输途中不像插件式那样容易受损。但是工艺安装需要波峰焊工艺处理,电容通过高温之后可能会影响性能,尤其是阴极采用电解液的电容,通过高温后电解液可能会干枯。插件工艺的安装成本低,因此在同样成本下,贴片电容本身的性能可以更好一些。


优点:
体积小 由于钽电容采用了颗粒很细的钽粉,而且钽氧化膜的介电常数ε比铝氧化膜的介电常数高,因此钽电容的单位体积内的电容量大。 使用温度范围宽,耐高温 由于钽电容内部没有电解液,很适合在高温下工作。一般钽电解电容器都能在-50℃~100℃的温度下正常工作,虽然铝电解也能在这个范围内工作,但电性能远远不如钽电容。
寿命长、绝缘电阻高、漏电流小 钽电容中钽氧化膜介质不仅耐腐蚀,而且长时间工作能保持良好的性能 容量误差小
等效串联电阻小(ESR),高频性能好 缺点:耐电压不够高 电流小 价格高
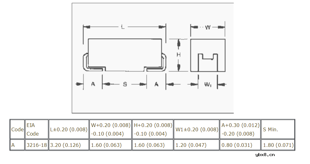
贴片钽电容封装、尺寸 封装尺寸:毫米(英寸)
封装尺寸:毫米(英寸)


新型电力负荷管理系统峰值压力缓方案
时间:2026-03-05
变电站二次设备、继电保护装置知识介绍
时间:2026-03-05
基于电网时空序列信息的扰动传播特性机理分...
时间:2026-03-05
浅谈电气设备漏电危害性及漏电保护方式
时间:2026-03-05
安瑞科智慧用电监控装置方案
时间:2026-03-05
漏电?跳闸?漏电保护器的作用
时间:2026-03-05
钽电容器的性能/极性/故障原因/应用注意事项
时间:2026-03-05
一文详解陶瓷电容器的类型及电介质
时间:2026-03-05
芯片IC0.1uF的电容,这些参数是如何确定
时间:2026-03-05
Y电容容量为什么不能太大呢?
时间:2026-03-05
玻璃釉电容器的结构与特点
时间:2026-03-05
关于STM32WL LSE 添加反馈电阻后无法起振的...
时间:2026-03-05
电阻的标称阻值和允许偏差
时间:2026-03-05
聚四氟乙烯电容器的结构与特点
时间:2026-03-05
漆膜电容器的结构与特点
时间:2026-03-05
复合介质电容器的结构与特点
时间:2026-03-05
瓷介电容器的结构与特点
时间:2026-03-05
电解电容器的结构与特点
时间:2026-03-05
电解电容的型号
时间:2026-03-05
铝电解电容特性型号参数表
时间:2026-03-05