贴片电阻功率及封装尺寸一览
电子元件2026-03-05
贴片电阻、贴片电容规格、封装、尺寸 贴片电阻常见封装有9种,用两种尺寸代码来表示。一种尺寸代码是由4位数字表示的EIA(美国电子工业协会)代码,前两位与后两位分别表示电阻的长与宽,以英寸为单位。我们常
电工问答2026-03-05
我国LED封装技术简介 近年来,随着LED生产技术发展一日千里,令其发光亮度提高和寿命延长,加上生产成本大幅降低,迅速扩大了LED应用市场,如消费产品、讯号系统及一般照明等,于是其全球市场规模快速成长.2003年全球L
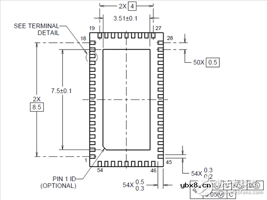
小间距QFN封装PCB设计串扰抑制分析
电工问答2026-03-05
一、引言 随着电路设计高速高密的发展趋势,QFN封装已经有0.5mm pitch甚至更小pitch的应用。由小间距QFN封装的器件引入的PCB走线扇出区域的串扰问题也随着传输速率的升高而越来越突出。对于8Gbps及以上
电工问答2026-03-05
世界各地的人都有节日送礼的习惯。每年的这个时候,送礼的人都会花费心思用彩纸或丝带将礼物精心的包装起来。虽然我们在包装礼品时不遗余力,煞费苦心,但其中的礼品却往往远比外观重要得多。
电工问答2026-03-05
摘要:半导体的生产流程由晶圆制造、晶圆测试、芯片封装和封装后测试组成。半导体封装是指将通过测试的晶圆按照产品型号及功能需求加工得到独立芯片的过程。虽然看起来似乎是一道简单的工序,然而具有创新性
贴片肖特基二极管封装
电工问答2026-03-05
通过型号识别封装外形: MBR10100:TO-220AC,单芯片,两引脚, MBR10100CT:TO-220AB,双芯片,三引脚,型号后缀带CT
带你了解CCGA封装的螺旋锡柱技术
电工问答2026-03-05
军用微电子组件在1990年代的军用FPGA就已经是PGA封装了。而现在军用微电子组件用的比较多的高端产品则是用CCGA/LGA封装。CCGA是CBGA尺寸大于在32*32mm时的另一种形式,不同之处在于采用焊料柱代替焊料球。焊
大功率LED封装技术原理介绍
电工问答2026-03-05
大功率LED封装技术原理介绍 大功率LED封装由于结构和工艺复杂,并直接影响到LED的使用性能和寿命,一直是近年来的研究热点,特别是大功率白光LED封装更是研究热点中的热点。LED封装的功能主要包括:1.机械保护,以
电工问答2026-03-05
LAMP-LED封装工艺流程图
电工问答2026-03-04
什么是插入式封装 引脚插入式封装(Through-Hole Mount)。此封装形式有引脚出来,并将引脚直接插入印刷电路板(PWB)中,再由浸锡法进行波峰焊接,以实现电路连接和机械固定。由于引脚直径和间距都不能太细,故印刷电
电工问答2026-03-04
显卡芯片封装技术图解分析 作为PC的重要组成部分之一,图形加速卡早已超过CPU,成为PC部件中晶体管数量最多、集成度最高、结构最复杂的部分。所以图形加速卡技术也成为众多DIYer们关注的焦点。本文将为入门级玩家
电工问答2026-03-04
封装技术:焊接的原理是什么? 焊接技术是电子制作中的基本技能。常用的焊接工具是电烙铁;焊接用料是锡铅合金、焊接的焊剂。焊接的原理就是用高温将固态焊料加热熔化成液态,在焊剂的配合下,使液态的焊料
电工问答2026-03-04
系统级封装,系统级封装是什么意思 1、究竟什么是系统级封装? 采用任何组合,将多个具有不同功能和采用不同工艺制备的有源元/器件、无源元/器件、MEMS器件、分立的KGD(Known Good Die)诸如光电芯片、生物芯片
电工问答2026-03-04
PBGA封装的优点和缺点分别是什么? PBGA封装的优点: 1)与PCB板(印刷线路板-通常为FR-4板)的热匹配性好。PBGA结构中的BT树脂/玻璃层压板的热膨胀系数(CTE)约为14ppm/℃,PCB板的约为17ppm/cC,两种材料的CTE比较
电工问答2026-03-04
各类芯片封装的主要步骤详细资料 板上芯片(Chip On Board, COB)工艺过程首先是在基底表面用导热环氧树脂(一般用掺银颗粒的环氧树脂)覆盖硅片安放点,然后将硅片直接安
电子封装供热管理解决方案:铝碳化硅是关键
电工问答2026-03-04
电子封装供热管理解决方案:铝碳化硅是关键 简介利用最先进的材料设计低成本的高度可靠的微波电子、微电子、光电子和功率半导体系统是不现实的。为了保证此类设备的可靠性,需要电子封装和衬底热管理解决方案,因
高位水箱蓄水自动控制电路
时间:2026-03-05
简易电极式水位自动控制电路
时间:2026-03-05
简易水塔上水控制电路
时间:2026-03-05
简易水位控制
时间:2026-03-05
节水控制电路
时间:2026-03-05
金属控头水位控制器
时间:2026-03-05
全自动电热水控制电路
时间:2026-03-05
全自动供水控制电路
时间:2026-03-05
三级水位指示电路
时间:2026-03-05
三相接触电路
时间:2026-03-05
瞬间抑制二极管(TVS)/瞬间抑制二极管(TVS)是...
时间:2026-03-04
什么是霍尔传感器
时间:2026-03-05
半导体材料的主要种类有哪些?
时间:2026-03-04
数字比较器,数字比较器是什么意思
时间:2026-03-04
常用整流二极管型号大全
时间:2026-03-04
S/HS固态继电器原理简介
时间:2026-03-04
稳压二极管的选用和代换
时间:2026-03-04
TVS器件的电特性有哪些
时间:2026-03-04
TVS二极管的分类/应用,TVS二极管的特点/选用...
时间:2026-03-04
快恢复二极管,快恢复二极管是什么意思
时间:2026-03-04