1二次回路的组成
1.1二次回路的分类
(1)交流电压、电流回路(测量指示计量回路)。
(2)直流回路:(控制回路)在无直流电源小站,采用交流控制信号方式。
(3)信号回路:(灯光指示监控部分)。
(4)保护装置与自动装置(交直流回路)。
(5)保护室设置的光纤配线柜保护专用光缆。五个部分组成。
1.2二次回路的作用
二次接线的任务是反映一次系统的工作状态,控制一次系统并在一次发生故障时使故障部分退出工作。 确保发电厂、变电站电力电网系统中使操作能便利可靠安全运行。
(1)测量回路:模拟量、保护及监察测量、计量电能、故障录波器等。
(2)控制回路:各级电压的断路器及隔离开关和开闸、开关量等,(3)信号回路:运行与否的微机监视、故障及异常警报。
(4)保护回路:按需装设各种保护装置及自动装置以满足系统要求。(5)直流系统:由充电模块和蓄电池组成作为直流控制保护、信号电源。
识图的要素(快速识图法)。
(1)看图五要素
A、"二次相当于人的经脉"。了解一次设备如断路器、隔离开关、电流、电压互感器、变压器等。了解这些设备的功能及常用的控制、保护方式,各个电压等级不同,但是断路器的控制回路基本一样例如220kV线路的单元,“经脉受大脑控制”,有相同之处,隔离开关的控制回路基本一样“经脉受大脑控制”,GIS、HGIS组合电器二次回路除了电气闭锁及SF6气室报警多于普通敞开式电气设备,其它基本一致。同时对应一次设备的TA、TV分别用于检测和继电保护回路,一次设备的不同,采用的保护方式也不同。因此,从TA、TV的二次回路的图纸可以清晰看到保护的方式。
B、"公共设备、直流系统要明白"。寻找二次回路的汇合点,集中在公共设备如综自系统的检测部分,断路器、隔离开关的控制部分,各个单元的TA、YV除了继电保护回路,一部分集中到监控屏上、电度表屏上。变电站所有的直流电源来自I、II组蓄电池,直流网络的交流浮充、向系统供电以及它们的检测设备。
C、"图纸看线圈,耐心找接点"。图纸中的线圈是最少的,因此无论交流、直流回路从此切入,寻找它们的不止一个的接点,了解它的作用和其它线圈的联系 ,逐渐形成完整的回路。
D、"继电器线圈有规律"。继电器的线圈的动作情况在图纸上的状况为原始状态,即断路器在分闸、隔离开关在分闸、交流回路不带电、熔断器、开关在断开位置,然后根据它动作后的情况观察逻辑回路。除了断路器、隔离开关的目的地在合闸、跳闸线圈外,其它的继电器的目的地在接点的动作情况。
E、"对号入座确保无错"。主要针对展开图、端子排图及屏后设备安装图。原则上由上向下、由左向右看,同时结合屏外的设备一起看。设备名称、回路编号应该对准。
2二次图纸的分类
二次图纸可分为二次施工图和二次安装图两种。
按电源性质分:交流电流回路---由电流互感器(TA)二次侧供电给测量仪表及继电器的电流线圈等所有电流元件的全部回路。
交流电压回路---由电压互感器(TV)二次侧及三相五柱电压互感器开口三角经升压变压器转换为100V供电给测量仪表及继电器等所有电压线圈以及信号电源等。
直流回路---使用直流电源。蓄电池---适用于大、中型变、配电所,投资成本高。
按用途区分:测量回路、继电保护回路、开关控制及信号回路、断路器和隔离开关的电气闭锁回路、操作电源回路。
操动回路---包括从监控屏操动(作)电源到断路器分、合闸线圈之间的所有有关元件,如:熔断器、控制开关、中间继电器的触点和线圈、接线端子等。
信号回路---包括光字牌、监测回路、音响回路(警铃、电笛),是由信号继电器及保护元件到监测屏或由断路器操动机构到监测屏。
2.1二次施工图
现场大量的是二次施工图,根据工程规模和电压等级的高低,二次图纸卷宗册多少而不同,一般二次图纸均有以下部分:
⑴总的部分(公用部分)或者监控部分。
⑵各电压等级的线路二次图纸。
⑶主变压器部分。
⑷直流部分。
⑸通信部分。
⑹继电保护原理图(白图)。
各卷册图纸中均有:原理图、展开图、端子排图、屏面布置图、端子箱及机构葙接线图五种。
⑴原理图:是用来表示各个回路的工作原理和相互作用的,图上不仅表示出二次回路中各元件的连接方式,而且还表示出与一次回路有关的部分。继电保护原理图包括屏面布置图、背后接线图由制造厂提供。
⑵展开图:是表明二次回路原理的图纸,他是原理图的一种实用形式,是绘制安装接线图的依据,施工中根据展开图查对回路,故障分析和试操作,因此展开图是二次接线中最重要的图纸,见图1。
⑶屏面布置图:是制造厂作屏布置设计,开孔及安装的依据。施工现场可用来核对屏的名称、用途及指导该屏上设备的拆装等。
⑷端子排图:是表明屏内线路与屏外线路的连接的图纸。见图2。制造厂根据端子排排列端子,并将屏内的二次线配好,施工现场则将由其它设备引来电缆与屏内端子排相连。
⑸安装接线图:即背面接线图,是原理图或展开图的实际反映,它表示出电器和测量等的实际接线方式,制造厂员工按照安装接线图配好屏内的二次线和组装端子排,施工现场则把这种图纸作为查对二次线的依据。



2.2二次安装接线图
一般二次接线图分为屏外(由设计提供)、屏内(由制造厂提供)。审查二次接线图,实际就是审查展开图和安装接线图是否正确,以便为二次回路查线做好准备工作。屏内布置图和安装图是否正确,根据屏面布置图可以核对屏上的名称、用途、各设备元件排列安装位置;
端子排是反映屏内接线与屏外连接的图纸;展开图是把每个设备的线圈和接点按交流电流回路、交流电压回路和直流回路分开来表示的,展开图按动作次序由左往右,由上到下排列,次序明显,阅读方便,为了不致混淆,对于同一个元件的线圈和接点采用相同文字标号,根据一次接线图的范围检查展开图是否完整,如果确已齐全,可对二次接线图进行审核,审核分为屏内屏外两部分进行,依照回路逐步核对。

二次回路的接线编号原则
为了便于安装施工和投入运行后进行维护检修,在展开图接线图中应进行回路编号,根据编号能了解该回路的用途:根据编号能区分进行正确的连接,对于交流回路,为了区分相别,在数字前面还要加上A、B、C、N文字符号,对于不同用途的回路规定了数字范围,对于一些比较重要的常见回路(例如直流正、负电源、跳合闸回路)都给了固定的编号。
二次回路的编号,根据电位原则进行,就是电气回路中遇到的同一点的全部、导线都用同一个数字表示,当回路经过开关或继电器接点等隔开后,因为在接点断开时两端已不是等电位,所以给予不同编号。直流回路编号从正电源开始,以奇数顺序编号,直到最后一个压降压降为终止。如果最后一个有压降的元件的后面不是连接在负电源上,而是通过连接片、开关或继电器接点接在负极上,则下一步应从负电源开始从偶数顺序编号至上述的已有编号的结点为止。
审查二次施工图纸是根据各回路的原理图及展开图来核对其他图纸(即屏面布置图、端子排图、安装接线图等)无误后,根据屏、柜、葙的设备表查对设备的型号、规范及数量是否相符。以及端子排的配置是否与端子排一致。最后根据端子排图画出较复杂的回路的电缆联系图(包括各电缆芯数及备用电缆芯数。)与设计的电缆清册核对长度,规格及型号,根据电缆到货情况进行分配,先长后短节约电缆,做好以上工作,是保证二次回路接线正确的先决条件,也是审查二次施工图的主要内容。
一般二次接线图分为屏外(由设计提供)、屏内(由制造厂提供)。审查二次接线图,实际就是审查展开图和安装接线图是否正确,以便为二次回路查线做好准备工作。屏内布置图和安装图是否正确,根据屏面布置图可以核对屏上的名称、用途、各设备元件排列安装位置;端子排是反映屏内接线与屏外连接的图纸;展开图是把每个设备的线圈和接点按交流电流回路、交流电压回路和直流回路分开来表示的,展开图按动作次序由左往右,由上到下排列,次序明显,阅读方便,为了不致混淆,对于同一个元件的线圈和接点采用相同文字标号,根据一次接线图的范围检查展开图是否完整,如果确已齐全,可对二次接线图进行审核,审核分为屏内屏外两部分进行,依照回路逐步核对。
2.3二次施工图与二次安装接线图的区别
二次施工图是变电站施工的依据和设计原则,将变电站二次回路的通过二次施工图连为一体的工程安装图。
二次安装接线图是具体到保护屏、端子箱、机构葙、蓄电池等安装,需要与制造厂家的图纸进行比较的现场实际图纸。分为屏外(由设计提供)、屏内(由制造厂提供),二次施工图必须与二次安装图接线、原理、施工方法一致。
2.4二次竣工图
二次施工图在变电站投产后,与现场符合的并经设计部门重新审定的图纸叫竣工图。作为今后工程技术档案,存在变电站建设的甲方、乙方,为保护定检、技术改造、查阅、参考资料的依据。
2.5设计变更
设计变更是指设计单位正式提交施工图成品文件至工程投产后一年期间内,因设计或非设计原因引起的对设计文件的改变。出具设计变更的原因有:
(1)设计原因是指设计单位施工图成品文件中存在的问题和错误;
(2)非设计原因是指工程建设施工现场、外部条件发生了改变,或建设管理单位、项目法人单位的要求发生了改变。

3二次回路与一次设备的关系
3.1一次回路的定义是什么
为将变电站所有的电气设备紧密地联系在一起,(见变电站主接线图3)变电站的主要工作是汇集和分配电能,直接参与这项工作的电气设备,如变压器、电抗器、母线、断路器等,按一定顺序用导线或电缆连成的电路称为一次电路或一次接线,一次接线是相对于二次线而言的。
3.2什么叫二次回路
表明二次设备之间的连接关系的电路叫二次回路。
3.3什么叫二次回路图
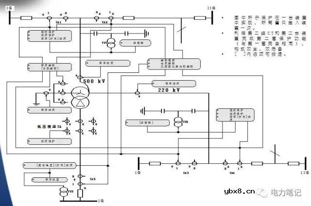
表明二次设备之间的连接关系的电路图叫二次回路图,也称为二次接线图。从一次主接线图中看到一次设备的接线方式不同。见变压器TA二次接线图4。图中可以看到500kV、220kV的TA二次采用的是两组TA的和电流,分别引入变压器保护的差动保护。35kV侧采用是附加TA二次的电流引入差动保护,而且是双重保护。

编辑:黄飞
相关热词:#智能电网
矩阵切换器的控制方式
时间:2026-03-05
降压转换器使用陶瓷输出电容器
时间:2026-03-05
金属膜电容和其他电容的简单分类
时间:2026-03-05
矩阵切换器的输入/输出阻抗
时间:2026-03-05
矩阵切换器的输入/输出电平
时间:2026-03-05
分配器的支持分辨率/传输距离
时间:2026-03-05
车载显示屏的屏幕比例
时间:2026-03-05
分配器的输入接口/输出接口
时间:2026-03-05
车载显示屏的屏幕尺寸
时间:2026-03-05
KVM切换器的切换方式
时间:2026-03-05
什么是单母线接线?主接线的普遍规律
时间:2026-03-05
智能电网包括什么?它的先进性和优势是?
时间:2026-03-05
浅显易懂地揭开.Net生态系统的神秘面纱!
时间:2026-03-05
电力变压器的分类
时间:2026-03-05
电力变压器的特点有哪些
时间:2026-03-05
电力系统三道防线的基本原理 电力系统运行的...
时间:2026-03-05
太阳能电池板二极管的型号、参数和使用注意...
时间:2026-03-05
微电网是什么意思 微电网与大电网的区别 微...
时间:2026-03-05
光伏电站的作用
时间:2026-03-05
电力系统接地故障的原因分析和解决方法
时间:2026-03-05