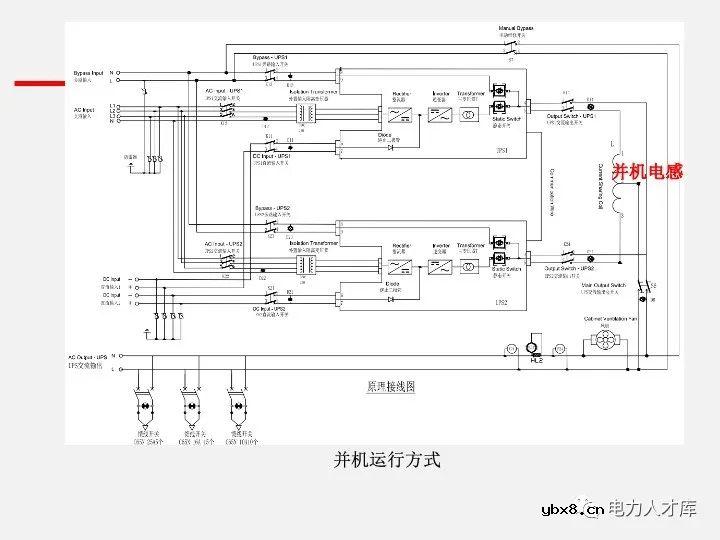
将变电站的二次设备(包括测量仪表、信号系统、继电保护、自动装置和远动装置)经过功能的组合和优化设计,利用先进的计算机技术、通信技术和信号处理技术,实现对全变电站的主要设备和输、配电线路的自动监视、测量、自动控制和微机保护,以及与调度通信等综合性的自动化功能。













































































编辑:黄飞
相关热词:#智能电网
矩阵切换器的控制方式
时间:2026-03-05
降压转换器使用陶瓷输出电容器
时间:2026-03-05
金属膜电容和其他电容的简单分类
时间:2026-03-05
矩阵切换器的输入/输出阻抗
时间:2026-03-05
矩阵切换器的输入/输出电平
时间:2026-03-05
分配器的支持分辨率/传输距离
时间:2026-03-05
车载显示屏的屏幕比例
时间:2026-03-05
分配器的输入接口/输出接口
时间:2026-03-05
车载显示屏的屏幕尺寸
时间:2026-03-05
KVM切换器的切换方式
时间:2026-03-05
什么是单母线接线?主接线的普遍规律
时间:2026-03-05
智能电网包括什么?它的先进性和优势是?
时间:2026-03-05
区块链共识机制的演进应用以及未来趋势预测
时间:2026-03-05
浅显易懂地揭开.Net生态系统的神秘面纱!
时间:2026-03-05
电力变压器的分类
时间:2026-03-05
电力变压器的特点有哪些
时间:2026-03-05
电力系统三道防线的基本原理 电力系统运行的...
时间:2026-03-05
太阳能电池板二极管的型号、参数和使用注意...
时间:2026-03-05
微电网是什么意思 微电网与大电网的区别 微...
时间:2026-03-05
光伏电站的作用
时间:2026-03-05