双绞线(twisted pair,TP)是一种综合布线工程中最常用的传输介质,是由两根具有绝缘保护层的铜导线组成的。把两根绝缘的铜导线按一定密度互相绞在一起,每一根导线在传输中辐射出来的电波会被另一根线上发出的电波抵消,有效降低信号干扰的程度。
双绞线一般由两根22~26号绝缘铜导线相互缠绕而成,“双绞线”的名字也是由此而来。实际使用时,双绞线是由多对双绞线一起包在一个绝缘电缆套管里的。如果把一对或多对双绞线放在一个绝缘套管中便成了双绞线电缆 ,但日常生活中一般把“双绞线电缆”直接称为“双绞线”。与其他传输介质相比,双绞线在传输距离,信道宽度和数据传输速度等方面均受到一定限制,但价格较为低廉。

在双绞线中,干扰主要来自以下两方面:第一,外部干扰。第二,同一电缆内部对线之间的相互串扰。下面,我们对双绞线消除干扰的原理进行分析。
(1)干扰信号对平行线的干扰,见图1。Us为干扰信号源,干扰电流Is在双线的两条导线L1、L2上产生的干扰电流分别是I1和I2。由于L1距离干扰源较近,因此,I1》I2,I=I1―I2≠0,有干扰电流存在。

图1
(2)干扰信号对扭绞双线回路的干扰,见图2。与图1不同的是,双线回路在中点位置进行了一次扭绞。在L1上存在干扰电流I11和I12,在L2上存在干扰电流I21和I22, 干扰电流I=I21+I22-I11-I12,由于两段线路的条件相同,所以,总干扰电流I=0。所以只要设置合理的绞距,就能达到消除干扰的目的。

图2
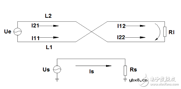
(1)两个未绞双线回路间的串扰,见图3。其中Ue为主串回路,Us为被串回路。导线L1上的电流I1在被串回路L3和L4中产生感应电流I31和I41 ,I41》I31,在被串回路中形成串扰电流I11=I41-I31,同样,导线L2上的电流I2在被串回路L3和L4中产生感应电流I32和I42,I42》I32,在被串回路中形成串扰电流I12=I32-I42,总干扰电流I=I11+I12,由于L1与L3、L4的距离比L2较近,I=I11+I12》0,在回路Us中形成干扰。

图3
(2)两个绞距相同的回路如图4所示。回路Ue和回路Us同时在中点位置作扭绞,因此,两个回路的4根导线之间的相对关系与未绞是完全相同的,根据以上分析可知,是不能起到消除串扰的作用。Ue和Us分别在对方回路中产生干扰电流Is和Ie,所以当两个绞合的双线回路绞距相同时,不能消除串扰。

图4
(3 ) 两个绞距不同的双线回路见图6。回路Ue在中点作扭绞。回路Us除在中点作扭绞外,还在A段和B段的二分之一处分别作扭绞。
下面以回路Ue为主串回路,回路Us为被串回路。分为A、B两段,先分析A段的串扰。在A段内,回路Ue未作扭绞,而回路Us在二分之一处作扭绞;根据1.2节的分析可知,由于回路Us在A段的中点扭绞,导线L1对回路Us的干扰电流为零。同样道理,导线L2对回路Us的干扰电流也为零。因此,在A段,回路Ue对回路Us的串扰电流为零。
B段的情况与A段完全相同,在B段串扰电流也为零。因此,回路Ue对回路Us的总串扰为零。所以,两个独立的双绞线回路,只要设计合理的绞距,是可以消除相互串扰。

图5
(4 )一条超五类双绞线电缆由4对线组成。每对线各自按反时针方向扭绞。4对线的绞距是各不相同的(对于绞距,没有量化标准,各个厂家的绞距有差别,从1.1-2.2cm不等,正规厂家的产品都能满足电气要求)。采取这些措施,不仅可消除外部干扰,同时可消除线对间的串扰。
全面揭晓电力系统短路故障问题
时间:2026-03-05
锂离子储能电站系统构成、安全预警与保护技...
时间:2026-03-05
如何防止过电压对变电设备的危害(避雷器、...
时间:2026-03-05
高压开关长什么样?有什么种类?
时间:2026-03-05
便携式MP3播放器的电源方案
时间:2026-03-05
飞利浦系列芯片详细介绍
时间:2026-03-05
MP3音质参数有哪些?
时间:2026-03-05
怎样鉴别一款优秀耳机
时间:2026-03-05
批量转换加字幕 用第三方软件巧转视频教程
时间:2026-03-05
耳机参数都代表什么
时间:2026-03-05
瞬间抑制二极管(TVS)/瞬间抑制二极管(TVS)是...
时间:2026-03-04
什么是霍尔传感器
时间:2026-03-05
半导体材料的主要种类有哪些?
时间:2026-03-04
高级封装,高级封装是什么意思
时间:2026-03-04
数字比较器,数字比较器是什么意思
时间:2026-03-04
常用整流二极管型号大全
时间:2026-03-04
S/HS固态继电器原理简介
时间:2026-03-04
稳压二极管的选用和代换
时间:2026-03-04
TVS器件的电特性有哪些
时间:2026-03-04
TVS二极管的分类/应用,TVS二极管的特点/选用...
时间:2026-03-04