跳线,是控制线路板上电流流动的小开关。它的作用是调整设备上不同电信号的通断关系,并以此调节设备的工作状态,如确定主板电压、驱动器的主从关系等。跳线基本上由两个部分组成,一部分是固定在主板、硬盘等设备上的,由两根或两根以上金属跳针组成;另一部分是跳线帽,这是一个可以活动的部件,外层是绝缘塑料,内层是导电材料,可以插在跳线针上面,将两根跳线针连接起来当跳线帽扣在两根跳线针上时是接通状态,有电流通过,我们称之为ON;反之不扣上跳线帽时,就说明是断开的,称之为OFF。
跳线盘有上下两排孔,当面对跳线盘的背面,最顶端的焊点是“地”的那一排定义为上排。如下图所示,每排孔有96个座,每个座有5个焊点。
“+”连接线材的 “+”线
“+”跳点连接另一排对应的跳线座的“+”或“+”跳点,连接“+”或“+”跳点取决于半通或全通的连接方法。
“-”连接线材的“-”线
“-”跳点连接另一排对应的跳线座的“-”或“-”跳点,连接“-”或“-”跳点取决于半通或全通的连接方法。
“地”连接线材的“地”线
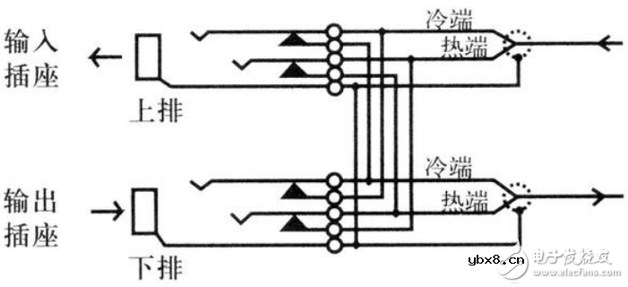
该连接方式是一种串行结构,当没有跳线插头插入时,音频跳线盘的上排(输出)与下排(输入)在内部是联通的。当跳线插头插入上排,可获得信号输出,同时音频跳线盘内部断开与下方跳线插座的连接。通过在下方插座接入跳线插头,可输入信号。这时,信号不会与上方插座连接。如下图所示:

该连接方式为一种并行结构,当没有跳线插头插入时,音频跳线盘的上排(输出)与下排(输入)在内部是联通的。当跳线插头插入上排插座,可获得信号输出,信号同时与下方跳线插座相联。此时信号可由上下插座并行获得。在下方插座接入假插头,可防止信号接入下方插座。通过在下方插座接入跳线插头,可输入信号。这是,信号不会与上方插座连接。如下图所示:

当没有跳线插头插入时,音频跳线盘的上排(输出)与下排(输入)在内部是联通的。当跳线插头接入上排插座,可以获得信号输出,信号同时与下方跳线插座相联。此时信号可由上下插座并行获得。在下方插座接入假插头,可以防止信号接入下方插座。当在下方插座接入另一个跳线插头,可输入信号。请注意,这时信号同时与上方插座连接。为防止这种情况的发生,可以在上方插座接入一个假插头,如下图所示:

升压站系统基础知识及接入方案
时间:2026-03-05
全文详解电网故障理论 故障录波软件使用技巧
时间:2026-03-05
互感器基础知识大全 电流互感器和电压互感器...
时间:2026-03-05
精密运放如何在功率较低的情况下实现快速多...
时间:2026-03-05
绝缘电阻试验原理及目的分析
时间:2026-03-05
佳能EOS 7D样片赏析与实测(下)
时间:2026-03-05
继电保护及安全自动装置设计要求
时间:2026-03-05
精密运放如何在功率较低的情况下实现快速多...
时间:2026-03-05
电力系统有哪些故障?电力系统不对称故障如...
时间:2026-03-05
全面揭晓电力系统短路故障问题
时间:2026-03-05
瞬间抑制二极管(TVS)/瞬间抑制二极管(TVS)是...
时间:2026-03-04
什么是霍尔传感器
时间:2026-03-05
半导体材料的主要种类有哪些?
时间:2026-03-04
高级封装,高级封装是什么意思
时间:2026-03-04
数字比较器,数字比较器是什么意思
时间:2026-03-04
常用整流二极管型号大全
时间:2026-03-04
S/HS固态继电器原理简介
时间:2026-03-04
稳压二极管的选用和代换
时间:2026-03-04
TVS器件的电特性有哪些
时间:2026-03-04
TVS二极管的分类/应用,TVS二极管的特点/选用...
时间:2026-03-04