功率放大的输入、输出阻抗匹配的实现步骤
阻抗匹配电路决定了功率放大器输出至负载的最大功率,是功率放大器电路设计中重要的一个环节。
1、为了对功率放大器电路进行输出匹配,继续创建”PA_MATCH”的原理图,将”PA_BIAS”中的电路图进行复制

2、从”Smith Chart Matching”元件面板中选择“DA_SmithChartMatch”控制器插入原理图中,如图所示。

3、对SmithChart参数进行设置进行设置

4、在原理图菜单栏“Tool”中选择“Smith Chart”,调出“Smith Chart Unity”并设置参数。

5、根据第4步得到Smith Chart Utility

对输入输出阻抗进行设置

自动生成电路,选择最下边的Auto 2-Element Match按钮

这时出现两种自动匹配的网络电路,选1种

选中其中的一个,选中之后会发现Network Hierarch 里面的结构和以前不一样了,自动生成了匹配电路。

返回原理图之后,选中DA_SmithChartMatch右击,选择push into Hierarch按钮,可以查看其内部电路。

内部电路如下,可以看出它的匹配的电容和电感,以及它的结构,如下图所示。

这样就完成了输出阻抗的匹配。
6、完成输出阻抗的匹配之后,还要继续进行输入阻抗的匹配。先看看仿真结果,双击S参数仿真控制器,对S参数仿真控制器进行设置。同时在Parameter栏中,在“Z-Parameter”前打勾,将Z参数扫描纳入仿真范围。

7、仿真,显示,z(1,1)

对要显示的数据,输入阻抗的实部和虚部,进行添加


这个就是输入阻抗的仿真结果。

7、进行输入阻抗匹配,从“Smith Chart Matching”元件面板中选择“DA_SmithChartMatch”控制器插入原理图中,组成的电路图如下。

对参数进行设置

用Smith Chart Utility进行计算



这样就完成了输入阻抗的匹配
8、完成了输入输出阻抗匹配之后即可对电路参数进行扫描。
S参数及谐波平衡仿真
完成所有原理图电路的建立之后,就可以对功率放大器进行性能参数仿真了。
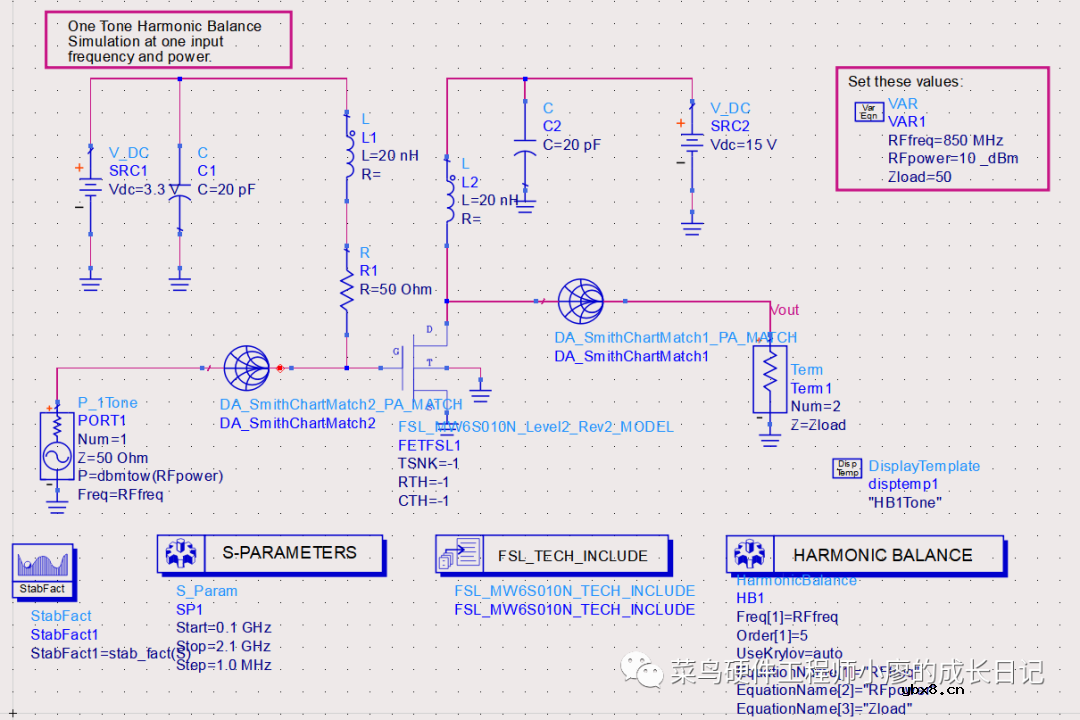
1、创建名称为“PA_S_HB”的原理图,insert->template选择HB1Tone,这个是谐波仿真模板。

2、将“PA_MATCH”中的电路复制到“PA_S_HB”中。

3、对HB仿真控制器进行设置,设置其扫描参数是RFpower,扫描范围是0~30dBm,步长为0.2dB.

4、设置完成之后,进行仿真,得到下面的仿真图形。

5、继续进行显示:a、[Rectangular Plot]按钮,插入一个矩形图,在弹出的“Plot Traces&Attributes”对话框中双击“Vout”,在弹出的对话框中选择“Fundamental tone in dBm over all sweep values”,单机[ok]按钮完成基波随输入功率变化的曲线。


b、再插入一个矩形图,在对话框“Datasets and Equations”中选择“Equtions”,然后再下面的选择栏中双击“P_gain_transducer”


c、继续添加两个矩形框,分别显示S(1,1)和S(2,1),分别对900MHz做标记,可见S(2,1)在900MHz时增益是12.67,而反射系数却达到-1.05,这个并不理想,因此还需要对电路进行优化设计。

电路性能的优化
1、对电路进行优化设计,与之前一样,在原理图窗口中选择“Optim/Stat/Yield/DOE”元件,选择一个优化控制器插入原理图中,添加两个优化目标

对两个优化目标进行设置


2、将输入匹配的电感和电容分别改为L1和C1作为优化对象,同时在原理图中加入一个变量控制器,并进行设置,这些初始值都是最开始的初始值。

3、进行优化仿真,更新数据之后进行仿真的结果如下:


可以看到,经过优化之后,在900MHz时,S(1,1)和S(2,1)均有所提高,虽然S(2,1)没有达到20db,但是很接近20db。从频谱可以看出,功率放大器在900MHz时输出最大功率谱信号,1dB点输出功率达到30dBm,增益19.328dB。
好了,关于功率放大器就到这里了,内容有点多,从明天开始就要学习低噪声放大器的设计。
这里再来总结一下关于功率放大器设计的一个基本的过程:1、确定设计指标,选择工艺和模型,并添加到工程的库中;2、根据功率放大器的要求和晶体管特性确定静态工作点,并进行稳定性分析;3、对电路进行设计,包括偏置电路的设计、阻抗匹配,这里要用到loadpull和source工具;4、对电路进行仿真,分析曲线并进行优化改进。
图文解析变电站二次设备原理图
时间:2026-03-05
隔离开关基本介绍:控制回路及五防装置
时间:2026-03-05
一文解析电压互感器的原理与变压器的原理
时间:2026-03-05
阐述各类型接地变的操作注意事项
时间:2026-03-05
一文解析电压互感器涉及的二次回路
时间:2026-03-05
电气设备二次回路:隔离开关/断路器/变压器...
时间:2026-03-05
三种接地刀闸操作方法 为什么要进行接地刀闸...
时间:2026-03-05
保护装置如何配置 保护装置原理图
时间:2026-03-05
分频风电系统的结构及基本原理
时间:2026-03-05
PowerPC处理器
时间:2026-03-05
玻璃釉电容器的结构与特点
时间:2026-03-05
关于STM32WL LSE 添加反馈电阻后无法起振的...
时间:2026-03-05
RI-80F型高压高阻玻璃釉膜电阻分压器
时间:2026-03-05
电阻的标称阻值和允许偏差
时间:2026-03-05
电容屏也有区别?自电容屏和互电容屏有什么...
时间:2026-03-05
一文读懂,电容器的工作旅程
时间:2026-03-05
浅谈高压贴片电容分类与性能参数
时间:2026-03-05
聚四氟乙烯电容器的结构与特点
时间:2026-03-05
漆膜电容器的结构与特点
时间:2026-03-05
复合介质电容器的结构与特点
时间:2026-03-05