去耦电容:

这些电容器对于在所有数字电路中使用都非常重要。理想情况下,数字IC或芯片需要稳定的电压才能工作。任何尖峰或电压波动都可能导致芯片无法正常工作,或者有时芯片可能会被破坏。这正是去耦电容器将发挥作用的地方。这些是通常用于放置在连接芯片的VCC和GND引脚的芯片附近的电容器,如上面的电路图所示。
当电路上电时,去耦电容器通过Vcc开始充电,一旦电容器电压达到供电电压就停止充电。此时,当电源电压波动时,电容器将在短时间内为IC供电,以保持IC电压稳定。此外,当输入电源电压出现尖峰时,电容器开始充电至新的电源电压。同时保持IC1的电压输入稳定。在具有许多IC的大型电路中,通常建议在电源附近使用大电容器,在电路中使用的每个IC附近使用小型电容器。大电容器将在整个电路中提供稳定的电压。小型股可满足与其一起使用的IC的需求。
耦合电容器:

我们已经看到去耦电容器用于阻止电压波动,换句话说,它有助于阻止交流信号,因为波动或压降是交流信号的一种形式,因为信号的电压随时间变化。另一方面,耦合电容器阻挡直流信号,同时允许交流信号通过。换句话说,这些电容器用于通过阻止不需要的直流信号将交流输入信号耦合或连接到电路的下一级。
这些电容器广泛用于放大器和音频应用,我们的兴趣点只是交流信号。让我们以一个由 9v
直流电源供电的音频电路为例。该电路从麦克风接收语音输入,这个语音输入(交流信号)是我们的兴趣点。来自9v电源的直流信号很有可能与该语音输入信号混合。为了从我们的语音输入中消除这种直流元素,使用耦合电容器C1(如上电路所示),它阻止直流信号并允许交变频率的信号。请记住,我们了解到电容器提供非常高的电阻或阻挡直流信号。
不仅是直流,通过正确选择电容器值,我们可以成功阻止不需要的低频,并且只允许所需的高频。这由电容器的电抗控制,它由公式 Xc = 1 / 2πFC
给出(我们在本教程前面已经看到了这一点)。请记住,我们已经知道电容器对低频具有高电抗,而对于高频,电抗值会很低。因此,为了使耦合电容器允许低频信号,我们需要使用更高值的电容器,对于高频信号,较低的电容器值就足够了。
过滤 器:
这些是用于从输入信号中滤除不需要的频率的电路块。电容器与电阻器和电感器一起构成滤波器的组成部分。滤波器具有比去耦电容更扩展的功能。基本上,您需要注意三种不同类型的过滤器。
低通滤波器:

低通滤波器用于允许频率分量小于截止频率,并阻止高于截止频率的频率分量。这是当输入信号为低频时它的工作原理,与电阻相比,电容器表现出高电抗(高电阻)。因此,与电阻两端的压降相比,电容器两端的电压将非常高。因此,我们将获得没有或低衰减的输入信号。同时,当输入信号为高频电抗时,电容器表现出的电抗将很低。因此,与电容电压相比,电阻的压降将非常高,从而阻止信号到达下一阶段。
高通滤波器:

这些滤波器只允许频率高于截止频率的信号和较低频率的阻断信号。这里发生的情况是,当输入信号为低频时,电容器表现出高电抗并充当信号的开路。另一方面,当高频电容器的输入信号表现出低电抗(电阻)时。与电阻R1相比,这是非常低的。与电阻相比,电容器两端的压降将非常小,因此允许高频信号输出无衰减或低衰减。
带通滤波器:

这是高通和低通滤波器的组合。该滤波器将仅允许特定频率频段的信号通过,并阻止此频率范围之外的信号。理想情况下,这种类型的滤波器将具有两个截止频率上限和下限截止频率。该滤波器将阻止频率小于较低截止频率和大于截止上限频率的信号。如上电路所示,它是使用高通和低通滤波器构建的。这些组合将只允许上限和下限截止频率之间的频率带,并阻止这些频率之外的信号。
定时电路:
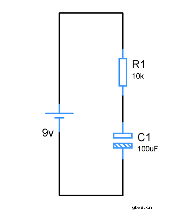
从我们目前所看到的情况来看,我们知道,当使用带有直流的电容器时,充电并达到施加的电压需要时间。这些定时电路利用电容器的这一特性,并用它来产生必要的时间延迟。但这里与电容器一起使用电阻器来控制电容器的充电速率,这反过来又会影响时间延迟。

上图电路为RC定时电路,其中电容器C1提供9v的恒定直流电压源。使用该电路产生的时间延迟由时间常数T给出。时间常数可以使用公式计算
T = RC
电容器需要 5T 或 5 倍的时间常数才能充满电。因此,在此等式中应用上述电阻和电容值将产生 5
秒的时间延迟。从电源接通的那一刻起,电容器在其端子上达到 9v 的电源电压的延时为 《》 秒。
5T = 5 x R x C
= 5 x 10k x 100uF
时间延迟 = 5 秒。
在这个电路的工作背后发生了有趣的事情,以产生所需的时间延迟。为了理解这一点,让我们看一下电容器图的充电曲线。

上图显示了电压、电流和为电容器充电所需的时间之间的关系。在时间t =
0时,电容器将处于放电状态,直流电压将施加到电路上。一旦施加电压,充电电流就会流过电容器,在板上积累相等和相反的电荷。这导致电容器电压Vc的增加。开始时,充电电流将达到最大。当时间达到恒定T时,电容器将充电电源电压的63%,在上图中标记为1。
将其与上述电路T相关联,时间为1秒,届时电容器电压将为63v的9%,即5.67v。从图中你可以推断出5T(时间常数)电容将被充电到其提供的电压完全停止充电电流。现在电容器据说已充满电。
使用公式 5T = 5RC ,您可以固定电容器和电阻的值,以强制该 RC 电路产生任何应用所需的时间延迟。
油箱或调谐电路:
这些类型的电路主要存在于无线电发射器、接收器和频率选择应用中。电容器在这些电路中与电感器一起工作来完成这项工作。当我们需要生成信号或从具有多个频率分量的复杂信号接收特定频率的信号时,将采用谐振电路或调谐电路,这就是“调谐”一词的由来。该电路C和L中的元件可以根据我们的需要进行调整。

上述电路的工作基于电容器和电感器的电抗。与电容器一样,电感器也表现出电抗。但与电容器电感器不同的是,电感器对高频信号表现出高电抗,而电容器对低频信号表现出高电抗。该谐振电路的构造方式是,电容器和电感器元件的电抗在一定频率下相等,从而实现谐振。在谐振时,该谐振电路能够产生指定频率的信号或接收该频率的信号。
这是它的工作原理,当连接在该电路中的电容器充电时,它会将电荷存储在其板中。然后,来自电容器的电流将移动到电感器,电感器又将在其周围建立磁场。这导致板上的电荷耗尽,其两端的电压下降到零。电感器具有抵抗流过电流变化的特性。一旦来自电容器的电流停止,电感器的磁场就会崩溃,使电流流过电路。该电流到达电容器并再次充电,在其极板中产生电荷并在其两端产生电压。这个循环继续一遍又一遍地重复,产生共振频率的信号。我们还可以使用该电路从复数信号中提取该频率的信号。
充电桩微电网系统及应用场景
时间:2026-03-05
新型配电网保护控制技术探索
时间:2026-03-05
电气二次回路图及原理
时间:2026-03-05
高压开关柜结构及原理总结
时间:2026-03-05
变电站一次设备接线图综合梳理
时间:2026-03-05
构网型变流器电力电子装备控制典型应用
时间:2026-03-05
含构/跟网型逆变器的电力系统稳定性
时间:2026-03-05
变电一次接线图:变电站主接线和站用电接线...
时间:2026-03-05
全面详解保护接地、接零、漏保
时间:2026-03-05
10kV配电室核心设备功能、作用与重要性
时间:2026-03-05
玻璃釉电容器的结构与特点
时间:2026-03-05
表贴电容的分类
时间:2026-03-05
关于STM32WL LSE 添加反馈电阻后无法起振的...
时间:2026-03-05
RI-80F型高压高阻玻璃釉膜电阻分压器
时间:2026-03-05
电阻的标称阻值和允许偏差
时间:2026-03-05
高压电容怎么测好坏_如何提高高压电容寿命
时间:2026-03-05
电容屏也有区别?自电容屏和互电容屏有什么...
时间:2026-03-05
一文读懂,电容器的工作旅程
时间:2026-03-05
如何绕制电感与选择磁芯减小寄生电容
时间:2026-03-05
浅谈高压贴片电容分类与性能参数
时间:2026-03-05