第一部分 二次回路识图基础
二次回路概念
为确保一次系统安全稳定、经济运行和操作管理的需要而配置的辅助电气设备,如各类测控装置、继电保护装置、安全自动装置等称为二次设备。
二次回路即是把二次设备按一定功能要求连接起来所形成的电气回路,以实现对一次系统设备运行工况的监视、测量、控制、保护、调节等功能。


图纸常用符号
为方便大家识图,特将一些常见符号列出:常用电气设备的文字符号有:自动重合闸装置文字符号为(ARD)、电容,电容器文字符号(C)、避雷器文字符号为(F)、熔断器文字符号为(FU)、发电机,电源文字符号为(G)、指示灯,信号灯文字符号为(HL)、继电器,接触器的文字符号为(K)、电流继电器文字符号为(KA)、中间继电器文字符号为(KM)、热继电器,温度继电器文字符号为(KH)、时间继电器文字符号为(KT)、电动机文字符号为(M)、中性线文字符号为(N)、电流表文字符号(PA)、保护线文字符号(PE)、保护中性线文字符号(PEN)、电能表文字符号为(PJ)、电压表文字符号为(PV)、电力开关文字符号为(Q)、断路器文字符号为(QF)、刀开关文字符号为(QK)、隔离开关文字符号为(QS)、电阻器文字符号为(R)、启辉器文字符号为(S)、按钮文字符号为(SB)、变压器文字符号为(T)、电流互感器文字符号为(TA)、电压互感器文字符号为(TV)、变流器,整流器文字符号为(U)、导线,母线文字符号为(W)、端子板文字符号为(X)、电磁铁文字符号为(YA)、跳闸线圈,脱扣器文字符号为(YR)等。


























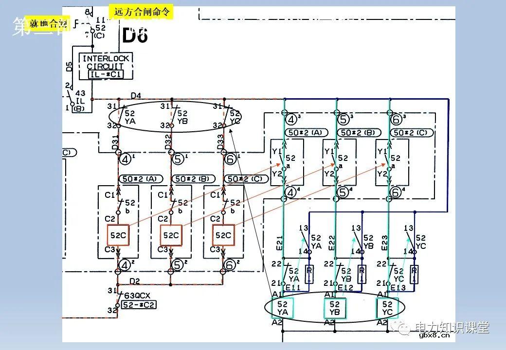
断路器控制回路基本要求
u能手动和自动实现分闸与合闸
u应能监视控制回路操作电源及跳合闸的完整性
u跳、合闸线圈按短时通电设计,在合闸或跳闸完成后,应能自动解除命令脉冲,切断合闸或跳闸能源
u有防止断路器多次跳、合闸的防跳跃措施
u有三相不一致保护措施
u对于气压、液压、弹簧等应有相应的监视


























n2、工作冷却器控制回路
n技术要求:
n⑴变压器投入电网时,自动投入冷却器;切除变压器时,自动切除全部冷却器。冷却器的油泵和风机回路有单独的接触器和热继电器,能对电动机过负荷及断相运行进行保护。
n⑵当运行中的工作冷却器发生故障时,能自动启用备用冷却器。




3、辅助冷却器控制回路
技术要求:
⑴变压器上层油温或绕组温度达到一定值时,自动启动尚未投入的辅助冷却器。
⑵当运行中的辅助冷却器发生故障时,能自动启用备用冷却器。

4、冷却器全停跳闸回路
技术要求:
当两段电源全部消失,冷却装置全部停止工作时,可根据变压器上层油温的高低,经一定时限作用于跳闸。

编辑:黄飞
相关热词:#智能电网
太阳能电池板涂层类型及工艺有哪些
时间:2026-03-05
太阳能电池板的填充因子影响因素和处理方法
时间:2026-03-05
分布式供电的主要优点
时间:2026-03-05
光伏发电的利与弊
时间:2026-03-05
变电站接地系统的结构、用途及应用
时间:2026-03-05
变压器组别接线详细图
时间:2026-03-05
智能电网和微电网介绍
时间:2026-03-05
变电站母线的作用和设计考虑因素
时间:2026-03-05
变电站母线最大工作电流计算和安装
时间:2026-03-05
变电站自动化系统的应用
时间:2026-03-05