1 推挽变换器及推挽谐振变换器的原理
(1)推挽变换器
推挽变换器拓扑和工作波形如图1所示。电路中的两个开关管Q1、Q2接在带有中心抽头的变压器初级线圈两端,此电路可以等效为两个完全对称的单端正激变换器。D1、D2为副边整流二极管,L、C为输出滤波电感和滤波电容。在分析时,作出如下假设:
a、所有功率管、二极管均为理想元件;
b、电容、电感均为理想元件;
c、输出电容足够大,C0、RL可以看成一个电压源;
d、电路工作在稳态。

(a)推挽变换器拓扑

(b)工作波形
图1 推挽变换器拓扑及工作波形
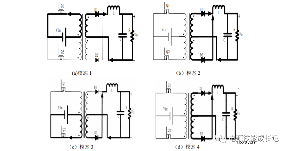
开关管的换流过程如图2所示。
模态1:Q1导通时,输入电压加在变压器原边上端绕组,Q2承受两倍的输入电压,变压器副边上端绕组电压为nVin,整流二极管D1导通,此期间电源向负载提供能量;
模态2:Q1关断、Q2关断时,整流管D1中电流逐渐减小,D2中电流逐渐增大,直到两管中电流相等(忽略变压器激磁电流),此时变压器可以看作被短路,两开关管承受电源电压,输出功率由输出电容提供;
模态3:Q2导通、Q1关断时,输入电压加在变压器原边下端绕组上,Q1承受两倍的输入电压,变压器副边下端绕组电压为nVin,整流二极管D2导通,此期间电源向负载提供能量;
模态4:Q2关断、Q1关断时,整流管D2中电流逐渐减小,D1中电流逐渐增大,直到两管中电流相等(忽略变压器激磁电流),此时变压器可以看作被短路,两开关管承受电源电压,输出功率由输出电容提供。

图2 换流过程分析
推挽变换器的相关参数计算方法参考文献[1]。
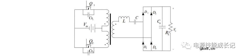
(2)推挽谐振变换器
推挽谐振变换器拓扑及工作波形如图3所示。为使开关管实现零电压导通和零电流关断(ZVCS),来达到变换器的高效率,就要采用新的电路拓扑和控制方法。提出了一种新型的ZVCS推挽谐振电路拓扑,电路拓扑如图3a所示。该电路由初级MOS管(Q1、Q2),串联LC谐振电路,输出整流器(D1−D4),输出电容(Co)和负载(RL)组成。谐振电感为变压器的次级漏感,Cs1、Cs2为包括MOSFET漏源极结电容在内的并联电容。下面分析电路的工作原理。该电路工作时,工作频率接近于电路LC网络的固有谐振频率。电路有4个工作模态,其等效电路分别如图4的(a)、(b)、(c)、(d)所示,电路工作波形如图3b所示。在分析时,作如下假定:
a、所有功率管、二极管均为理想元件;
b、电容、电感均为理想元件,Cs1=Cs2=Cs;
c、输出电容足够大,C0、RL可以看作为电压源。
d、电路已经进入稳态。

(a)推挽谐振变换器

(b)工作波形
图3 推挽谐振变换器拓扑
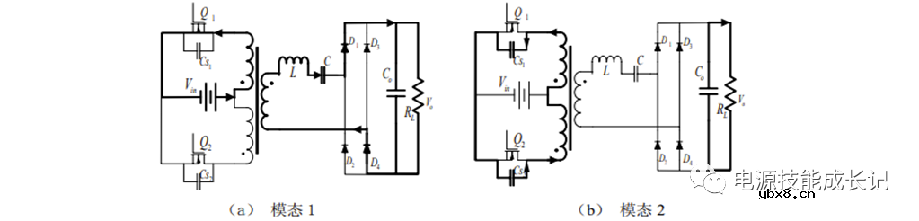
开关管的换流过程如图4所示。
模态1:t0时刻之前,功率管Q1漏源极并接的电容Cs1已放电到零,t0时Q1导通,则Q1为零电压导通,变压器初级流过电流i1,变压器励磁电流线性增长,副边谐振网络谐振,原边向副边传输能量。此模态中Cs1电压为零,Cs2电压钳位在2Vin。
模态2:t1时关断功率管Q1,此时Q2亦关断,变压器励磁电流对Q1、Q2漏源极并接的电容Cs1、Cs2进行充放电,由于变压器励磁电流足够大,且功率管并接的电容值比较小,充电时间比较短,故可认为充放电时励磁电流大小不变,电容电压为线性变化,Cs1电压由零增加到2Vin,Cs2电压由2Vin减小到零,Q2的反并二极管自然导通。此模态到Vcs2=0时结束。
模态3:与模态1类似,Q2零电压导通,向副边传输能量,Cs1电压箝位为2Vin。
模态4:与模态2类似。


图4 换流过程分析
推挽谐振变换器的相关参数计算方法参考文献[1]。
2 基于PSIM的推挽谐振变换器建模
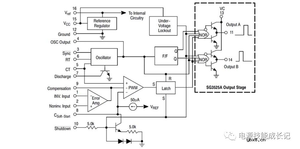
本方案采用的PWM控制器为SG3525,内部包括供电、OSC、PWM调节、软启动、保护等单元,内部结构如图5所示。

图5 SG3525内部结构图
pin1和pin2为误差放大器的反相输入和同相输入引脚;pin3为振荡器外接同步信号输入引脚;pin4为振荡器输出引脚;pin5振荡器定时电容引脚;pin6为定时电阻引脚;pin8为软启动时间设置引脚;pin9为PWM比较器信号补偿引脚;pin10为外部故障输入引脚;pin11为PWMA输出引脚;pin12为GND引脚;pin13为Vcc引脚;pin14为PWMB输出引脚;pin15为偏置电源输入引脚;pin16为输出电源基准。
振荡器:一个双门限电压比较器,电压均取自于基准电源,其上门限制Vh=3.9V,低门限值Vl=0.9V,内部恒流源向CT充电,端电压Vc线性上升,构成锯齿波的上升沿,当Vc=Vh时比较器输出反向,充电过程结束,上升时间Trise=0.67RtCt。比较器动作后,放电电路工作,CT放电,Vc下降并形成锯齿波的下降沿,当Vc=Vl时比较器输出反向,放电过程结束,下降时间Tfall=1.3RdCt,完成一个工作周期。
a、脉冲产生模块原理:利用电容的充电/放电特性,设置充电电压的上限与下限比较值,与比较器比较,结合SR触发器控制电容充放电时间,从而产生三角波和振荡器脉冲波形。

b、PWM生成模块:结合第一部分工作时序波形和数字电路技术,设计数字电路,生成两路PWM驱动波形。

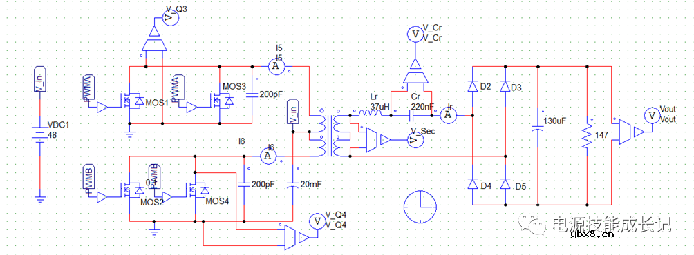
c、推挽变换器模型:图6为推挽电路的功率级电路模型,为了使仿真更加接近实际情况,原边MOS管并联等效电容200pF(该电容值为MOS管输出电容与PCB上寄生电容,通常取几百pF。),输入并联20mF电容,该电容不影响仿真结果,加在这里目的是为了更加接近实际情况,避免设计时疏忽;变压器采用4绕组变压器(仿真时,开始选用3绕组变压器,仿真结果误差较大,错误为高压侧谐振电流频率与低压侧谐振频率不相同,导致仿真中MOS管D极始终出现较大的尖峰,后来换用变压器,设置合适的参数,问题基本解决,但由于变压器参数没有优化,所以仿真结果不是特别理想);高压侧采用谐振的最大优点就是消除原边MOS的电压尖峰(但是调试中比较麻烦,如果调试不好,很难达到理想效果,有可能适得其反);二极管整流,二极管上会消耗较多的功率,导致二极管发热严重,如果器件选型不合适,高压侧串联谐振,很有可能会降低效率,但消除前级尖峰,会使机器变得更可靠。所以实际设计中会综合各方面因素来考虑设计方案,不能一味的追求某项参数指标。功率电路模型如下:

图6 推挽谐振变换器功率模型
仿真参数:DC输入:4056V;DC输出:320430V;输出功率:1000W。
谐振参数:电感37uH,电容220nF

图7 谐振电流和电容电压

图8 前级开关管漏源电压及沟道电流

图9 前级开关管ZVS

图10 二极管ZCS

图11 输出与输入功率
基于RFID技术的医疗废弃物管理系统
时间:2026-03-05
三大智能家居技术及其优势解析
时间:2026-03-05
物联网(IoT)所面临的6大挑战
时间:2026-03-05
物联网进化技术:无线连接+智能传感器
时间:2026-03-05
陶瓷电容MLCC失效分析案例
时间:2026-03-05
加快物联网应用的蓝牙® 连接的设计
时间:2026-03-05
人脸识别技术原理解析
时间:2026-03-05
地理围栏是否会是规范无人机飞行的最佳解决...
时间:2026-03-05
什么是物联网?从大数据谈起
时间:2026-03-05
PTC发布物联网时代PLM解决方案
时间:2026-03-05
玻璃釉电容器的结构与特点
时间:2026-03-05
表贴电容的分类
时间:2026-03-05
关于STM32WL LSE 添加反馈电阻后无法起振的...
时间:2026-03-05
RI-80F型高压高阻玻璃釉膜电阻分压器
时间:2026-03-05
电阻的标称阻值和允许偏差
时间:2026-03-05
电容在交流电路中是怎样工作的?
时间:2026-03-05
高压电容怎么测好坏_如何提高高压电容寿命
时间:2026-03-05
电容屏也有区别?自电容屏和互电容屏有什么...
时间:2026-03-05
一文读懂,电容器的工作旅程
时间:2026-03-05
如何绕制电感与选择磁芯减小寄生电容
时间:2026-03-05