在交流输入电压过零处附近,由于电感电流很小,慢恢复二极管无法保持较长时间的反向恢复特性。此时,PFC电路会处于自由谐振工作状态,从而导致慢恢复二极管阴阳极两端电压不再保持与输入电压之间的稳定电平,会出现如图6中所示的高频抖动电压。从理论上来说,该高频抖动会带来较大的共模干扰。解决方法可以在慢恢复二极管上并联较大容量的电容,通过电容的充放电特性,消除该高频抖动。加电容后的电压波形如图7所示,由图中波形可看到增加C1、C2后,有效消除了慢恢复二极管两端电压的高频震荡。
增加C1、C2后,电路的工作状态分析如下(以交流由正半周至负半周过零点附近为例,具体工作时序请见图8,具体波形请见图9):
状态1:在过零附近,在Q2有驱动信号之前,各器件的状态如下:Vds_Q1=Vds_Q2=VD2=0,Vc1=Vc2=VD4=0, VD1=VD3=Uo
状态2:当Q2开始有驱动信号,Q2开通,交流电压给PFC电感L充电,电感电流iL线性上升,由于C1、C2被二极管钳位,其电压维持上一个状态的电压,各器件的状态如下:
Vds_Q1=Vds_Q2=0,Vc1=Vc2=VD4= VD2,VD1=VD3=Uo-Vc2
状态3:当Q2关断,PFC电感电流续流,给C1、C2充电,但由于此时PFC电感储能有限,无法使电容电压在续流期间快速上升至Uo,故C1、C2上电压在Q2再次导通前只能线性上升至一定的电压U1。
当Q2再次开通关断,电路交替进入状态2和状态3,直至电容C1、C2电压上升至Uo,结束C1、C2在过零点附近的台阶式的电压爬升状态。在交流输入由负半周至正半周变化的过零点附近,C1、C2也会经历类似模式的台阶式放电过程。

图6a. 交流电压过零处波形

图6b. 展开波形
图6:53.5V输出轻载,未加电容波形:C1(黄色): Vds_Q1;C2(红色):VD4;C3(蓝色):VD1;C4(绿色):iL

图7a. 交流电压过零处波形

图7b. 展开波形
图7:53.5V输出轻载,加电容后波形:C1(黄色): Vds_Q1;C2(红色):VD4;C3(蓝色):VD1;C4(绿色):iL

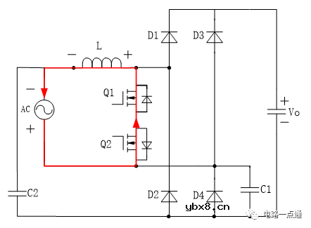
图8 交流输入过零处电容充电工作状态(从正半周到负半周)工作状态2

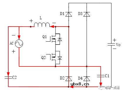
图8 交流输入过零处电容充电工作状态(从正半周到负半周)工作状态3

C1(黄色): Vds_Q1; C2(红色): VD4; C3(蓝色):VD1;C4(绿色):iL

C1(黄色): Vds_Q2; C2(红色): VD3; C3(蓝色):VD2; C4(绿色):iL

C1(黄色): Vac; C2(红色): Vc1; C3(蓝色):VL; C4(绿色):iL
图9 交流输入过零处各器件的电压电流波形(从正半周到负半周)
审核编辑:汤梓红
使用过滤器电容器和诱导器来抑制受辐射的EM...
时间:2026-03-05
智能硬件遭遇销量困局 看社区O2O如何破解
时间:2026-03-05
物联网新时代,关于安全的5大错误认知
时间:2026-03-05
智能停车场一体化控制器方案简述
时间:2026-03-05
ZigBee应用于智能家居是否存在严重漏洞?
时间:2026-03-05
推动物联网发展,供电是基础设备的生命线
时间:2026-03-05
楼宇对讲走向标准化 四大发展方向明确
时间:2026-03-05
最帅“黑”科技:让普通手机可扫描3D
时间:2026-03-05
未来的智能住宅是什么样的?
时间:2026-03-05
无线智能家居三层别墅标准配套方案
时间:2026-03-05
玻璃釉电容器的结构与特点
时间:2026-03-05
表贴电容的分类
时间:2026-03-05
关于STM32WL LSE 添加反馈电阻后无法起振的...
时间:2026-03-05
RI-80F型高压高阻玻璃釉膜电阻分压器
时间:2026-03-05
电阻的标称阻值和允许偏差
时间:2026-03-05
电容在交流电路中是怎样工作的?
时间:2026-03-05
高压电容怎么测好坏_如何提高高压电容寿命
时间:2026-03-05
电容屏也有区别?自电容屏和互电容屏有什么...
时间:2026-03-05
一文读懂,电容器的工作旅程
时间:2026-03-05
如何绕制电感与选择磁芯减小寄生电容
时间:2026-03-05