对于接触过数字电路或模拟电路的人来说,555 IC绝对是经典之作。以其低成本和可靠的性能被广泛应用于各种电器,包括仪器仪表、家用电器、电动玩具、自动控制等。
在555定时器只需要少量的外部电阻器和电容器来实现脉冲生成和转换电路,例如多个振荡器,单稳态触发器和施密特触发器。那么它在电路中是如何工作的呢?它的电路有什么作用?这里给出几个典型的555电路例子进行具体分析。
555是什么?
555定时器是一款方便且功能强大的IC,广泛应用于信号的产生、转换、控制和检测。这个名字的由来,因为它是由三个 5KΩ 的电阻分开的。555定时器是一个简单的集成电路,可以用来制作许多不同的电子电路。通过以下电路分析,您将了解 555 IC 的工作原理。

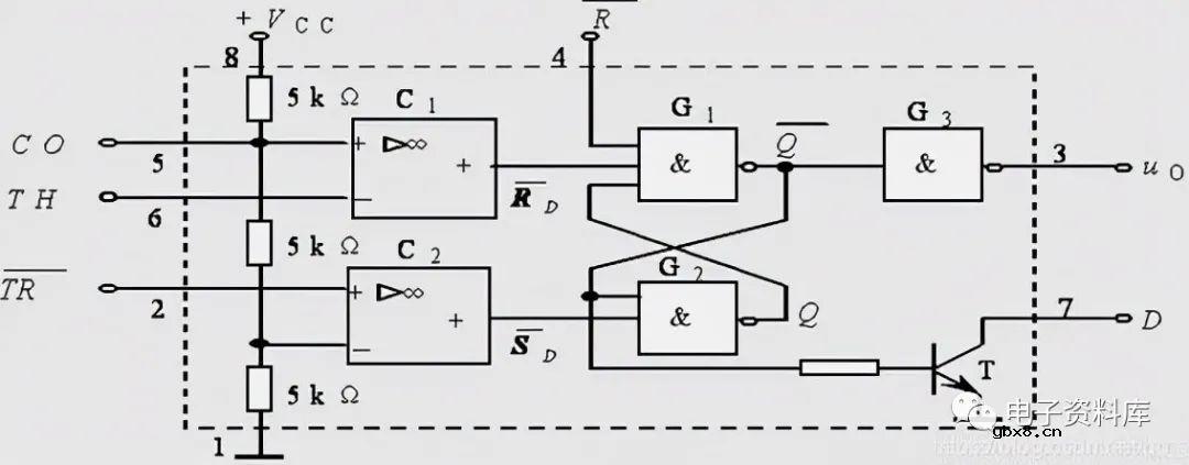
图 1. 基本 555 定时器电路
电路分析
R 不是复位端,当设置为 0 时,Q 为 0,/Q 为 1,Uo 输出 0,并且/Q为 1 添加到晶体管 T 的基极,晶体管处于导通状态。
①当R=0、Q=1、uo=0时,T饱和导通。
②当R=1时(此时没有复位功能):
UTH>2V CC /3,UTR>V CC /3,C1=0,C2=1,Q=1或/Q=0,uo=0,T饱和并打开。(分析:C1的正输入端为2V CC /3,C1的负输入UTH端大于正输入端,工作在饱和状态,输出0。C2的负输入端为1V CC/3,小于正输入端UTH,输出1。RD和SD上方有一条水平线,表示低电平,表示Reset。C1输出0,RD有效,则Q为0,不是1,Uo输出0,/Q不作用于三极管的基极。)
③ R=1时,UTH<2V CC /3,UTR>V CC / 3、C1=1,C2=1,Q和/Q保持不变,uo和T保持不变。(分析同上)
④ R=1时,UTH<2V CC /3,UTR<V CC /3,C1=1,C2=0,Q=0,/Q=1,uo=1,T截断离开。(分析同上)
了解输入如何与电源电压相互作用以触发和重置输出高低。找出哪些引脚可用于调整发生这种变化的阈值。

图 2. 555 多谐振荡器电路分析

图 3. 555 多谐振荡器电路示例
电路分析
首先,电源V CC通过R1和R2给电容C充电,电容的电压必须比较小,小于1V CC /3。同理,C1的正极为2V CC /3,C2的负极为1V CC /3,TH和TR端同时连接,开始时小于1V CC /3。此时C1输出1,C2输出0,置位端有效(具体确认):Q为1,/Q不为0,uo为1,三极管截止,输出高电平。
此时,电源仍在对电容器充电。TH和TR端接在一起时,电压小于2V CC/3 和大于 1V CC /3;C1输出1,C2输出1,三极管截止,uo为1。当电容大于2V CC /3时,C1输出0,C2输出1。此时Q为0,/Q不是1, uo为0,输出低电平,三极管导通。电容通过7脚放电,此后TH和TR连接点电压逐渐下降,小于2V CC /3,大于1V CC /3,然后小于1V CC / 3、形成谐振子。
第一个瞬态的脉宽tp1,即uc从V CC /3充电到2V CC所需的时间/3(通过两个电阻充电):

第二个瞬态脉宽tp2,即uc从2V CC /3放电到V CC /3所需的时间:


Duty cycle:高电平占据整个周期的时间。

,可以看出其占空比始终大于50%。
示例 1
占空比可调的电路(添加一个可调电阻)

图 4. 占空比可调的电路(添加一个可调电阻)
可以计算出:
其中T1=0.7R1C(T1为充电时间),T2=0.7R2C(T2为放电时间)
总时间T=T1+T2=0.7(R1+R2)C
所以R1、R2、C分别为确定,周期T也确定。
占空比计算

示例 2
占空比可调 (1KHz) 的电路

图 5. 占空比可调 (1KHz) 的电路
电路分析
T = 0.7(R1+R2)C,f = 1/T,占空比电路只需调整阻值即可。
工作特性
① 具有稳态和瞬态两种不同的工作状态。
② 在外部触发脉冲的作用下,可以从稳态切换到瞬态。暂态保持一段时间后,电路可自动恢复到稳态。
③暂态不能长时间维持,其维持时间的长短取决于电路本身的参数,与触发脉冲无关。

那么单稳态电路的原理是什么呢?

图 6. 555 定时器单稳态电路分析

图 7. 555 定时器单稳态电路示例
电路分析
首先,TR端处于高电平ui,必须大于1V CC /3。此时C2输出1,电源通过R对电容C充电,充电电压小于1V CC /3(TH),CO电压等于2V CC /3,C1输出1,处于此时的保持状态。假设R的非复位端在上电前复位,uo的输出为0,然后仍保持之前的状态,此时输出为0。/Q为1,三极管导通,电容通过7脚放电,uc为零电平。某一时刻ui为低,C1仍输出1,C2输出0,Q为1,/Q为0,uo输出1(高电平),三极管一直处于截止状态。
这时候V CC可以给电容充电(uc 越来越大)。当uc在1V CC /3~2V CC /3之间时,假设TR端恢复原状(高电平),C1输出1,C2输出1,此时uo保持原状,仍为1 ,晶体管处于截止状态。当uc大于2V CC /3时,C2仍为1,C1输出为0,Q为0,/Q为1,uo为0,三极管导通,处于放电状态,此时,uc得到越来越小。
总结:
1、只要给出一个低电平触发信号,暂稳时间为电压0V~2Ucc/3的充电时间(时间用tp表示)。
2.充电时间Tp=1.1RC
3.可作为计时电路使用,时间由RC决定。
示例:时序电路设计(1s 延迟时间)

图 8. 555 定时器延迟电路示例




555定时器会在不同的电路中使用不同的型号来满足电路要求。因此,它有许多不同公司生产的不同引脚功能的衍生型号,并采用CMOS设计。更重要的是,一些芯片包括几个集成的 555 定时器。
关于555定时器电路的常见问题
1.555定时器在电路中起什么作用?
555 定时器 IC 是一种非常便宜、流行且有用的精密定时设备,它既可以作为一个简单的定时器来产生单脉冲或长时间延迟,也可以作为一个张弛振荡器产生一串稳定的波形,占空比从 50 到100%。
2.555定时器可以承受多少电压?
标准 TTL 555 可以在 4.5 伏到 18 伏之间的电源电压下工作,其输出电压比其电源电压 VCC 低约 2 伏。555 可以提供或吸收 200mA 的最大输出电流(但在此级别可能会变热),因此电路变化是无限的。
3.定时器的操作模式有哪些?
定时器寄存器可以在两种模式下使用。这些模式是定时器模式和计数器模式。这两种模式之间的唯一区别是递增定时器寄存器的来源。
4、555定时器的基本操作方式有哪些?
555 定时器的工作模式有非稳态、双稳态和单稳态。每种操作模式都用电路图及其输出表示。
5.555定时器的最大频率是多少?
2MHz
根据网站,555定时器的最大频率为2MHz。
智能硬件遭遇销量困局 看社区O2O如何破解
时间:2026-03-05
物联网新时代,关于安全的5大错误认知
时间:2026-03-05
智能停车场一体化控制器方案简述
时间:2026-03-05
ZigBee应用于智能家居是否存在严重漏洞?
时间:2026-03-05
推动物联网发展,供电是基础设备的生命线
时间:2026-03-05
楼宇对讲走向标准化 四大发展方向明确
时间:2026-03-05
最帅“黑”科技:让普通手机可扫描3D
时间:2026-03-05
未来的智能住宅是什么样的?
时间:2026-03-05
无线智能家居三层别墅标准配套方案
时间:2026-03-05
如何让现代城市如何更智慧
时间:2026-03-05
玻璃釉电容器的结构与特点
时间:2026-03-05
表贴电容的分类
时间:2026-03-05
关于STM32WL LSE 添加反馈电阻后无法起振的...
时间:2026-03-05
RI-80F型高压高阻玻璃釉膜电阻分压器
时间:2026-03-05
电阻的标称阻值和允许偏差
时间:2026-03-05
电容在交流电路中是怎样工作的?
时间:2026-03-05
高压电容怎么测好坏_如何提高高压电容寿命
时间:2026-03-05
电容屏也有区别?自电容屏和互电容屏有什么...
时间:2026-03-05
一文读懂,电容器的工作旅程
时间:2026-03-05
如何绕制电感与选择磁芯减小寄生电容
时间:2026-03-05