引言
MOSFET因导通内阻低、开关速度快等优点被广泛应用于开关电源中。MOSFET的驱动常根据电源IC和MOSFET的参数选择合适的电路。下面一起探讨MOSFET用于开关电源的驱动电路。
在使用MOS管设计开关电源时,大部分人都会考虑MOS的导通电阻、最大电压、最大电流,很多人仅仅考虑了这些因素,这样的电路也许可以正常工作,但并不是一个好的设计方法。作为一个产品设计,功率MOS管还应考虑本身寄生的参数。选定管子之后,对应的驱动电路,以及电源IC驱动脚输出的峰值电流等,都会影响产品性能。
当电源IC与MOS管选定之后,选择合适的驱动电路来连接电源IC与MOS管就显得尤其重要了。
一个好的MOSFET驱动电路有以下几点要求:
1、开关管开通瞬时,驱动电路应能提供足够大的充电电流使MOSFET栅源极间电压迅速上升到所需值,保证开关管能快速开通且不存在上升沿的高频振荡。
2、开关导通期间驱动电路能保证MOSFET栅源极间电压保持稳定且可靠导通。
3、关断瞬间驱动电路能提供一个尽可能低阻抗的通路供MOSFET栅源极间电容电压的快速泄放,保证开关管能快速关断。
4、驱动电路结构简单可靠、损耗小。
5、根据情况施加隔离。
下面介绍几个模块电源中常用的MOSFET驱动电路。
一、电源IC直接驱动MOSFET

电源IC直接驱动是我们最常用的驱动方式,同时也是最简单的驱动方式,使用这种驱动方式,应该注意几个参数以及这些参数的影响。第一,查看一下电源IC手册,其最大驱动峰值电流,因为不同芯片,驱动能力很多时候是不一样的。第二,了解一下MOSFET的寄生电容,如图1中C1、C2的值。
如果C1、C2的值比较大,MOS管导通的需要的能量就比较大,如果电源IC没有比较大的驱动峰值电流,那么管子导通的速度就比较慢。如果驱动能力不足,上升沿可能出现高频振荡,即使把图1中Rg减小,也不能解决问题! IC驱动能力、MOS寄生电容大小、MOS管开关速度等因素,都影响驱动电阻阻值的选择,所以Rg并不能无限减小。
二、电源IC驱动能力不足时
如果选择MOS管寄生电容比较大,电源IC内部的驱动能力又不足时,需要在驱动电路上增强驱动能力,常使用图腾柱电路增加电源IC驱动能力,其电路如图2虚线框所示。

这种驱动电路作用在于,提升电流提供能力,迅速完成对于栅极输入电容电荷的充电过程。这种拓扑增加了导通所需要的时间,但是减少了关断时间,开关管能快速开通且避免上升沿的高频振荡。
三、驱动电路加速MOS管关断时间

关断瞬间驱动电路能提供一个尽可能低阻抗的通路供MOSFET栅源极间电容电压快速泄放,保证开关管能快速关断。为使栅源极间电容电压的快速泄放,常在驱动电阻上并联一个电阻和一个二极管,如图3所示,其中D1常用的是快恢复二极管。这使关断时间减小,同时减小关断时的损耗。Rg2是防止关断的时电流过大,把电源IC给烧掉。

在第二点介绍的图腾柱电路也有加快关断作用。当电源IC的驱动能力足够时,对图2中电路改进可以加速MOS管关断时间,得到如图4所示电路。用三极管来泄放栅源极间电容电压是比较常见的。如果Q1的发射极没有电阻,当PNP三极管导通时,栅源极间电容短接,达到最短时间内把电荷放完,最大限度减小关断时的交叉损耗。与图3拓扑相比较,还有一个好处,就是栅源极间电容上的电荷泄放时电流不经过电源IC,提高了可靠性。
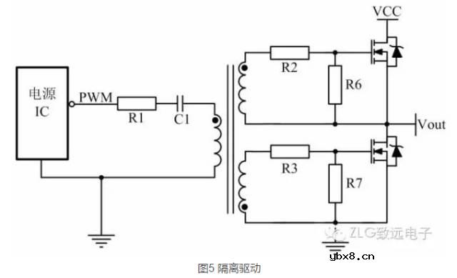
四、驱动电路加速MOS管关断时间

为了满足如图5所示高端MOS管的驱动,经常会采用变压器驱动,有时为了满足安全隔离也使用变压器驱动。其中R1目的是抑制PCB板上寄生的电感与C1形成LC振荡,C1的目的是隔开直流,通过交流,同时也能防止磁芯饱和。
除了以上驱动电路之外,还有很多其它形式的驱动电路。对于各种各样的驱动电路并没有一种驱动电路是最好的,只有更合适。
突破人形机器人控制器性能瓶颈:高效稳定的...
时间:2026-03-05
一文讲懂开关电源的阻尼振荡
时间:2026-03-05
使用过滤器电容器和诱导器来抑制受辐射的EM...
时间:2026-03-05
智能硬件遭遇销量困局 看社区O2O如何破解
时间:2026-03-05
物联网新时代,关于安全的5大错误认知
时间:2026-03-05
智能停车场一体化控制器方案简述
时间:2026-03-05
ZigBee应用于智能家居是否存在严重漏洞?
时间:2026-03-05
推动物联网发展,供电是基础设备的生命线
时间:2026-03-05
楼宇对讲走向标准化 四大发展方向明确
时间:2026-03-05
最帅“黑”科技:让普通手机可扫描3D
时间:2026-03-05
玻璃釉电容器的结构与特点
时间:2026-03-05
表贴电容的分类
时间:2026-03-05
关于STM32WL LSE 添加反馈电阻后无法起振的...
时间:2026-03-05
RI-80F型高压高阻玻璃釉膜电阻分压器
时间:2026-03-05
电阻的标称阻值和允许偏差
时间:2026-03-05
穿芯电容的形式_穿芯电容应用
时间:2026-03-05
电容器运行时温度过高的原因有哪些
时间:2026-03-05
固态电容的作用_固态电容的优点
时间:2026-03-05
电容在交流电路中是怎样工作的?
时间:2026-03-05
高压电容怎么测好坏_如何提高高压电容寿命
时间:2026-03-05