75欧姆同轴电缆驱动电路
电工基础2026-03-05
75欧姆同轴电缆驱动电路
HDSL线驱动器电路
电工基础2026-03-05
HDSL线驱动器电路
双光源驱动电路
电工基础2026-03-05
双光源驱动电路
用电池驱动的压力表电路
电工基础2026-03-05
用电池驱动的压力表电路
输出150V,50A的伺服驱动电路
电工基础2026-03-05
输出150V,50A的伺服驱动电路
PA26驱动电路
电工基础2026-03-05
PA26驱动电路
混合式压电转换器驱动电路
电工基础2026-03-05
混合式压电转换器驱动电路
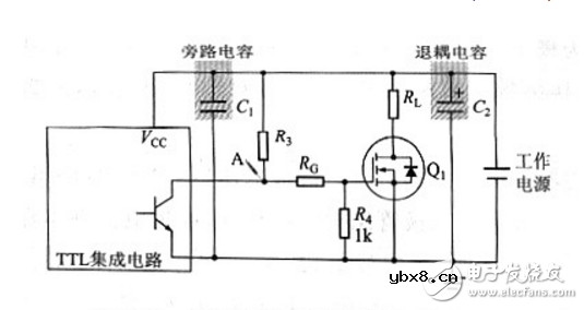
如何用ttl驱动mos管
电工问答2026-03-05
mos管简介 mos管是金属(metal)—氧化物(oxide)—半导体(semiconductor)场效应晶体管,或者称是金属—绝缘体(insulator)—半导体。MOS管的source和drain是可以对调的,他们都是在P型backgate中
两二相步进电机驱动器原理图
电工基础2026-03-04
两相步进电机驱动器原理图 a3955sb pdf中文资料
交流电路的分析计算方法
时间:2026-03-05
多业务广域网解决方案
时间:2026-03-05
无线网络新技术_无线MESH网络是什么
时间:2026-03-05
简单无线mesh网络搭建
时间:2026-03-05
无线mesh网络特点
时间:2026-03-05
无线接入方式有哪些
时间:2026-03-05
无线接入器是什么
时间:2026-03-05
无线中继器安装操作步骤
时间:2026-03-05
无线中继器怎么设置_怎样用中继器增强wifi无...
时间:2026-03-05
tplink无线中继器设置
时间:2026-03-05
彩灯电路
时间:2026-03-05
三相异步电动机原理
时间:2026-03-04
转角测量电路
时间:2026-03-05
经典的正弦波发生电路
时间:2026-03-05
电度表的工作原理
时间:2026-03-04
电动机单线远程正反转控制电路图
时间:2026-03-04
三相异步电动机的拆装详讲
时间:2026-03-04
三相异步电动机的七种调速方式
时间:2026-03-04
USB转232电路图
时间:2026-03-04
沈乐满SR-5燃气热水器原理图
时间:2026-03-05