固态继电器(Solid State Relay,缩写SSR),是由微电子电路,分立电子器件,电力电子功率器件组成的无触点开关。用隔离器件实现了控制端与负载端的隔离。固态继电器的输入端用微小的控制信号,达到直接驱动大电流负载。固态继电器(SOLIDSTATERELAYS,以下简写成“SSR”),是一种全部由固态电子元件组成的新型无触点开关器件,它利用电子元件(如开关三极管、双向可控硅等半导体器件)的开关特性,可达到无触点无火花地接通和断开电路的目的,因此又被称为“无触点开关”。固态继电器是一种四端有源器件,其中两个端子为输入控制端,另外两端为输出受控端。它既有放大驱动作用,又有隔离作用,很适合驱动大功率开关式执行机构,较之电磁继电器可靠性更高,且无触点、寿命长、速度快,对外界的干扰也小,已被得到广泛应用。
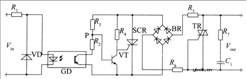
SSR按使用场合可以分成交流型和直流型两大类,它们分别在交流或直流电源上做负载的开关,不能混用。下面以交流型的SSR为例来说明它的工作原理,图1是它的工作原理框图,图1中的部件①~④构成交流SSR的主体,从整体上看,SSR只有两个输入端(A和B)及两个输出端(C和D),是一种四端器件。
工作时只要在A、B上加上一定的控制信号,就可以控制C、D两端之间的“通”和“断”,实现“开关”的功能,其中耦合电路的功能是为A、B端输入的控制信号提供一个输入/输出端之间的通道,但又在电气上断开SSR中输入端和输出端之间的(电)联系,以防止输出端对输入端的影响,耦合电路用的元件是“光耦合器”,它动作灵敏、响应速度高、输入/输出端间的绝缘(耐压)等级高;由于输入端的负载是发光二极管,这使SSR的输入端很容易做到与输入信号电平相匹配,在使用时可直接与计算机输出接口相接,即受“1”与“0”的逻辑电平控制。触发电路的功能是产生合乎要求的触发信号,驱动开关电路④工作,但由于开关电路在不加特殊控制电路时,将产生射频干扰并以高次谐波或尖峰等污染电网,为此特设“过零控制电路”。所谓“过零”是指,当加入控制信号,交流电压过零时,SSR即为通态;而当断开控制信号后,SSR要等待交流电的正半周与负半周的交界点(零电位)时,SSR才为断态。这种设计能防止高次谐波的干扰和对电网的污染。吸收电路是为防止从电源中传来的尖峰、浪涌(电压)对开关器件双向可控硅管的冲击和干扰(甚至误动作)而设计的,一般是用“R-C”串联吸收电路或非线性电阻(压敏电阻器)。

固态继电器是具有隔离功能的无触点电子开关,在开关过程中无机械接触部件,因此固态继电器除具有与电磁继电器一样的功能外,还具有逻辑电路兼容,耐振耐机械冲击,安装位置无限制,具有良好的防潮防霉防腐蚀性能,在防爆和防止臭氧污染方面的性能也极佳,输入功率小,灵敏度高,控制功率小,电磁兼容性好,噪声低和工作频率高等特点。
(1)SSR内部无机械部件,结构上采用了灌注全密封方式,因此,SSR具有耐振、耐腐蚀、长寿命及高可靠等优点,其开关寿命高达1010万次;(2)低噪声:交流型SSR采用了过零触发技术,因此在线路上有效地降低了电压上升速率dv/dt和电流上升速率di/dt值,使SSR长期工作时对市电的干扰极小;(3)开关时间短,约为10ms,可应用在频率较高的场合;(4)输入电路与输出电路之间采用光电隔离,绝缘电压2500V以上;(5)输入功耗很低,与TTL,COMS电路兼容;(6)输出端有保护电路;(7)负载能力强。
(1)高寿命,高可靠:固态继电器没有机械零部件,由固体器件完成触点功能,由于没有运动的零部件,因此能在高冲击,振动的环境下工作,由于组成固态继电器的元器件的固有特性,决定了固态继电器的寿命长,可靠性高。
(2)灵敏度高,控制功率小,电磁兼容性好:固态继电器的输入电压范围较宽,驱动功率低,可与大多数逻辑集成电路兼容不需加缓冲器或驱动器。
(3)快速转换:固态继电器因为采用固体器件,所以切换速度可从几毫秒至几微秒。
(4)电磁干扰小:固态继电器没有输入“线圈”,没有触点燃弧和回跳,因而减少了电磁干扰。大多数交流输出固态继电器是一个零电压开关,在零电压处导通,零电流处关断,减少了电流波形的突然中断,从而减少了开关瞬态效应。
(1)导通后的管压降大,可控硅或双向控硅的正向降压可达1~2V,大功率晶体管的饱和压降也在1~2V之间,一般功率场效应管的导通电阻也较机械触点的接触电阻大。
(2)半导体器件关断后仍可有数微安至数毫安的漏电流,因此不能实现理想的电隔离。
(3)由于管压降大,导通后的功耗和发热量也大,大功率固态继电器的体积远远大于同容量的电磁继电器,成本也较高。
(4)电子元器件的温度特性和电子线路的抗干扰能力较差,耐辐射能力也较差,如不采取有效措施,则工作可靠性低。
(5)固态继电器对过载有较大的敏感性,必须用快速熔断器或RC阻尼电路对其进行过载保护。固态继电器的负载与环境温度明显有关,温度升高,负载能力将迅速下降。
(6)主要不足是存在通态压降(需相应散热措施),有断态漏电流,交直流不能通用,触点组数少,另外过电流、过电压及电压上升率、电流上升率等指标差。
继电器几个典型常用的接线图
时间:2026-03-06
为什么直流继电器要并联二极管呢?
时间:2026-03-06
更换或使用继电器时需要注意哪些事项?
时间:2026-03-06
学习PCB设计需要知道的16个原则
时间:2026-03-06
光伏控制器简介
时间:2026-03-06
PLC现场安装和维护的注意事项介绍
时间:2026-03-06
继电器的工作原理以及驱动电路解析
时间:2026-03-06
三菱PLC功能指令介绍(二)
时间:2026-03-06
三菱PLC辅助继电器和定时器介绍
时间:2026-03-06
HTCC:半导体封装的理想方式
时间:2026-03-06
电阻的标称阻值和允许偏差
时间:2026-03-05
使用过滤器电容器和诱导器来抑制受辐射的EM...
时间:2026-03-05
漆膜电容器的结构与特点
时间:2026-03-05
玻璃釉电容器的结构与特点
时间:2026-03-05
关于STM32WL LSE 添加反馈电阻后无法起振的...
时间:2026-03-05
Vishay精密无磁薄膜片式电阻以小尺寸实现6W...
时间:2026-03-05
LED固晶机龙头直面“寒冬”
时间:2026-03-05
高频旁路电容的原理_高频旁路电容的作用
时间:2026-03-05
晶振电路电容的作用
时间:2026-03-05
详细的领略一次什么是独石电容
时间:2026-03-05