
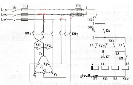
图1 时间继电器控制双速电动机自动加速控制电路
有时为了减少高速运动时的能耗,启动时电动机先按△连接低速启动,然后自动地转为YY连接高速运行。这个过程可以用时间继电器来控制,其控制电路如图1所示,工作过程如下:

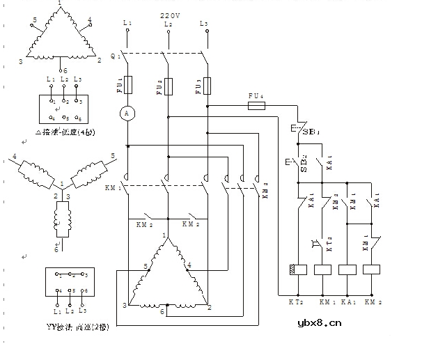
图是时间继电器控制的双速电动机自动加速控制电路图。双速电动机在机床,诸如车床、铣床等中都有较多应用。双速电动机是由改变定子绕组的磁极对数来改变其转速的。如图主电路所示,若将出线端1、2、3接电源,4、5、6悬空。每相绕组中两线圈串联,有四个极对数,低速运行;如将出线端1、2、3短接,4、5、6接电源,每相绕组中两线圈并联,极对数减半,有两个极对数,高速运行。起动时,按起动按纽SB2,KT2立即得电、KM1、KA1得电自保,电动机低速起动;KA1得电后,KT2失电并开始计时;当延时时间到,KM1失电,KM2得电,电动机高速运行;自动完成加速控制双速电动机的加速控制。

图 时间继电器控制双速电动机自动加速控制电路
1.元器件组成:Q1:断路器;FU1:主回路熔断器;FU2:控制回路熔断器;SB1:停止按钮; SB2:启动按钮;KT:时间继电器;KA:中间继电器;KM1:交流接触器(带一开一闭辅助触点);KM2:交流接触器(带两开两闭辅助触点)
2.线路图
时间继电器控制的双速电动机自动加速线路如下图。
注:图中W1应与中相连接,而非与L3连接。
3.工作原理
合上电源开关QS,按下启动按钮SB2,断电时间继电器KT得电吸合,其瞬时动作延时断开的触点闭合,接触器KM1得电吸合,其主触头闭合,电动机定子绕组接成Δ形启动。KM1常开触点闭合,中间继电器KA得电吸合并自锁。KA的常闭触点断开,时间继电器KT断电。经延时,时间继电器KT延时断开的触点断开,KM1失电释放,其主触点断开,解除Δ形连接。同时由于KM1常闭触点的闭合,KM2得电吸合,其主触点闭合,电动机自动从Δ形改变成双Y形运行完成自动加速过程。
4.应用
要求电动机的定子绕组为Y/ 形都可以连接的情况,特别适用于起动力矩较大的场合。
继电器几个典型常用的接线图
时间:2026-03-06
为什么直流继电器要并联二极管呢?
时间:2026-03-06
更换或使用继电器时需要注意哪些事项?
时间:2026-03-06
学习PCB设计需要知道的16个原则
时间:2026-03-06
光伏控制器简介
时间:2026-03-06
PLC现场安装和维护的注意事项介绍
时间:2026-03-06
继电器的工作原理以及驱动电路解析
时间:2026-03-06
三菱PLC功能指令介绍(二)
时间:2026-03-06
三菱PLC辅助继电器和定时器介绍
时间:2026-03-06
HTCC:半导体封装的理想方式
时间:2026-03-06
玻璃釉电容器的结构与特点
时间:2026-03-05
关于STM32WL LSE 添加反馈电阻后无法起振的...
时间:2026-03-05
电阻的标称阻值和允许偏差
时间:2026-03-05
使用过滤器电容器和诱导器来抑制受辐射的EM...
时间:2026-03-05
LED固晶机龙头直面“寒冬”
时间:2026-03-05
浅谈高压贴片电容分类与性能参数
时间:2026-03-05
聚四氟乙烯电容器的结构与特点
时间:2026-03-05
漆膜电容器的结构与特点
时间:2026-03-05
复合介质电容器的结构与特点
时间:2026-03-05
瓷介电容器的结构与特点
时间:2026-03-05