相序指示电路原理图
相序是三相交流电源的一个极为重要的参数,接入三相感应电动机的三相交流电的相序决定了其旋转方向。在某些情况下,相序错误将会损坏电气设备。
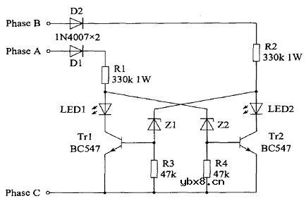
下图是一个简单实用的相序指示电路,只有三相交流电的相序完全与图示相序相同时,发光二极管LED1和LED2才会同时发光。图中NPN型三极管Tr1和Tr2的型号是BC547,其Bcbo=50V、ICM=200mA、PCM=500mW。Z1和Z2是12V稳压二极管,其它均是普通的元件。
说明:该电路设计为与380V的三相交流电相连,务必注意安全

相关热词:#指示电路
TVS二极管的工作原理及主要参数
时间:2026-03-07
一文详解二极管限幅电路
时间:2026-03-07
TVS电路图原理分析
时间:2026-03-07
TVS二极管的工作原理及主要参数
时间:2026-03-07
ESD二极管的静电保护原理及应用要求
时间:2026-03-07
二极管温度检测电路及其原理
时间:2026-03-07
总结稳压二极管应用电路和原理
时间:2026-03-07
通过万用表来判断二极管引脚的正负
时间:2026-03-07
二极管的基础知识
时间:2026-03-07
TVS等同于普通二极管吗?
时间:2026-03-07
彩灯电路
时间:2026-03-05
三相异步电动机原理
时间:2026-03-04
三相异步电动机的七种调速方式
时间:2026-03-04
转角测量电路
时间:2026-03-05
经典的正弦波发生电路
时间:2026-03-05
电动机单线远程正反转控制电路图
时间:2026-03-04
USB转232电路图
时间:2026-03-04
电度表的工作原理
时间:2026-03-04
电风扇红外遥控器2
时间:2026-03-04
三相异步电动机的拆装详讲
时间:2026-03-04