单键触模式灯开关工作原理
这里介绍的触模式灯开关只用一个触摸电极片,就能完成开灯和关灯。触模式灯开关一样,采用相线进开关的两线制,可以直接取代普通开关而不必更改室内原有布线。
工作原理

R5最好采用RJ—1W型金属膜电阻器,其余电阻均用RTX—l/8W型碳膜电阻器。C1 C2可用CT4型独石电容器,C3用CDll—16V型电解电容器。开关壳体采用86系列开关面板制作,为确保使用者绝对安全,可在触模电极片与电阻R1之间再串接一只2M高阻电阻此开关接入照明线路,接法与普通开关一样,按图所示即相线进开关,如将相零线位置接反,电路不能正常工作。电路装好后不用调试,通电后就能正常工作。模一下M,灯亮;再摸—下,灯灭。
相关热词:
为什么MOS管内会有体二极管,它是怎么来的有...
时间:2026-03-07
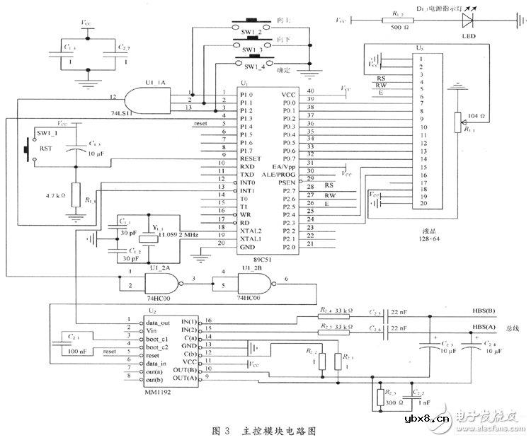
基于HBS协议的智能家居控制系统电路设计
时间:2026-03-07
使用电化学传感器的单电源、微功耗有毒气体...
时间:2026-03-07
嵌入式基于FRAM的海水深度记录仪电路设计
时间:2026-03-07
基于NFC技术控制的电子钱包电路设计
时间:2026-03-07
基于NFC通用读卡器电路设计 —电路图天天读...
时间:2026-03-07
基于单片机红外通讯电路设计
时间:2026-03-07
一种新颖的简易多通道虚拟示波器系统电路设...
时间:2026-03-07
电力载波通信控制终端电路设计
时间:2026-03-07
多功能智能插座USB接口通信电路设计
时间:2026-03-07
彩灯电路
时间:2026-03-05
三相异步电动机原理
时间:2026-03-04
三相异步电动机的七种调速方式
时间:2026-03-04
转角测量电路
时间:2026-03-05
经典的正弦波发生电路
时间:2026-03-05
电动机单线远程正反转控制电路图
时间:2026-03-04
USB转232电路图
时间:2026-03-04
电度表的工作原理
时间:2026-03-04
电风扇红外遥控器2
时间:2026-03-04
三相异步电动机的拆装详讲
时间:2026-03-04