反激同步整流对EMI的影响
简介
过去十年间,移动设备的快速发展让手机应用渗透到社会的方方面面。日常生活中,人们几乎手机不离身。因此,大电池容量及快速充电速度成为手机最关键的杀手锏之一,这也对适配器提出了更高额定功率和更高功率密度的需求,且需求正呈指数级增长。
如今,5V/1A 输出规格的适配器早已过时,新设计的输出规格通常在2A 以上,输出电压更是高达 20V。长久以来,大部分手机市场领导者(如华为、Oppo 和Vivo),一直将大功率适配器作为配件随附在手机包装内一同出售,这获得了市场的积极反馈。而苹果却在2020 年的秋季新闻发布上,突然宣布取消附赠标准 5V/1A手机适配器,这一变化催生了零部件市场大功率适配器需求的再次繁荣。
这些大功率手机适配器采用的最常用解决方案仍然是反激式拓扑。然而,由于新的市场趋势,采用 SR MOSFET 实现同步整流 (SR) 成为适配器设计方案的一大突破和创新。同步整流取代了传统的肖特基二极管,成为适配器副边主流解决方案。
同步整流基本原理
同步整流解决方案是采用 MOSFET 进行输出电流整流,相比于二极管相对固定的正向压降来说,MOSFET 的压降与电流和导通电阻成正比(见图 1)。MOSFET 对整流的传导功率损耗有很大影响。换句话说,通过选择具有理想导通电阻的 SR MOSFET,SR 解决方案可以实现比传统二极管解决方案更好的效率和散热性能,而这正是大功率适配器设计关键的需求。

图1: MOSFET 和二极管之间的 I-V 特性差异
众所周知,在副边带肖特基二极管的传统反激式变换器应用中,二极管的开关特性(尤其是反向恢复电流)对 EMI 性能有显著影响。因此在实际应用中必须谨慎处理。但用同步整流MOSFET代替二极管后,情况就完全不同了,因为MOSFET没有理论上的反向恢复效应。
然而,这并不一定意味着同步整流解决方案的 EMI 问题更少。相反,设计人员在设计带 SR 的反激解决方案时应更加谨慎,尤其是在EMI 噪声源和耦合路径方面。
同步整流对EMI噪声源幅度的影响
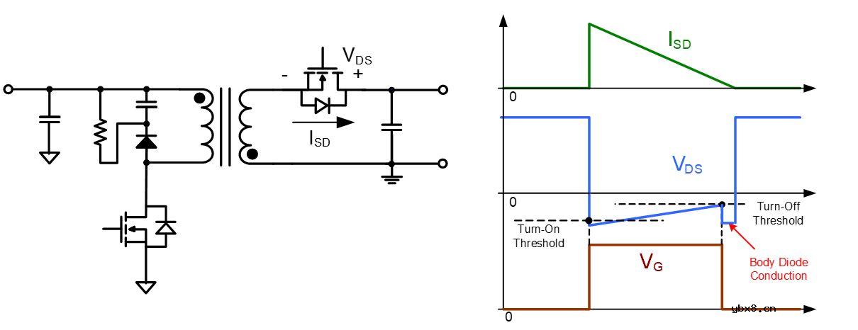
要了解同步整流对 EMI 噪声源的影响,首先要详细了解同步整流的工作原理。大多数控制器基于漏源电压 (VDS) 的直接检测来驱动 SR MOSFET,因为它不需要与原边进行通信且降低了总 BOM 成本。图 2 显示出SR MOSFET 的导通和关断通常由两个阈值来控制。它们都是负电压阈值,可以确保 SR MOSFET 在反向偏置时始终安全关断。

图2: 反激SR解决方案的基本工作原理
由上图可以看出,两端的体二极管有很短的导通时间:刚好在器件导通之前和 SR MOSFET 关断之后。因此,时序控制对 SR 控制器来说至关重要,因为这两个导通时间会引入额外的传导损耗(时间越长损耗越严重)。 而且,如果关断时间过长,则可能会因为MOSFET体二极管比较差的特性而导致SR关断后出现严重的反向恢复电流。
图 3 显示了体二极管的反向恢复电流由于 SR 提前 400ns 关断而上升到 9A,然后由于漏电感又导致 80V 高压尖峰。众所周知,EMI问题与噪声源的脉冲幅度和斜率密切相关。这相当于反激变换器副边更强的 EMI 噪声源。

图3: SR 提前关断导致的高尖峰电流和电压
如果 SR 关断太晚,也会出现类似问题。图 4 显示了在由于传播和驱动延迟导致电流反向之后SR关断的结果。因为原边和副边MOSFET 同时导通,将导致短时间的直通。结果,负电流上升到高达10A,它会在 SR MOSFET 关断后导致 87V的高压尖峰。

图4: SR关断延迟引起的高尖峰电流和电压
为了缓解这些问题,良好控制 SR 导通和关断的时间至关重要。图 5 显示了MPS提供的一款快速关断智能 SR 控制器,MP6908。作为反激式同步整流控制器的市场领导者,MP6908采用了目前业界先进的 SR 控制方案,其精密尖端的信号处理、专有栅极电压调节功能和超快关断速度实现了更佳的同步整流时序控制。

图5: MPS MP6908 在反激方案中的典型应用
通过控制导通和关断时序,MP6908的电流和电压(分别为 4A 和 62V)都只有一个相对较低的尖峰(见图 6),这对降低 EMI 噪声非常有效。

图 6:MP6908 优化的时序控制保证了低尖峰电流和电压
SR 对 CM 降噪效果的影响
市面上许多反激式同步整流解决方案都建议将 SR 放置在副边绕组的低侧,因为 SR 控制器直接从输出获得偏置电源要简单得多。但传统的肖特基二极管总是放在高侧,这说明这个位置也有其益处。事实上,在共模 (CM) 噪声消除效果方面,反激式变换器中高侧和低侧 SR 配置之间存在很大差异(参见图 7)。

a) 采用低侧 SR 的 CM 噪声耦合路径

b) 采用高侧 SR 的 CM 噪声耦合路径
图 7:高侧 SR 和低侧 SR 之间的比较
反激式变换器的每一侧(原边和副边)都有一个主 CM 噪声源,即开关器件和变压器绕组连接在一起的位置(见图 7)。
图 7a 显示了同步整流器放置在低侧时的情况。原边共模噪声源和副边共模噪声源位于具有不同磁极的绕组末端。因此,两个噪声源的切换方向总是相反的。 由于两个噪声源位于变压器的两侧,因此每个噪声源产生的 CM 噪声具有累加效应,会产生更多噪声。
图 7b 显示了当 SR 放置在高侧时,两个噪声源位于具有相同磁极的绕组末端。在这种情况下,两个噪声源的切换方向始终是相同的,两者之间存在抵消作用。
基于以上对 CM 噪声耦合的分析,高侧 SR 配置在 EMI 性能方面比低侧配置具有明显的优势。在实际应用设计中,高侧和低侧配置之间出现 3dB 或更大的差异也很常见。
结论
带SR 的反激式适配器设计与带肖特基二极管的传统配置不同。采用同步整流解决方案的两个主要目的是提高效率和散热性能。但同时也需要考虑其他方面,例如 EMI 性能。
借助控制良好的反激式同步整流解决方案,设计人员可以实现更佳性能、更低的器件额定功率、更高的产品可靠性并能最大限度地降低 EMI 噪声。与此同时,MPS 的MP6908等器件内部集成了一个高压稳压器,无需任何外部电路即可提供自偏置电源。再配合以高侧 SR,不仅可以开发出更尖端的适配器设计,还可以降低 BOM 成本,而且无需担心EMI 问题。
审核编辑:彭菁
TVS二极管的工作原理及主要参数
时间:2026-03-07
一文详解二极管限幅电路
时间:2026-03-07
TVS电路图原理分析
时间:2026-03-07
TVS二极管的工作原理及主要参数
时间:2026-03-07
ESD二极管的静电保护原理及应用要求
时间:2026-03-07
二极管温度检测电路及其原理
时间:2026-03-07
总结稳压二极管应用电路和原理
时间:2026-03-07
通过万用表来判断二极管引脚的正负
时间:2026-03-07
二极管的基础知识
时间:2026-03-07
TVS等同于普通二极管吗?
时间:2026-03-07
玻璃釉电容器的结构与特点
时间:2026-03-05
电容器入门教程
时间:2026-03-05
关于STM32WL LSE 添加反馈电阻后无法起振的...
时间:2026-03-05
暑期买元器件下单立减还送华为P30pro
时间:2026-03-05
电阻的标称阻值和允许偏差
时间:2026-03-05
使用过滤器电容器和诱导器来抑制受辐射的EM...
时间:2026-03-05
LED固晶机龙头直面“寒冬”
时间:2026-03-05
浅谈高压贴片电容分类与性能参数
时间:2026-03-05
聚四氟乙烯电容器的结构与特点
时间:2026-03-05
漆膜电容器的结构与特点
时间:2026-03-05